|
|
1 |
|
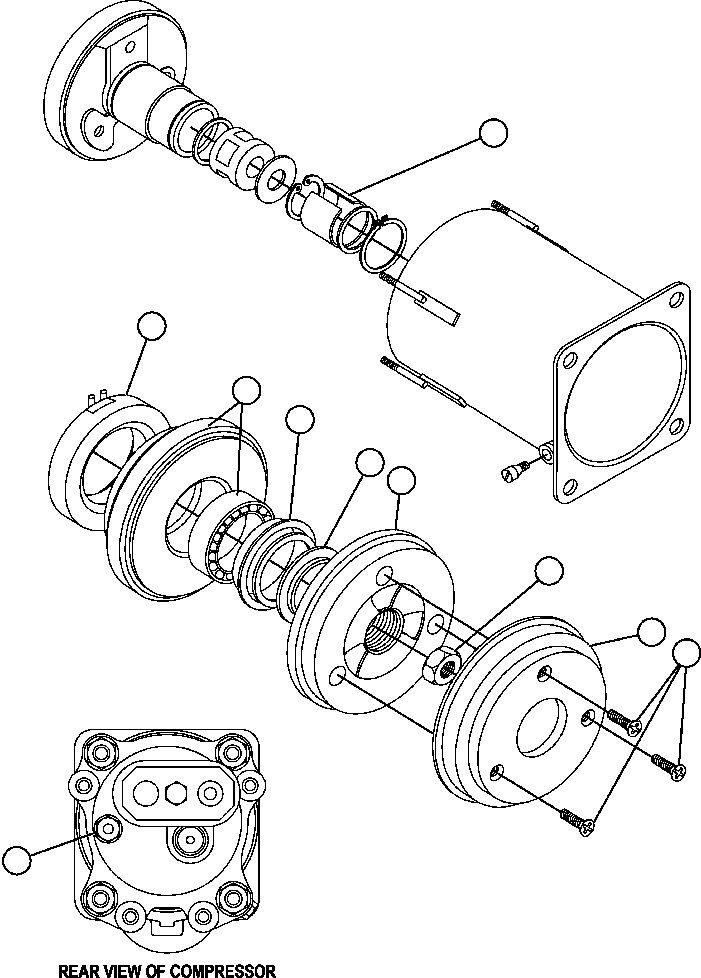
SLEEVE, SEAL (1)/(2) |
1 |
|
|
|
|
2 |
|
CLUTCH COIL (1) |
1 |
|
|
|
|
3 |
|
PULLEY & BERING (1)/(3)/(6)/(8) |
1 |
|
|
|
|
4 |
|
SEAL, RETAINER (1)/(2) |
1 |
|
|
|
|
5 |
|
SEAL, BEARING (1)/(2) |
1 |
|
|
|
|
6 |
|
CLUTCH DRIVE W/ KEY (1)/(3)/(5) |
1 |
|
|
|
|
7 |
|
SHAFT LOCK NUT (1)/(3)/(5)/(6) |
1 |
|
|
|
|
8 |
|
DUST COVER (1)/(7) |
1 |
|
|
|
|
9 |
|
MACHINE SCREW (1)/(7) |
3 |
|
|
|
|
10 |
|
HIGH PRESSURE RELIEF VALVE & O-RING (1)/(4) |
1 |
|
|
|
|
10 |
|
NOTE:(NS=NOT SHOWN) |
-1 |
|
|
|
|
10 |
|
SEAL, BEARING (1)/(2) |
1 |
|
|
|
|
10 |
|
O-RING (1)/(2) |
1 |
|
|
|
|
10 |
|
RETAINING RING - COIL (1)/(3) |
1 |
|
|
|
|
10 |
EL5550
|
OIL, REFRIGERANT - 8 OZ. |
2 |
|
|
|
|
NS|16 |
|
NOTE: (1) NOT SERVICED SEPARATELY. |
-1 |
|
|
|
|
NS|17 |
|
(2) INCLUDED IN XA3357 SEAL KIT. |
-1 |
|
|
|
|
NS|18 |
|
(3) INCLUDED IN XA3365 CLUTCH & PULLEY KIT. |
-1 |
|
|
|
|
NS|19 |
|
(4) INCLUDED IN XA3351 HIGH PRESSURE RELIEF VALVE |
-1 |
|
|
|
|
NS|20 |
|
& O-RING KIT. |
-1 |
|
|
|
|
NS|21 |
|
(5) INCLUDED IN XA3354 CLUTCH DRIVER KIT. |
-1 |
|
|
|
|
NS|22 |
|
(6) INCLUDED IN XA3366 PULLEY & BEARING KIT. |
-1 |
|
|
|
|
NS|23 |
|
(7) INCLUDED IN XA3364 DUST COVER KIT. |
-1 |
|
|
|
|
NS|24 |
|
(8) REPLACEMENT OF THIS COMPONENT REQUIRES |
-1 |
|
|
|
|
NS|25 |
|
PURCHASE OF XA3357 SEAL KIT. |
-1 |
|
|