|
|
1 |
EK7086
|
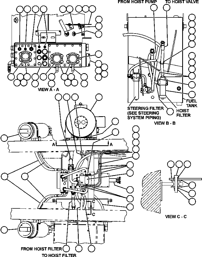
CYLINDER, HOIST (SEE FIG 55620) |
2 |
|
55620 |
|
|
2 |
EK4067
|
TANK, HYDRAULIC (SEE FIG 55621) |
1 |
|
55621 |
|
|
3 |
HA2463
|
HOSE |
2 |
|
|
|
|
4 |
HA7431
|
HOSE |
2 |
|
|
|
|
5 |
HA7340
|
HOSE |
1 |
|
|
|
|
6 |
HA7508
|
HOSE |
1 |
|
|
|
|
7 |
HA5194
|
HOSE |
1 |
|
|
|
|
8 |
HA7782
|
HOSE |
1 |
|
|
|
|
9 |
EJ1023
|
HOIST PUMP MODULE (SEE FIG 55484 & 55517) (1) |
1 |
|
55484 |
|
|
10 |
HA7339
|
HOSE |
1 |
|
|
|
|
11 |
WB0508
|
FITTING, ELBOW - 90 DEG |
3 |
|
|
|
|
12 |
HA7454
|
HOSE |
1 |
|
|
|
|
13 |
HA7695
|
HOSE |
1 |
|
|
|
|
14 |
HA4273
|
HOSE |
1 |
|
|
|
|
15 |
HA6502
|
HOSE |
3 |
|
|
|
|
16 |
PC0184
|
SHAFT, DRIVE (SEE FIG 55350) |
1 |
|
55350 |
|
|
17 |
TG2568
|
CLAMP, VINYL |
3 |
|
|
|
|
18 |
C1602
|
CAPSCREW - 3/8" - 16NC X 1" |
1 |
|
|
|
|
19 |
WA0720
|
FLAT WASHER - 3/8" |
1 |
|
|
|
|
20 |
C0312
|
LOCKWASHER - 3/8" |
1 |
|
|
|
|
21 |
C1521
|
NUT - 3/8" - 16NC |
1 |
|
|
|
|
22 |
VL9963
|
CLAMP, SPLIT |
8 |
|
|
|
|
23 |
WA0237
|
O-RING |
6 |
|
|
|
|
24 |
C1629
|
CAPSCREW - 5/8" - 11NC X 1 3/4" |
8 |
|
|
|
|
25 |
C1541
|
LOCKWASHER - 5/8" |
19 |
|
|
|
|
26 |
C1640
|
CAPSCREW - 5/8" - 11NC X 4 1/4" |
8 |
|
|
|
|
27 |
WB0581
|
FITTING, STRAIGHT |
2 |
|
|
|
|
28 |
WB0601
|
FITTING, STRAIGHT |
1 |
|
|
|
|
29 |
EK4069
|
GUARD |
1 |
|
|
|
|
30 |
MM0042
|
CAPSCREW - M10 X 1.50 X 25 |
4 |
|
|
|
|
31 |
MM0461
|
FLAT WASHER - M10 |
4 |
|
|
|
|
32 |
WB0470
|
FITTING, ELBOW - 45 DEG |
1 |
|
|
|
|
33 |
PB2717
|
PROBE, TEMP |
1 |
|
|
|
|
34 |
PB2639
|
PROBE, LEVEL |
1 |
|
|
|
|
35 |
PB3019
|
REDUCER, BAFFLED |
1 |
|
|
|
|
36 |
HA7768
|
HOSE |
1 |
|
|
|
|
37 |
PC0171
|
VALVE, SHUT-OFF - 3" |
1 |
|
|
|
|
38 |
PC0171
|
VALVE, SHUT-OFF - 3" |
1 |
|
|
|
|
39 |
HA7333
|
HOSE |
1 |
|
|
|
|
40 |
WB0585
|
FITTING, STRAIGHT |
1 |
|
|
|
|
41 |
VM0314
|
PLUG, BOSS - 3/8" |
1 |
|
|
|
|
42 |
VM0317
|
PLUG, BOSS - 3/4" |
1 |
|
|
|
|
43 |
EH1236
|
FILTER ASSEMBLY |
1 |
|
|
|
|
43 |
PB9715
|
FILTER, HI-PRESSURE (SEE INDEX) |
1 |
|
55504 |
|
|
43 |
PB7034
|
SEAL, CABLE |
2 |
|
|
|
|
43 |
PB7740
|
SLEEVE, TERMINAL |
2 |
|
|
|
|
43 |
PB7743
|
CONNECTOR, FEMALE |
1 |
|
|
|
|
44 |
TF3231
|
CLAMP, SPLIT |
6 |
|
|
|
|
45 |
WA0187
|
O-RING |
3 |
|
|
|
|
46 |
C1614
|
CAPSCREW - 1/2" - 13NC X 1 1/2" |
12 |
|
|
|
|
47 |
C1540
|
LOCKWASHER - 1/2" |
16 |
|
|
|
|
48 |
WB0996
|
FITTING, SPLIT SWIVEL |
1 |
|
|
|
|
49 |
PB6770
|
COUPLING, QUICK DISCONNECT - MALE |
1 |
|
|
|
|
50 |
EG1215
|
PLATE |
1 |
|
|
|
|
51 |
TH5601
|
CLAMP, HALF |
1 |
|
|
|
|
52 |
TH5602
|
GROMMET |
1 |
|
|
|
|
53 |
C7591
|
CAPSCREW - 1/4" - 20NC X 2" |
2 |
|
|
|
|
54 |
C5774
|
LOCKWASHER - 1/4" |
2 |
|
|
|
|
55 |
VG7000
|
MOUNT, CENTER BONDED |
3 |
|
|
|
|
56 |
C1637
|
CAPSCREW - 5/8" - 11NC X 3 3/4" |
3 |
|
|
|
|
57 |
WA0361
|
FLAT WASHER - 5/8" |
3 |
|
|
|
|
58 |
TD5915
|
WASHER (SPECIAL) |
6 |
|
|
|
|
59 |
C1525
|
NUT - 5/8" - 11NC |
3 |
|
|
|
|
60 |
PC1438
|
PLUG, FLANGE |
1 |
|
|
|
|
NS|65 |
|
NOTE: (1) NOT SOLD AS AN ASSEMBLY. |
-1 |
|
|
|
|
NS|66 |
|
ORDER INDIVIDUAL COMPONENT PARTS. |
-1 |
|
|