|
|
? |
PB9266
|
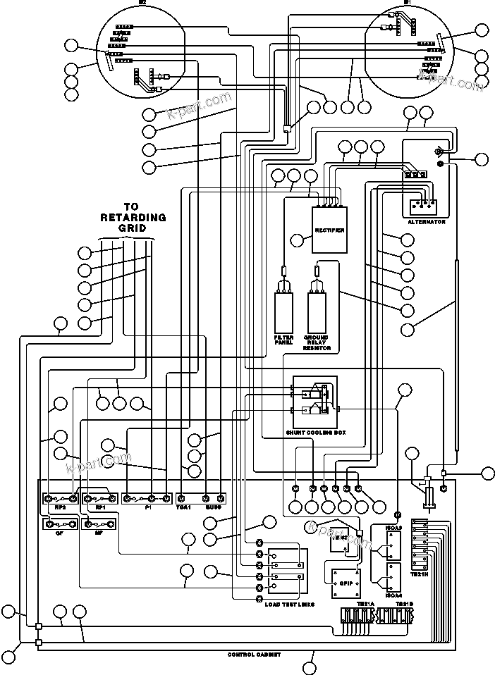
ALTERNATOR/BLOWER ASSEMBLY |
1 |
|
|
|
|
? |
PB9732
|
WHEEL, MOTORIZED DRIVE (787FS11) |
2 |
|
|
|
|
? |
VN3270
|
CAPSCREW - 1 1/4" - 7NC X 5" |
96 |
|
|
|
|
? |
WA0366
|
FLAT WASHER - 1 1/4" |
96 |
|
|
|
|
? |
TK5255
|
BAR, BUS |
2 |
|
|
|
|
? |
TG5720
|
CAPSCREW - 3/8" - 16NC X 1" |
2 |
|
|
|
|
? |
TR1376
|
CAPSCREW - 3/8" - 16NC X 1 1/4" |
2 |
|
|
|
|
? |
PB6489
|
RECTIFIER |
1 |
|
|
|
|
? |
|
CABINET, CONTROL (ORDER FROM FACTORY) |
1 |
|
|
|
|
? |
CH2531
|
CABLE - 74AF (DRIVE WHEEL TO DRIVE WHEEL) |
1 |
|
|
|
|
? |
CH2597
|
CABLE - 7J4 (MF CONTACTOR TO LEFT WHEEL MOTOR) |
1 |
|
|
|
|
? |
CH2524
|
CABLE - 7J9 (S3 SHUNT TO RIGHT WHEEL MOTOR) |
1 |
|
|
|
|
? |
ED3913
|
CABLE - G.E. CONDUIT |
1 |
|
|
|
|
? |
CH3193
|
CABLE - 7J2 (P1 CONTACTOR TO RIGHT WHEEL MOTOR) |
1 |
|
|
|
|
? |
CH2153
|
CABLE - 7J1R (CONTROL CABINET TO RIGHT WHEEL MOTOR) |
1 |
|
|
|
|
? |
CH3194
|
CABLE - 7J10 (P2 CONTACTOR TO LEFT WHEEL MOTOR) |
1 |
|
|
|
|
? |
CH2154
|
CABLE - 7J1L (CONTROL CABINET TO LEFT WHEEL MOTOR) |
1 |
|
|
|
|
? |
CH2599
|
CABLE - 74 (ALTERNATOR TO GF CONTACTOR) |
1 |
|
|
|
|
? |
CH2595
|
CABLE - 74AA (ALTERNATOR TO AFSE CONTACTOR) |
1 |
|
|
|
|
? |
CH3924
|
CABLE - T1 (ALTERNATOR TO RECTIFIER) |
1 |
|
|
|
|
? |
CH3925
|
CABLE - T2 (ALTERNATOR TO RECTIFIER) |
1 |
|
|
|
|
? |
CH3926
|
CABLE - T3 (ALTERNATOR TO RECTIFIER) |
1 |
|
|
|
|
? |
CH2596
|
CABLE - 75XX (ALTERNATOR - T15 TO MFSE PANEL) |
1 |
|
|
|
|
? |
CH2594
|
CABLE - 74D (ALTERNATOR - T14 TO S6 SHUNT |
1 |
|
|
|
|
? |
CH2593
|
CABLE - 71J (ALTERNATOR - T13 TO AFSE PANEL) |
1 |
|
|
|
|
? |
CH2591
|
CABLE - 71G (ALTERNATOR - T16 TO S7 SHUNT) |
1 |
|
|
|
|
? |
TZ9163
|
HARNESS - (GRR PANEL TO GRR CONTACTOR) |
1 |
|
|
|
|
? |
|
HARNESS - (TO ALTERNATOR - ESS) (GE SUPPLIED) |
1 |
|
|
|
|
? |
CH3940
|
CABLE - 7GA1 (CONTROL CABINET TO BLOWN GRID) |
1 |
|
|
|
|
? |
CH3941
|
CABLE - 7J2 (P1 CONTACTOR TO BLOWN GRID) |
1 |
|
|
|
|
? |
CH3938
|
CABLE - 7J8 (RP1 CONTACTOR TO BLOWN GRID) |
1 |
|
|
|
|
? |
CH3939
|
CABLE - 7J7 (RP2 CONTACTOR TO BLOWN GRID) |
1 |
|
|
|
|
? |
EB2399
|
HARNESS - 3 STEP RETARDING |
1 |
|
|
|
|
? |
EK2361
|
HARNESS - 7 STEP RETARDING |
1 |
|
|
|
|
? |
CH3197
|
CABLE - 7J1 (RP2 CONTACTOR TO LOAD TEST BOX) |
1 |
|
|
|
|
? |
CH3198
|
CABLE - 7J7 (RP2 CONTACTOR TO LOAD TEST BOX) |
1 |
|
|
|
|
? |
CH3199
|
CABLE - 7J8 (RP1 CONTACTOR TO CONTROL CABINET) |
1 |
|
|
|
|
? |
CH2156
|
CABLE - 7J1LS (CONTROL CABINET TO LOAD TEST BOX) |
1 |
|
|
|
|
? |
CH2155
|
CABLE - 7J1RS (CONTROL CABINET TO LOAD TEST BOX) |
1 |
|
|
|
|
? |
CH3911
|
CABLE - 7GA1 (RECTIFIER TO CONTROL CABINET) |
1 |
|
|
|
|
? |
CH3901
|
CABLE - 7GA2 (RECTIFIER TO P1 CONTACTOR) |
1 |
|
|
|
|
? |
|
(NOT USED THIS APPLICATION) |
-1 |
|
|
|
|
? |
|
(NOT USED THIS APPLICATION) |
-1 |
|
|
|
|
? |
EC7269
|
CABLE - (SHUNT 1 & 2 TO ISOA 3 & 4) |
1 |
|
|
|
|
? |
EC7734
|
CABLE - (RECTIFIER TO FILTER PANEL) |
1 |
|
|