|
|
? |
EB2846
|
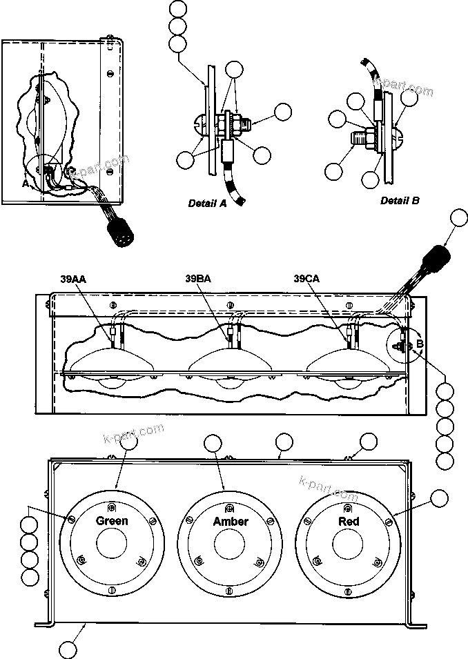
LIGHT ASSM GREEN |
1 |
|
|
|
|
? |
SR6747
|
LAMP, MINIATURE |
1 |
|
|
|
|
? |
VE8588
|
LENS, GREEN |
1 |
|
|
|
|
? |
VE8106
|
GASKET, LENS |
1 |
|
|
|
|
? |
VE8590
|
RING, RETAINER |
1 |
|
|
|
|
? |
VE8591
|
GASKET, BOWL |
1 |
|
|
|
|
? |
EB2847
|
LIGHT ASSM, AMBER |
1 |
|
|
|
|
? |
SR6747
|
LAMP, MINIATURE |
1 |
|
|
|
|
? |
VE8586
|
LENS, AMBER |
1 |
|
|
|
|
? |
VE8106
|
GASKET, LENS |
1 |
|
|
|
|
? |
VE8580
|
RING, RETAINER |
1 |
|
|
|
|
? |
VE8591
|
GASKET, BOWL |
1 |
|
|
|
|
? |
EB2848
|
LIGHT ASSM, RED |
1 |
|
|
|
|
? |
SR6747
|
LAMP, MINIATURE |
1 |
|
|
|
|
? |
VE8587
|
LENS, RED |
1 |
|
|
|
|
? |
VE8106
|
GASKET, LENS |
1 |
|
|
|
|
? |
VE8580
|
RING, RETAINER |
2 |
|
|
|
|
? |
VE8591
|
GASKET, BOWL |
1 |
|
|
|
|
? |
EB3791
|
HARNESS, INDICATOR LIGHT (1) |
1 |
|
|
|
|
? |
EF9164
|
HARNESS, INDICATOR LIGHT (2) |
1 |
|
|
|
|
? |
EB4080
|
HOUSING, INDICATOR LIGHT (1) |
1 |
|
|
|
|
? |
EC3027
|
HOUSING, INDICATOR LIGHT (2) |
-1 |
|
|
|
|
? |
HD6007
|
MACHINE SCREW - #10 - 24NC X 3/4" |
10 |
|
|
|
|
? |
DF0017
|
NUT - #10 - 24NC |
13 |
|
|
|
|
? |
DC3101
|
LOCKWASHER - #10 |
13 |
|
|
|
|
? |
VC5344
|
FLAT WASHER - #10 |
1 |
|
|
|
|
? |
EB4084
|
COVER, HOUSING (1) |
1 |
|
|
|
|
? |
EC3030
|
COVER, HOUSING (2) |
1 |
|
|
|
|
? |
WA2853
|
SHEET METAL SCREW - #12 - 24NC X 5/8" |
7 |
|
|
|
|
? |
SD4245
|
LOCKWASHER - #10 (EXTERNAL TOOTH) |
4 |
|
|
|
|
? |
SR6747
|
BULB - 24V (REPLACEMENT FOR REF. 1, 2, 3) |
1 |
|
|
|
|
? |
|
NOTE: (1) INCLUDED IN EB3789 RH PAYLOAD LIGHT ASSM |
-1 |
|
|
|
|
? |
|
(2) INCLUDED IN EF9163 LH PAYLOAD LIGHT ASSM |
-1 |
|
|
|
|
? |
|
(QUANTITIES SHOWN ARE FOR ONE ASSM.) |
-1 |
|
|