|
|
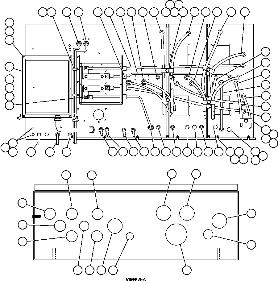
1 |
EG1406
|
JUNCTION BOX ASSM (SEE INDEX) |
1 |
|
35491 |
|
|
2 |
TD0791
|
CAPSCREW - 3/8" - 16NC X 1 1/4" |
4 |
|
|
|
|
3 |
TC1231
|
LOCKWASHER - 3/8" |
4 |
|
|
|
|
4 |
TC1233
|
NUT - 3/8" - 16NC |
4 |
|
|
|
|
5 |
VN8565
|
CLAMP |
3 |
|
|
|
|
6 |
TR4436
|
FLAT WASHER - 3/8" |
6 |
|
|
|
|
7 |
CH2550
|
CABLE - 74AA |
1 |
|
|
|
|
8 |
CH2562
|
CABLE - 71J |
1 |
|
|
|
|
9 |
CH2572
|
CABLE - 7J4 |
1 |
|
|
|
|
10 |
CH3150
|
CABLE - 7J1RS |
1 |
|
|
|
|
11 |
CH3185
|
CABLE - 7TR10 |
1 |
|
|
|
|
12 |
CH2564
|
CABLE - 74 |
1 |
|
|
|
|
13 |
CH3167
|
CABLE - 7RC5 |
1 |
|
|
|
|
14 |
ED8937
|
CLEAT, CABLE |
8 |
|
|
|
|
15 |
EB9886
|
STUD, THREADED |
4 |
|
|
|
|
16 |
MM0464
|
FLAT WASHER - M16 |
4 |
|
|
|
|
17 |
MM0474
|
LOCKWASHER - M16 |
5 |
|
|
|
|
18 |
MM0181
|
NUT - M16 X 2.00 |
5 |
|
|
|
|
19 |
CH3177
|
CABLE - 7GA2 |
1 |
|
|
|
|
20 |
CH3171
|
CABLE - 7J2 |
1 |
|
|
|
|
21 |
CH3162
|
CABLE - 7J8 |
1 |
|
|
|
|
22 |
CH3163
|
CABLE - 7J7 |
1 |
|
|
|
|
23 |
CH3170
|
CABLE - 7J1R |
1 |
|
|
|
|
24 |
CH3166
|
CABLE - 7J18 |
1 |
|
|
|
|
25 |
CH3169
|
CABLE - 7TR10 |
1 |
|
|
|
|
26 |
CH2698
|
CABLE - 7TR2 - PANTOGRAPH |
1 |
|
|
|
|
27 |
CH3155
|
CABLE - 7J30 |
1 |
|
|
|
|
28 |
CH3174
|
CABLE - 7J1L |
1 |
|
|
|
|
29 |
CH3172
|
CABLE - 7J8 |
1 |
|
|
|
|
30 |
CH3152
|
CABLE - 7J1LS |
1 |
|
|
|
|
31 |
EB9885
|
STUD, THREADED |
1 |
|
|
|
|
32 |
MM0706
|
FLAT WASHER - M16 |
1 |
|
|
|
|
33 |
CH3157
|
CABLE - 7J30 |
1 |
|
|
|
|
34 |
TG2562
|
CLAMP |
6 |
|
|
|
|
35 |
MM0460
|
FLT WASHER - M8 |
6 |
|
|
|
|
36 |
MM0470
|
LOCKWASHER - M8 |
6 |
|
|
|
|
37 |
MM0177
|
NUT - M8 X 1.25 |
6 |
|
|
|
|
38 |
CH3156
|
CABLE - 7GA1 - TO BLOWN GRID |
1 |
|
|
|
|
39 |
CH3173
|
CABLE - 7GA1 - TO LH WHEEL MOTOR |
1 |
|
|
|
|
40 |
CH3176
|
CABLE - 7GA1 - TO RECTIFIER |
1 |
|
|
|
|
41 |
CH3159
|
CABLE - 7RC4 |
1 |
|
|
|
|
42 |
CH3158
|
CABLE - 7RC6 |
1 |
|
|
|
|
43 |
CH3175
|
CABLE - 7TR9 |
1 |
|
|
|
|
44 |
CH3129
|
CABLE - 7TR2 - PANTOGRAPH |
1 |
|
|
|
|
45 |
CH3184
|
CABLE - 7TR9 |
1 |
|
|
|
|
46 |
CH2560
|
CABLE - 7J9 |
1 |
|
|
|
|
47 |
CH2541
|
CABLE - 71G |
1 |
|
|
|
|
48 |
CH2563
|
CABLE - 74D |
1 |
|
|
|
|
49 |
CH2561
|
CABLE - 75X |
1 |
|
|
|
|
50 |
VC1387
|
CAPSCREW - 1/2" - 13NC X 1" |
4 |
|
|
|
|
51 |
TR5445
|
LOCKWASHER - 1/2" |
4 |
|
|
|
|
52 |
TR6008
|
FLAT WASHER - 1/2" |
4 |
|
|
|
|
53 |
TR6643
|
NUT - 1/2" - 13NC |
4 |
|
|
|
|
54 |
EG1412
|
HARNESS - ERR |
1 |
|
|
|
|
55 |
ED3913
|
CABLE, CONDUIT (WHEEL SPEED & TEMP SENSOR WIRING) |
1 |
|
|
|
|
56 |
EG1411
|
CABLE - DTS |
1 |
|
|
|
|
57 |
VG4399
|
BUSHING, CONDULET |
1 |
|
|
|
|
58 |
VM5587
|
LOCKNUT |
1 |
|
|
|
|
59 |
VM5736
|
GRIP, CORD |
1 |
|
|
|
|
60 |
EG1418
|
HARNESS - LH DECK |
1 |
|
|
|
|
61 |
EG1417
|
HARNESS - RH DECK |
1 |
|
|
|
|
62 |
EG1414
|
HARNESS - LH FRAME RAIL |
1 |
|
|
|
|
63 |
EG1421
|
HARNESS - RH FRAME RAIL |
1 |
|
|
|
|
64 |
VW4875
|
BUTTON, PLUG |
1 |
|
|
|
|
65 |
EF8495
|
HARNESS - P229 CAB POWER |
1 |
|
|
|
|
66 |
EG1413
|
HARNESS - JUNCTION BOX INTERFACE |
1 |
|
|
|
|
67 |
EG0008
|
HARNESS - ACCUMULATOR PRESSURE SWITCH |
1 |
|
|
|
|
68 |
EF8497
|
HARNESS - P218 CAB INTERFACE |
1 |
|
|
|
|
69 |
EG2433
|
HARNESS - CAB/SYSTEM DIAGNOSTIC |
1 |
|
|
|
|
70 |
EF8498
|
HARNESS - P233 CAB INTERFACE |
1 |
|
|
|
|
71 |
EF7368
|
HARNESS - ENGINE |
1 |
|
|
|
|
72 |
EF8492
|
HARNESS - BRAKE CABINET TO JUNCTION BOX |
1 |
|
|
|
|
73 |
ED5414
|
HARNESS - ENGINE/CONTROL CABINET |
1 |
|
|