|
|
? |
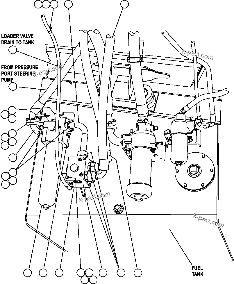
HA7723
|
HOSE |
1 |
|
|
|
|
? |
WB0603
|
FITTING, 37 DEG FLARE, STRAIGHT ADAPTER |
3 |
|
|
|
|
? |
C5754
|
CAPSCREW - 3/8" - 16NC X 5 1/2" |
2 |
|
|
|
|
? |
C0312
|
LOCKWASHER - 3/8" |
4 |
|
|
|
|
? |
TF6925
|
CLAMP, VINYL - 3/4" |
1 |
|
|
|
|
? |
PC0243
|
VALVE, UPLOADER (SEE INDEX) |
1 |
|
55512 |
|
|
? |
HA3069
|
HOSE |
1 |
|
|
|
|
? |
WB0580
|
FITTING, 37 DEG FLARE, STRAIGHT ADAPTER |
1 |
|
|
|
|
? |
PB6770
|
COUPLING, QUICK DISCONNECT - MALE |
1 |
|
|
|
|
? |
162144
|
CAP, DUST |
1 |
|
|
|
|
? |
PB5862
|
COUPLING, MALE QUICK DISCONNECT |
1 |
|
|
|
|
? |
TF5194
|
O-RING |
1 |
|
|
|
|
? |
EH1235
|
FILTER ASSEMBLY |
1 |
|
|
|
|
? |
PB9666
|
FILTER, HIGH PRESSURE (SEE INDEX) |
1 |
|
55039 |
|
|
? |
PB7034
|
SEAL, CABLE |
2 |
|
|
|
|
? |
PB7740
|
SLEEVE, TERMINAL |
2 |
|
|
|
|
? |
PB7743
|
CONNECTOR, FEMALE |
1 |
|
|
|
|
? |
WA0360
|
FLAT WASHER - 1/2" |
3 |
|
|
|
|
? |
C1613
|
CAPSCREW - 1/2" - 13NC X 1 1/4" |
3 |
|
|
|
|
? |
C1540
|
LOCKWASHER - 1/2" |
15 |
|
|
|
|
? |
TF8090
|
CLAMP, SPLIT FLANGE - 1 1/2" |
6 |
|
|
|
|
? |
C1614
|
CAPSCREW - 1/2" - 13NC X 1 1/2" |
12 |
|
|
|
|
? |
VG9095
|
O-RING |
3 |
|
|
|
|
? |
WB0993
|
FLANGE, SPLIT SWIVEL |
1 |
|
|
|
|
? |
HA7608
|
HOSE |
1 |
|
|
|
|
? |
EH8338
|
TUBE |
1 |
|
|
|
|
? |
C1521
|
NUT - 3/8" - 16NC |
1 |
|
|
|
|
? |
WA0386
|
NUT - 3/8" - 16NC |
2 |
|
|
|
|
? |
EL7354
|
WASHER, SPECIAL |
2 |
|
|
|
|
? |
HA7695
|
HOSE |
1 |
|
|