|
|
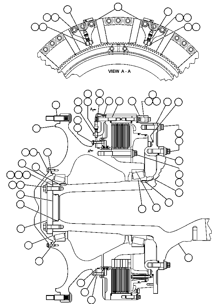
1 |
EG7692
|
HUB, WHEEL |
1 |
|
|
|
|
2 |
EH0826
|
STUD - HEADED |
57 |
|
|
|
|
3 |
EG7697
|
COVER |
1 |
|
|
|
|
4 |
C1540
|
LOCKWASHER - 1/2" |
12 |
|
|
|
|
5 |
C1614
|
CAPSCREW - 1/2" - 13NC X 1 1/2" |
12 |
|
|
|
|
6 |
EH5304
|
O-RING (1) |
1 |
|
|
|
|
7 |
ED3769
|
SHIM - .005 (1) |
3 |
|
|
|
|
8 |
ED3770
|
SHIM - .007 (1) |
4 |
|
|
|
|
9 |
ED3771
|
SHIM - .020 (1) |
6 |
|
|
|
|
10 |
TY2148
|
FLAT WASHER - 1" (HARDENED) |
8 |
|
|
|
|
11 |
VM8258
|
CAPSCREW - 1" - 8NC X 3 3/4" - G8 |
8 |
|
|
|
|
12 |
EG7699
|
RETAINER, BEARING |
1 |
|
|
|
|
13 |
ED3768
|
CAP, SPINDLE |
1 |
|
|
|
|
14 |
EH5322
|
O-RING (1) |
1 |
|
|
|
|
15 |
PC0521
|
CUP, ROLLER (TAPERED) (1) |
1 |
|
|
|
|
16 |
PC0520
|
CONE, ROLLER (TAPERED) (1) |
1 |
|
|
|
|
17 |
EH5301
|
O-RING (1) |
1 |
|
|
|
|
18 |
ED3755
|
SHIM (1) |
30 |
|
|
|
|
19 |
ED4887
|
GEAR, SPEED SENSOR |
1 |
|
|
|
|
20 |
WA0360
|
FLAT WASHER - 1/2" (HARDENED) |
12 |
|
|
|
|
21 |
VN9095
|
CAPSCREW - 1/2" - 13NC X 2 3/4" - G8 |
12 |
|
|
|
|
22 |
VN9055
|
CAPSCREW - 3/8" - 16NC X 1 3/4" - G8 |
1 |
|
|
|
|
23 |
HE5611
|
LOCKNUT - 3/8" - G8 |
1 |
|
|
|
|
24 |
PB9889
|
SENSOR, SPEED |
1 |
|
|
|
|
25 |
WA5659
|
FLAT WASHER - (HARDENED) SPECIAL |
2 |
|
|
|
|
26 |
WA0961
|
CAPSCREW - 7/8" - 9NC X 5" (12 PNT) - G9 |
2 |
|
|
|
|
27 |
EG0588
|
MOUNT, SENSOR |
1 |
|
|
|
|
28 |
EH7185
|
FRONT BRAKE ASSEMBLY (SEE FIG 60001) |
1 |
|
60001 |
|
|
29 |
ED3775
|
ADAPTOR, BRAKE |
1 |
|
|
|
|
30 |
TY2149
|
FLAT WASHER, (HARDENED) |
89 |
|
|
|
|
31 |
WA5669
|
CAPSCREW (12 PNT) |
57 |
|
|
|
|
32 |
WA5660
|
CAPSCREW (12 PNT) |
32 |
|
|
|
|
33 |
EG7689
|
O-RING (1) |
1 |
|
|
|
|
34 |
EH5303
|
O-RING (1) |
1 |
|
|
|
|
35 |
PC0002
|
CUP-ROLLER (TAPERED) (1) |
1 |
|
|
|
|
36 |
PB9996
|
CONE - ROLLER (TAPERED) (1) |
1 |
|
|
|
|
37 |
ED3772
|
SPACER, BEARING |
1 |
|
|
|
|
38 |
EG7694
|
SPINDLE |
1 |
|
|
|
|
39 |
PB8964
|
SENSOR, SPEED - L.H. ONLY |
1 |
|
|
|
|
40 |
EG1768
|
BRACKET, L.H. REQUIRES 2 ONLY |
1 |
|
|
|
|
41 |
EG0667
|
HARNESS, SPEED SENSOR (PB8964) - L.H. ONLY |
1 |
|
|
|
|
41 |
EG0657
|
HARNESS, SPEED SENSOR (PB9889) |
1 |
|
|
|
|
42 |
SM2117
|
PLATE, NUT CONNECTOR |
2 |
|
|
|
|
43 |
WA5642
|
MACHINE SCREW |
8 |
|
|
|
|
44 |
5622232290
|
PIN |
2 |
|
|
|
|
NS|46 |
AK4320
|
NOTE: (1) INCLUDED IN AK4320 BEARING KIT. |
-1 |
|
|