|
|
? |
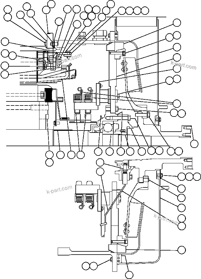
VE3027
|
FLAT WASHER - 3/8" |
-1 |
|
|
|
|
? |
VE4500
|
CAPSCREW - 3/8" - 16NC X 1 3/4" |
12 |
|
|
|
|
? |
VS7492
|
SEALER |
-1 |
|
|
|
|
? |
GE0332
|
HOUSING, INLET |
1 |
|
|
|
|
? |
GE0334
|
TAPE |
-1 |
|
|
|
|
? |
VS7397
|
TYRAP |
-1 |
|
|
|
|
? |
VE3620
|
PIN |
1 |
|
|
|
|
? |
TC1234
|
CAPSCREW - 3/8" - 16NC X 3/4" |
4 |
|
|
|
|
? |
VE4687
|
LOCKWASHER - 3/8" |
4 |
|
|
|
|
? |
VE4515
|
FLAT WASHER - 3/8" |
4 |
|
|
|
|
? |
GE0333
|
BAFFLE |
1 |
|
|
|
|
? |
GE0328
|
CABLE, MAGNETIC PICK-UP |
1 |
|
|
|
|
? |
VJ0972
|
MAGNETIC, PICK-UP |
1 |
|
|
|
|
? |
VJ6365
|
HUB, SPEED SENSOR |
1 |
|
|
|
|
? |
VE3039
|
CAP, BEARING |
1 |
|
|
|
|
? |
VE5184
|
FLAT WASHER - 5/8" |
12 |
|
|
|
|
? |
C1633
|
CAPSCREW - 5/8" - 11NC X 2 3/4" |
6 |
|
|
|
|
? |
GE0315
|
HUB |
1 |
|
|
|
|
? |
VE5185
|
FLAT WASHER - 1/2" |
-1 |
|
|
|
|
? |
VE4999
|
CAPSCREW - 1/2" - 13NC X 2" |
12 |
|
|
|
|
? |
VE4248
|
GASKET |
1 |
|
|
|
|
? |
VJ7100
|
CAPSCREW - 5/8" - 11NC X 1 3/4" |
6 |
|
|
|
|
? |
C1631
|
CAPSCREW - 5/8" - 11NC X 2 1/4" |
6 |
|
|
|
|
? |
VE4631
|
FLAT WASHER - 5/8" |
6 |
|
|
|
|
? |
VJ1024
|
HOLDER, BRUSH (SEE FIG 64133D) |
6 |
|
64133D |
|
|
? |
VE3042
|
IMPELLER |
1 |
|
|
|
|
? |
VE5000
|
CAPSCREW - 3/8" - 16NC X 2 1/4" (SOCKET HEAD/SELF LOCKING) |
8 |
|
|
|
|
? |
VE4997
|
BAFFLE |
1 |
|
|
|
|
? |
VJ1028
|
SUPPORT, BRUSH |
6 |
|
|
|
|
? |
GE0331
|
HEAD, FRAME |
1 |
|
|
|
|
? |
GE0461
|
PUTTY |
-1 |
|
|
|
|
? |
VE4334
|
TAPE, GLASS |
-1 |
|
|
|
|
? |
VE4335
|
TAPE, FIBERGLASS |
-1 |
|
|
|
|
? |
VE3915
|
VARNISH |
-1 |
|
|
|
|
? |
GE0319
|
RING, BUS - INSULATED |
1 |
|
|
|
|
? |
GE0316
|
RING, BUS - INSULATED |
1 |
|
|
|
|
? |
VJ2743
|
ROLLPIN |
1 |
|
|
|
|
? |
VE4696
|
FLAT WASHER - 5/16" |
2 |
|
|
|
|
? |
VE5185
|
FLAT WASHER - 1/2" |
20 |
|
|
|
|
? |
GE0460
|
CLAMP, TERMINAL - 2 PIECE |
1 |
|
|
|
|
? |
BF0542
|
CLAMP, PLATE TERMINAL |
1 |
|
|
|
|
? |
GE0458
|
CABLE ASSEMBLY |
3 |
|
|
|
|
? |
BF0453
|
CAPSCREW - 5/16" - 18NC X 2 1/2" |
2 |
|
|
|
|
? |
VE4489
|
CAPSCREW - 1/2" - 13NC X 1 1/4" |
8 |
|
|
|
|
? |
VE2753
|
BRACKET |
7 |
|
|
|
|
? |
GE0317
|
RING, BUS - INSULATED |
1 |
|
|
|
|
? |
VE4542
|
CAPSCREW - 1/2" - 13NC X 1" |
28 |
|
|
|
|
? |
VE7272
|
SEALANT |
-1 |
|
|
|
|
? |
GE0322
|
KIT, TERTIARY |
1 |
|
|
|
|
? |
GE0318
|
RING, BUS - INSULATED |
1 |
|
|
|
|
? |
VE8444
|
BRUSH, CARBON |
6 |
|
|
|
|
? |
VE3621
|
HOUSING, BEARING |
1 |
|
|
|
|
? |
VJ1071
|
WEIGHT, BALANCE |
-1 |
|
|
|
|
? |
VS8253
|
WEIGHT |
-1 |
|
|
|
|
? |
BF1480
|
COLLECTOR ASSEMBLY |
1 |
|
|
|
|
? |
VJ2178
|
BEARING ASSEMBLY |
1 |
|
|
|
|
? |
VE5185
|
FLAT WASHER - 1/2" |
28 |
|
|
|
|
? |
GE0459
|
JUMPER, ONE HOLE |
3 |
|
|
|
|
? |
VE4648
|
FLAT WASHER |
6 |
|
|
|
|
? |
VE4626
|
NUT |
3 |
|
|
|
|
? |
VE4641
|
CAPSCREW |
3 |
|
|