Search in all models by partnumber
Search current book

Komatsu AFE50-AJ 830E S/N A30644-A30645 ANTELOPE COAL parts catalog PDF

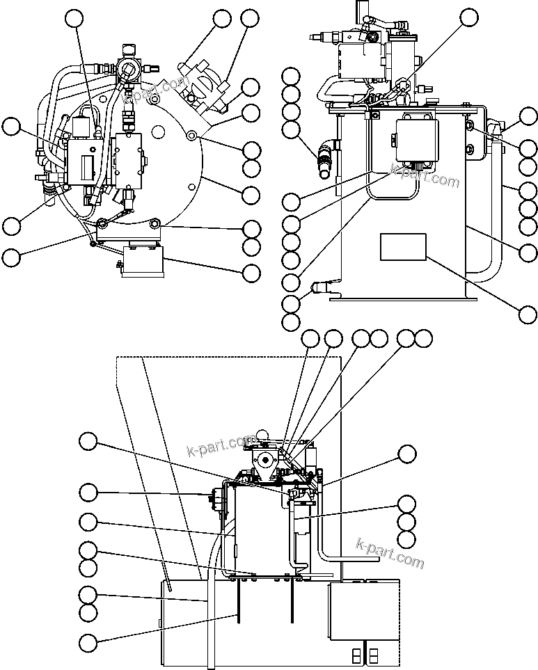
AUTOMATIC LUBRICATION SYSTEM (41601) in AFE50-AJ 830E S/N A30644-A30645 ANTELOPE COAL. Diagram image and parts list.

Model manual types and quick links