|
|
? |
|
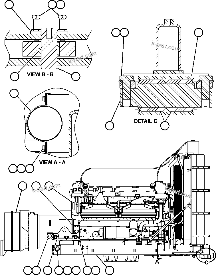
ENGINE - QSK60 (ORDER FROM FACTORY) |
1 |
|
|
|
|
? |
PB9658
|
ALTERNATOR / BLOWER ASSEMBLY (SEE INDEX) |
1 |
|
64087A |
|
|
? |
TJ5933
|
ADAPTOR ASSEMBLY |
1 |
|
|
|
|
? |
TM3466
|
SHIM |
4 |
|
|
|
|
? |
TM3467
|
SHIM |
4 |
|
|
|
|
? |
TM3468
|
SHIM |
4 |
|
|
|
|
? |
TM3469
|
SHIM |
4 |
|
|
|
|
? |
TW6616
|
SHIM |
12 |
|
|
|
|
? |
VN9087
|
CAPSCREW - 5/8" - 11NC X 2 1/2" |
12 |
|
|
|
|
? |
VW5737
|
CAPSCREW - 5/8" - 11NC X 2" (DRILLED HEAD) |
16 |
|
|
|
|
? |
WA0361
|
FLAT WASHER - 5/8" (HARDENED) |
28 |
|
|
|
|
? |
EH4070
|
SUB-FRAME |
1 |
|
|
|
|
? |
EH4055
|
CRADLE - R.H. |
1 |
|
|
|
|
? |
EH4056
|
CRADLE - L.H. |
1 |
|
|
|
|
? |
VN9079
|
CAPSCREW - 1" - 8NC X 2 1/4" |
8 |
|
|
|
|
? |
C1544
|
LOCKWASHER - 1" |
8 |
|
|
|
|
? |
MM0075
|
CAPSCREW - M20 X 2.50 X 60 |
14 |
|
|
|
|
? |
MM0475
|
LOCKWASHER - M20 |
14 |
|
|
|
|
? |
VM6531
|
CAP, ENGINE MOUNTING |
2 |
|
|
|
|
? |
VM3891
|
BUSHING, RUBBER |
4 |
|
|
|
|
? |
E4477
|
CAPSCREW - 3/4" - 10NC X 1 3/8" (TAPER HEAD) |
12 |
|
|
|
|
? |
EH3176
|
PLATE, BENT |
1 |
|
|
|
|
? |
TC1234
|
CAPSCREW - 3/8" - 16NC X 3/4" |
2 |
|
|
|
|
? |
TR4436
|
FLAT WASHER - 3/8" |
2 |
|
|
|
|
? |
TC1231
|
LOCKWASHER - 3/8" |
2 |
|
|
|
|
? |
TN1019
|
PIN |
2 |
|
|
|
|
? |
PB4177
|
RACE, INNER |
2 |
|
|
|
|
? |
TN1018
|
PLATE |
2 |
|
|
|
|
? |
VW2236
|
SETSCREW, HALF DOG |
4 |
|
|
|
|
? |
E5222
|
JAMNUT |
4 |
|
|
|
|
? |
TY8058
|
PIVOT, ENGINE |
1 |
|
|
|
|
? |
TY8055
|
PIN, PIVOT |
1 |
|
|
|
|
? |
C5542
|
CAPSCREW - 1 1/4" - 7NC X 3" |
2 |
|
|
|
|
? |
WA0366
|
FLAT WASHER - 1 1/4" |
2 |
|
|
|
|
? |
|
NOTE: NS = NOT SHOWN |
-1 |
|
|
|
|
? |
BF4992
|
ELEMENT, ENGINE OIL FILTER |
4 |
|
|
|
|
? |
BF4803
|
ELEMENT, FUEL FILTER |
3 |
|
|
|
|
? |
BF1714
|
ELEMENT, WATER CORROSION RESISTOR |
2 |
|
|