|
|
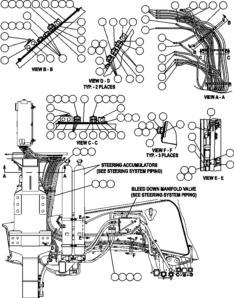
1 |
EJ3118
|
SHIELD |
1 |
|
|
|
|
2 |
MM0605
|
CAPSCREW - M10 X 1.50 X 25 |
12 |
|
|
|
|
3 |
MM0461
|
FLAT WASHER - M10 |
8 |
|
|
|
|
4 |
EJ3119
|
SHIELD |
1 |
|
|
|
|
5 |
HA7923
|
HOSE (BRAKE RETURN) |
1 |
|
|
|
|
6 |
HA7420
|
HOSE (REAR BRAKE RELAY VALVE PRESSURE) |
1 |
|
|
|
|
7 |
HA7857
|
HOSE (REAR BRAKE ACCUMULATOR) |
1 |
|
|
|
|
8 |
HA7995
|
HOSE (FRONT BRAKE ACCUMULATOR) |
1 |
|
|
|
|
9 |
HA7422
|
HOSE (PARKING BRAKE) |
1 |
|
|
|
|
10 |
HA6773
|
HOSE (STEERING VALVE PORTS L,P,R & T) |
4 |
|
|
|
|
11 |
HA7461
|
HOSE (STEERING VALVE PORT LS) |
1 |
|
|
|
|
12 |
HA6722
|
HOSE (BRAKE SUPPLY) |
1 |
|
|
|
|
13 |
HA7922
|
HOSE (HOIST PILOT VALVE RETURN) |
1 |
|
|
|
|
14 |
HA7785
|
HOSE (REAR BRAKE RELAY VALVE SIGNAL) |
1 |
|
|
|
|
15 |
HA7073
|
HOSE (LEFT FRONT BRAKE APPLICATION) |
1 |
|
|
|
|
16 |
HA7681
|
HOSE (RIGHT FRONT BRAKE APPLICATION) |
1 |
|
|
|
|
17 |
HA7921
|
HOSE (HOIST PILOT POWER UP AND POWER DOWN) |
2 |
|
|
|
|
18 |
HA7833
|
HOSE (HOIST PILOT VALVE SUPPLY) |
1 |
|
|
|
|
19 |
EK2530
|
BRACKET |
1 |
|
|
|
|
20 |
MM0713
|
FLAT WASHER - M10 (HARDENED) |
4 |
|
|
|
|
21 |
MM0178
|
NUT - M10 X 1.50 |
4 |
|
|
|
|
22 |
EJ5592
|
CLAMP ASSEMBLY |
7 |
|
|
|
|
23 |
EJ3891
|
CLAMP ASSEMBLY |
30 |
|
|
|
|
24 |
EJ3892
|
ROD, THREADED |
15 |
|
|
|
|
25 |
MM0459
|
FLAT WASHER - M6 |
15 |
|
|
|
|
26 |
MM0176
|
NUT - M6 X 1.00 |
15 |
|
|
|
|
27 |
TF6925
|
CLAMP, VINYL - 3/4" I.D. |
2 |
|
|
|
|
28 |
EJ9746
|
CLAMP ASSEMBLY |
2 |
|
|
|
|
29 |
EJ5589
|
BRACKET |
1 |
|
|
|
|
30 |
EK2227
|
CLAMP ASSEMBLY |
5 |
|
|