|
|
? |
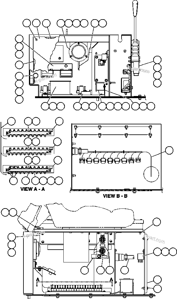
MM0595
|
CAPSCREW - M8 X 1.25 X 30 |
2 |
|
|
|
|
? |
MM0470
|
LOCKWASHER - M8 |
2 |
|
|
|
|
? |
MM0581
|
CAPSCREW - M6 X 1.00 X 16 |
3 |
|
|
|
|
? |
TY7202
|
BRACKET, RELAY |
1 |
|
|
|
|
? |
MM0355
|
MACHINE SCREW - M6 X 1.00 X 8 |
2 |
|
|
|
|
? |
MM0206
|
LOCKWASHER - M5 (INTERNAL TOOTH) |
2 |
|
|
|
|
? |
WA3597
|
CAPSCREW - 5/16" - 18NC X 2 1/4" |
2 |
|
|
|
|
? |
PB4767
|
RELAY |
1 |
|
|
|
|
? |
MM0347
|
MACHINE SCREW - M5 X 0.8 X 8 |
1 |
|
|
|
|
? |
SM2174
|
COVER, FRONT |
1 |
|
|
|
|
? |
PB8658
|
SCREW, PANEL - M6 X 1.00 |
6 |
|
|
|
|
? |
WB2322
|
PLATE, NAME - R/P230 |
1 |
|
|
|
|
? |
|
(NOT USED THIS APPLICATION) |
-1 |
|
|
|
|
? |
WB2323
|
PLATE, NAME - R/P 231 |
1 |
|
|
|
|
? |
TR9441
|
CLAMP, VINYL - 1 1/4" I.D. |
2 |
|
|
|
|
? |
EH7497
|
HARNESS, BUDDY SEAT AREA |
1 |
|
|
|
|
? |
WB2326
|
STRIP, CIRCUIT I.D. |
1 |
|
|
|
|
? |
VM2951
|
SCREW, SELF-TAPPING - #6 - 32NC X 5/16" |
6 |
|
|
|
|
? |
WB2321
|
PLATE, NAME - TB13 |
1 |
|
|
|
|
? |
TZ7317
|
PLATE, NAME - TB12 |
1 |
|
|
|
|
? |
TZ7316
|
PLATE, NAME - TB11 |
1 |
|
|
|
|
? |
WB2325
|
STRIP, CIRCUIT I.D. |
1 |
|
|
|
|
? |
WB2324
|
STRIP, CIRCUIT I.D. |
1 |
|
|
|
|
? |
VS8193
|
BOARD, TERMINAL |
3 |
|
|
|
|
? |
TG1929
|
MACHINE SCREW - #10 - 24NC X 1/2" |
6 |
|
|
|
|
? |
DC3101
|
LOCKWASHER - #10 - 24NC X 3/8" |
11 |
|
|
|
|
? |
VC5344
|
FLAT WASHER - #10 |
6 |
|
|
|
|
? |
WA3367
|
NUT ASSEMBLY |
60 |
|
|
|
|
? |
EB7418
|
BUS BAR |
3 |
|
|
|
|
? |
MM0027
|
CAPSCREW - M6 X 1.00 X 25 |
8 |
|
|
|
|
? |
MM0469
|
LOCKWASHER - M6 |
8 |
|
|
|
|
? |
MM0207
|
LOCKWASHER - M6 (INTERNAL TOOTH) |
2 |
|
|
|
|
? |
DL6702
|
CONTACTOR |
1 |
|
|
|
|
? |
DF0017
|
NUT - #10 - 24NC |
2 |
|
|
|
|
? |
SC4174
|
LOCKWASHER - 5/16" |
2 |
|
|
|
|
? |
TD1684
|
NUT - 5/16" - 18NC |
2 |
|
|
|
|
? |
TR9441
|
CLAMP, VINYL - 1 1/4" I.D. |
2 |
|
|
|
|
? |
MM0349
|
MACHINE SCREW - M5 X 0.8 X 12 |
2 |
|
|
|
|
? |
DC3584
|
LOCKWASHER - 1/4" |
2 |
|
|
|
|
? |
SP8417
|
FLAT WASHER - 1/4" |
2 |
|
|
|
|
? |
SM4374
|
PLATE, CONNECTOR |
1 |
|
|
|
|
? |
MM0002
|
CAPSCREW - M8 X 1.25 X 12 |
2 |
|
|
|
|
? |
MM0208
|
LOCKWASHER - M8 (INTERNAL TOOTH) |
2 |
|
|
|
|
? |
FB5170
|
TAIL LIGHT RESISTOR DIODE ASSEMBLY |
1 |
|
|
|
|
? |
AK7557
|
RESISTOR/DIODE UNIT - 24 V |
2 |
|
|
|
|
? |
C5747
|
CAPSCREW - 5/16" - 18NC X 3/4" |
4 |
|
|
|
|
? |
C1538
|
LOCKWASHER - 5/16" |
4 |
|
|
|
|
? |
C1520
|
NUT - 5/16" - 18NC |
4 |
|
|
|
|
? |
TS0753
|
BRACKET |
1 |
|
|
|
|
? |
SM2219
|
SEAL STRIP |
2 |
|
|
|
|
? |
PC0337
|
TIMER - 24V |
1 |
|
|
|
|
? |
MM0341
|
MACHINE SCREW - M4 X 0.7 X 10 |
4 |
|
|
|
|
? |
MM0205
|
LOCKWASHER - M4 (INTERNAL TOOTH) |
4 |
|
|
|
|
? |
PB6963
|
TIMER |
1 |
|
|
|
|
? |
MM0352
|
MACHINE SCREW - M5 X 0.8 X 25 |
1 |
|
|
|
|
? |
SM2220
|
SEAL STRIP |
2 |
|
|
|
|
? |
VS0035
|
LIGHT, DOME |
1 |
|
|
|
|
? |
SR6747
|
BULB |
1 |
|
|
|
|
? |
VF2231
|
MACHINE SCREW - #10 - 24NC X 3/8" |
5 |
|
|
|
|
? |
DL4172
|
SLEEVE, INSULATING |
1 |
|
|
|
|
? |
SF9896
|
KNIFE, DISCONNECT - 14-16 AWG |
1 |
|
|
|
|
? |
PB6893
|
VALVE, CONTROL REMOTE |
1 |
|
|
|
|
? |
|
NOTE: NS = NOT SHOWN |
-1 |
|
|
|
|
? |
TS0299
|
RESISTOR |
2 |
|
|
|
|
? |
TY7846
|
HOUSING, RESISTOR |
1 |
|
|
|
|
? |
TZ0951
|
HOUSING, RESISTOR (LEVEL) |
1 |
|
|