|
|
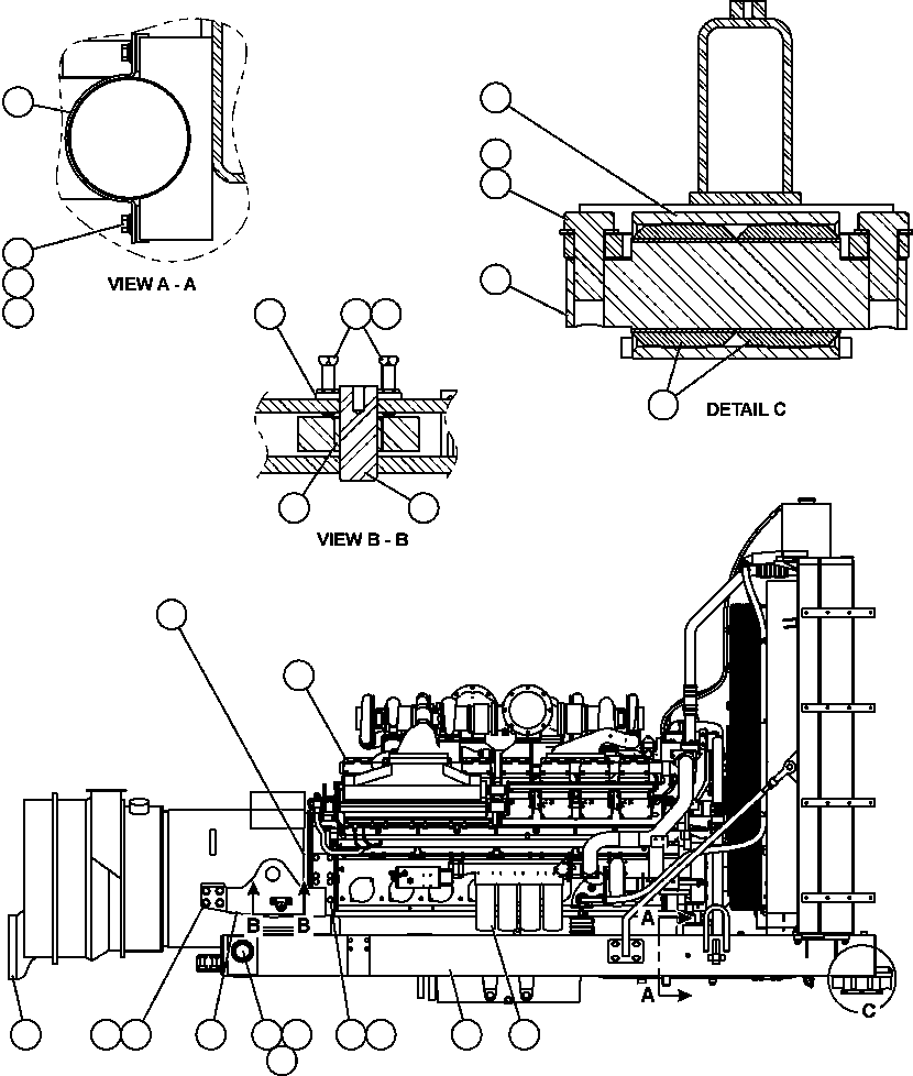
1 |
|
ENGINE |
1 |
|
|
|
|
2 |
PB9658
|
ALTERNATOR/BLOWER ASSEMBLY (SEE INDEX) |
1 |
|
64087A |
|
|
3 |
TJ5933
|
ADAPTER ASSEMBLY |
1 |
|
|
|
|
3 |
TM3466
|
SHIM - 1/250" |
4 |
|
|
|
|
3 |
TM3467
|
SHIM - 1/250" |
4 |
|
|
|
|
3 |
TM3468
|
SHIM - 1/143" |
4 |
|
|
|
|
3 |
TM3469
|
SHIM - 1/143" |
4 |
|
|
|
|
3 |
TW6616
|
SHIM - 1/100" |
12 |
|
|
|
|
3 |
VN9087
|
CAPSCREW - 5/8" - 11NC X 2 1/2" |
12 |
|
|
|
|
3 |
VW5737
|
CAPSCREW - 5/8" - 11NC X 2" (DRILLED HEAD) |
16 |
|
|
|
|
3 |
WA0361
|
FLAT WASHER - 5/8" (HARDENED) |
28 |
|
|
|
|
4 |
EM3691
|
SUB-FRAME |
1 |
|
|
|
|
5 |
EH4055
|
CRADLE - R.H. |
1 |
|
|
|
|
5 |
EH4056
|
CRADLE - L.H. |
1 |
|
|
|
|
6 |
VN9079
|
CAPSCREW - 1" - 8NC X 2 1/4" |
8 |
|
|
|
|
7 |
C1544
|
LOCKWASHER - 1" |
8 |
|
|
|
|
8 |
MM0075
|
CAPSCREW - M20 X 2.50 X 60 |
14 |
|
|
|
|
9 |
MM0475
|
LOCKWASHER - M20 |
16 |
|
|
|
|
10 |
VM6531
|
CAP, ENGINE MOUNTING |
2 |
|
|
|
|
11 |
VM3891
|
BUSHING, RUBBER |
4 |
|
|
|
|
12 |
E4477
|
CAPSCREW - 3/4" - 10NC X 1 3/8" (TAPER HEAD) |
12 |
|
|
|
|
13 |
EH3176
|
PLATE, BENT |
2 |
|
|
|
|
14 |
TC1234
|
CAPSCREW - 3/8" - 16NC X 3/4" |
2 |
|
|
|
|
15 |
TR4436
|
FLAT WASHER - 3/8" |
2 |
|
|
|
|
16 |
TC1231
|
LOCKWASHER - 3/8" |
2 |
|
|
|
|
17 |
TN1019
|
PIN |
2 |
|
|
|
|
18 |
PB4177
|
RACE, INNER |
2 |
|
|
|
|
19 |
TN1018
|
PLATE |
2 |
|
|
|
|
20 |
VW2236
|
SETSCREW, HALF DOG |
4 |
|
|
|
|
21 |
E5222
|
JAM NUT - 3/4" - 10NC |
4 |
|
|
|
|
22 |
TY8058
|
PIVOT, ENGINE |
1 |
|
|
|
|
23 |
TY8055
|
PIN, PIVOT |
1 |
|
|
|
|
23 |
EB8444
|
COVER, TRUNNION |
1 |
|
|
|
|
23 |
C1645
|
CAPSCREW - 3/4" - 10NC X 2 1/4" |
6 |
|
|
|
|
23 |
C1542
|
LOCKWASHER - 3/4" |
6 |
|
|
|
|
24 |
C5542
|
CAPSCREW - 1 1/4" - 7NC X 3" |
2 |
|
|
|
|
25 |
WA0366
|
FLAT WASHER - 1 1/4" (HARDENED) |
2 |
|
|
|
|
26 |
BF5209
|
ELEMENT, ENGINE LUBE OIL FILTER |
4 |
|
|
|
|
NS|39 |
|
NOTE: NS = NOT SHOWN |
-1 |
|
|
|
|
NS|40 |
BF4803
|
ELEMENT, FUEL FILTER |
3 |
|
|
|
|
NS|41 |
XA2134
|
ELEMENT, WATER CORROSION RESISTOR |
2 |
|
|