|
|
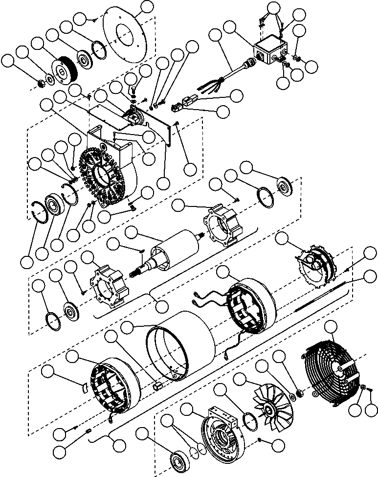
1 |
BF4962
|
LOCKNUT - 5/8" - 18NF (2)/(3) |
1 |
|
|
|
|
2 |
BF4963
|
WASHER, BELLEVILLE (2)/(3) |
1 |
|
|
|
|
3 |
|
PULLEY (1) |
1 |
|
|
|
|
4 |
BF4957
|
BUSHING, PULLEY |
1 |
|
|
|
|
5 |
BF4864
|
RING, RETAINING (3) |
2 |
|
|
|
|
6 |
BF1970
|
PLATE, COVER |
1 |
|
|
|
|
7 |
BF1989
|
RING, RETAINING - BEVELED (2)/(3) |
1 |
|
|
|
|
8 |
BF4865
|
BEARING, FRONT |
1 |
|
|
|
|
9 |
BF1988
|
RING, RETAINING - BEVELED (2)/(3) |
1 |
|
|
|
|
10 |
XA2098
|
HOUSING, DRIVE END |
1 |
|
|
|
|
11 |
XA3295
|
COVER, CONTROL UNIT |
1 |
|
|
|
|
12 |
XA3302
|
SWITCH, THERMAL |
1 |
|
|
|
|
13 |
XA2113
|
CAPSCREW - 1/2" - 13NC X 1" (2)/(3) |
1 |
|
|
|
|
14 |
XA3312
|
LOCKWASHER - 1/2" (3) |
1 |
|
|
|
|
15 |
XA3313
|
FLAT WASHER - 1/2" (3) |
1 |
|
|
|
|
16 |
XA0188
|
COVER, STUD ASSEMBLY |
1 |
|
|
|
|
17 |
BF4967
|
CAPSCREW - M12 X 1.75 X 25 (2)/(3) |
1 |
|
|
|
|
18 |
BF4966
|
LOCKWASHER - M12 (2)/(3) |
1 |
|
|
|
|
19 |
BF1996
|
FLAT WASHER - M12 (2)/(3) |
1 |
|
|
|
|
20 |
XA3601
|
SHELL, CONNECTOR - MALE |
1 |
|
|
|
|
21 |
XA3602
|
SHELL, CONNECTOR - FEMALE |
1 |
|
|
|
|
22 |
XA2130
|
HARNESS |
1 |
|
|
|
|
23 |
XA2112
|
SCREW - #8 - 32NC X 3/8" (2)/(3) |
15 |
|
|
|
|
24 |
XA2122
|
JAM NUT - 1/4" - 28NF (2)/(3) |
18 |
|
|
|
|
25 |
XA2121
|
FLAT WASHER - 1/4" (2)/(3) |
12 |
|
|
|
|
26 |
XA2120
|
INSULATOR (3) |
12 |
|
|
|
|
27 |
BF2002
|
LOCKNUT - #8 - 32NC (2)/(3)/(4) |
18 |
|
|
|
|
28 |
BF4973
|
FLAT WASHER - 1/4" (2)/(3) |
6 |
|
|
|
|
29 |
BF4969
|
CAPSCREW - M10 X 1.50 X 20 (2)/(3) |
2 |
|
|
|
|
30 |
BF4968
|
LOCKWASHER - M10 (2)/(3) |
2 |
|
|
|
|
31 |
BF4980
|
LOCKWASHER - 3/8" (2)/(3) |
1 |
|
|
|
|
32 |
BF4979
|
CAPSCREW - M10 X 1.40 X 20 (2)/(3) |
1 |
|
|
|
|
33 |
XA2109
|
REGULATOR |
1 |
|
|
|
|
34 |
XA2117
|
LOCKNUT - M6 X 1.00 (2)/(3) |
2 |
|
|
|
|
35 |
XA2116
|
WASHER, BELLEVILLE (2)/(3) |
1 |
|
|
|
|
36 |
BF4970
|
SCREW, HEX HEAD - M5 X 0.8 X 12 (2)/(3) |
4 |
|
|
|
|
37 |
XA2114
|
WASHER, BELLEVILLE (3) |
2 |
|
|
|
|
38 |
XA2118
|
WASHER, BELLEVILLE (2)/(3) |
2 |
|
|
|
|
39 |
XA2115
|
NUT - M5 X 0.8 (2)/(3) |
1 |
|
|
|
|
40 |
BF4860
|
BUSHING, PULLEY |
1 |
|
|
|
|
41 |
XA2099
|
SHAFT & CORE, ROTOR ASSEMBLY |
1 |
|
|
|
|
42 |
BF3719
|
CAPSCREW - #10 - 32NF X 1/2" (2)/(3) |
12 |
|
|
|
|
43 |
XA2100
|
ROTOR ASSEMBLY |
2 |
|
|
|
|
44 |
XA2101
|
SHAFT & CORE ASSEMBLY |
1 |
|
|
|
|
45 |
BF1999
|
KEY, WOODRUFF - 5/32" X 3/4" (2)/(3) |
1 |
|
|
|
|
46 |
XA2102
|
RING, CARRIER |
1 |
|
|
|
|
47 |
XA2104
|
FIELD COIL ASSEMBLY |
1 |
|
|
|
|
48 |
BF1981
|
BUSHING, TENSION |
1 |
|
|
|
|
49 |
|
SHELL (2) |
1 |
|
|
|
|
50 |
XA2105
|
STATOR, DRIVE END |
1 |
|
|
|
|
51 |
XA2106
|
STATOR, ANTI-DRIVE END |
1 |
|
|
|
|
52 |
BF3723
|
NUT - #8 - 32NC (2)/(3)/(5) |
9 |
|
|
|
|
53 |
BF4978
|
WEDGE, STATOR (5) |
6 |
|
|
|
|
54 |
XA3304
|
COIL, FIELD |
1 |
|
|
|
|
55 |
BF3722
|
SCREW, PAN HEAD - #8 - 32NC X 3/ |
16 |
|
|
|
|
56 |
BF1980
|
STUD - #8 - 32NC X 8 5/8" |
9 |
|
|
|
|
57 |
XA2108
|
BEARING, ANTI-DRIVE END |
1 |
|
|
|
|
58 |
XA2107
|
HOUSING, ANTI-DRIVE END |
1 |
|
|
|
|
59 |
XA2110
|
O-RING (3) |
2 |
|
|
|
|
60 |
XA2096
|
FAN |
1 |
|
|
|
|
61 |
XA2103
|
RING, SPIRAL (3) |
2 |
|
|
|
|
62 |
BF4975
|
WASHER, BELLEVILLE (2)/(3) |
1 |
|
|
|
|
63 |
BF4976
|
NUT - M16 X 1.50 (2)/(3) |
1 |
|
|
|
|
64 |
XA2097
|
GUARD, FAN |
1 |
|
|
|
|
65 |
BF4977
|
SCREW - M5 X 0.8 X 25 (2)/(3) |
6 |
|
|
|
|
66 |
XA2119
|
GROMMET |
6 |
|
|
|
|
NS|67 |
|
NOTE: (1) SUPPLIED WITH ENGINE. |
-1 |
|
|
|
|
NS|68 |
|
(2) NOT SERVICED SEPARATELY. |
-1 |
|
|
|
|
NS|69 |
|
(3) INCLUDED IN XA3306 SMALL GOODS PACKAGE. |
-1 |
|
|
|
|
NS|70 |
|
(4) ALSO INCLUDED IN XA2107 ANTI-DRIVE END HOUSING. |
-1 |
|
|
|
|
NS|71 |
|
(5) ALSO INCLUDED IN XA2105 DRIVE END STATOR & |
-1 |
|
|
|
|
NS|72 |
|
XA2106 ANTI-DRIVE END STATOR. |
-1 |
|
|