Find books across the catalog from one place.
This page is prepared as the search workspace. The search behavior itself can be connected in the next step.
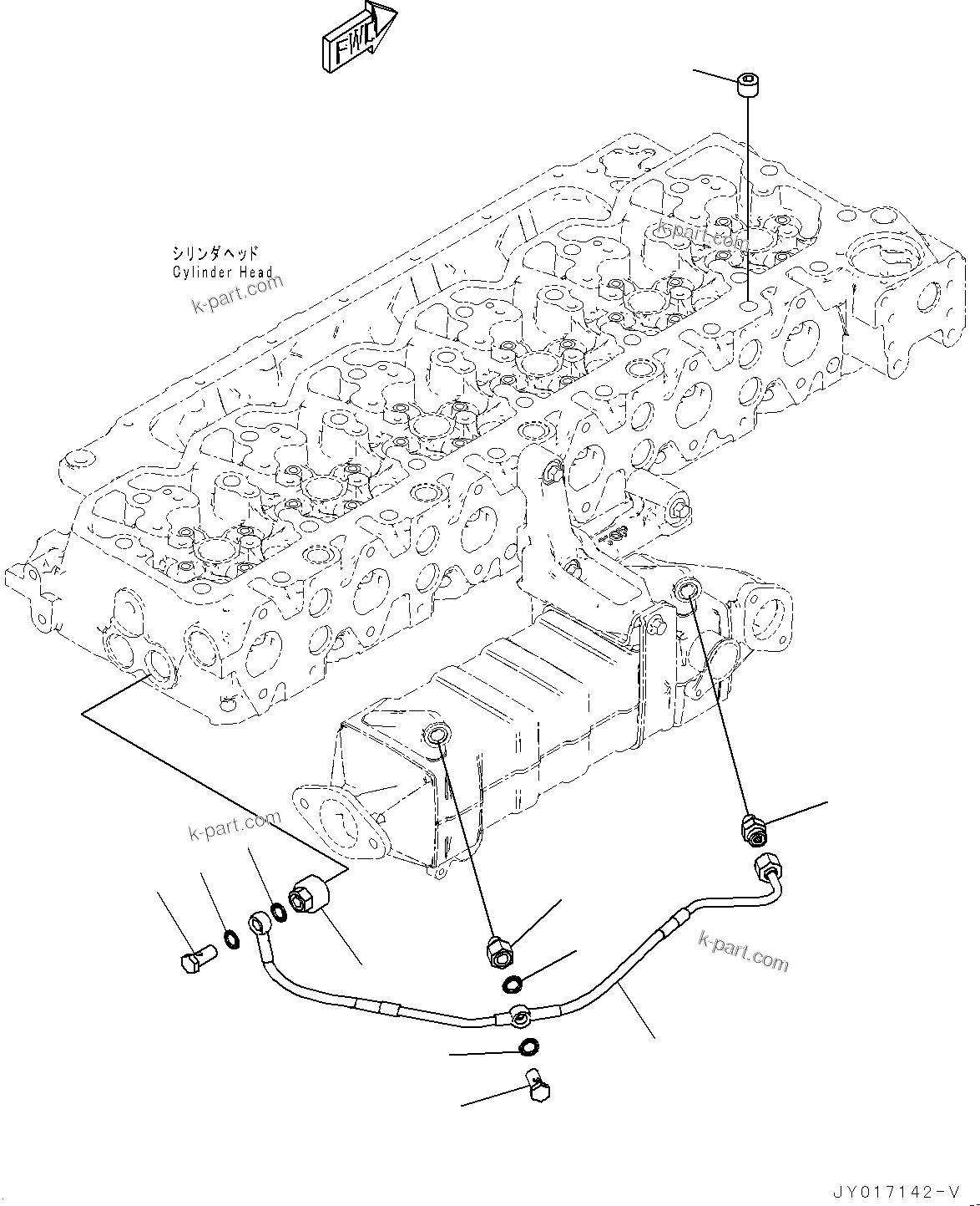
6212611203.ENGINE COOLANT VENT (#26600005-) (ARP00-001001) in SAA6D107E-2B S/N 26600006-UP (For PC290LC-10). Diagram image and parts list.
Test text. Dear users! Access to the special equipment catalogs is paid. You can review the service usage rules and tariffs on the page!