|
|
? |
PB9658
|
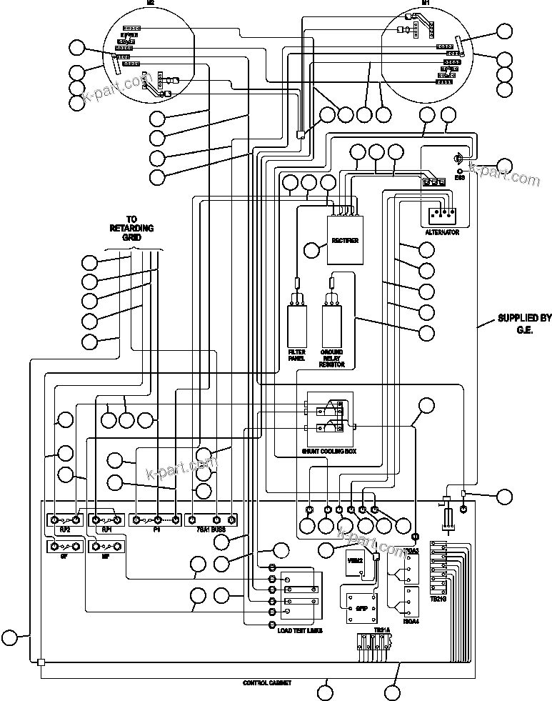
ALTERNATOR/BLOWER ASSEMBLY (SEE INDEX) |
1 |
|
64087A |
|
|
? |
PB9734
|
WHEEL, MOTORIZED DRIVE (787FS11) (SEE INDEX) |
2 |
|
64143A |
|
|
? |
VN3270
|
CAPSCREW - 1 1/4" - 7NC X 5" |
96 |
|
|
|
|
? |
WA0366
|
FLAT WASHER - 1 1/4" (HARDENED) |
96 |
|
|
|
|
? |
TK5255
|
BUS BAR |
2 |
|
|
|
|
? |
TG5720
|
CAPSCREW - 3/8" - 16NC X 1" |
2 |
|
|
|
|
? |
TR1376
|
CAPSCREW - 1/2" - 13NC X 1 1/4" |
2 |
|
|
|
|
? |
GE0557
|
PANEL, RECTIFIER (SEE INDEX) |
1 |
|
64036 |
|
|
? |
|
CABINET, CONTROL (ORDER FROM FACTORY) |
1 |
|
|
|
|
? |
CH2531
|
CABLE - 74AF (DRIVE WHEEL TO DRIVE WHEEL) |
1 |
|
|
|
|
? |
CH2597
|
CABLE - 7J4 (MF CONTACTOR TO LEFT WHEEL MOTOR) |
1 |
|
|
|
|
? |
CH2524
|
CABLE - 7J9 (S3 SHUNT TO RIGHT WHEEL MOTOR) |
1 |
|
|
|
|
? |
EL5065
|
CABLE - G.E. CONDUIT |
1 |
|
|
|
|
? |
CH3193
|
CABLE - 7J2 (P1 CONTACTOR TO RIGHT WHEEL MOTOR) |
1 |
|
|
|
|
? |
CH2153
|
CABLE - 7J1R (CONTROL CABINET TO RIGHT WHEEL MOTOR) |
1 |
|
|
|
|
? |
CH3902
|
CABLE - 7GA1 (LEFT WHEEL MOTOR TO CONTROL CABINET) |
1 |
|
|
|
|
? |
CH2154
|
CABLE - 7J1L (CONTROL CABINET TO LEFT WHEEL MOTOR) |
1 |
|
|
|
|
? |
CH2598
|
CABLE - 74 (ALTERNATOR TO GF CONTACTOR) |
1 |
|
|
|
|
? |
CH2570
|
CABLE - 74AA (ALTERNATOR TO AFSE CONTACTOR) |
1 |
|
|
|
|
? |
CH2161
|
CABLE - T1 (ALTERNATOR TO RECTIFIER) |
1 |
|
|
|
|
? |
CH2162
|
CABLE - T2 (ALTERNATOR TO RECTIFIER) |
1 |
|
|
|
|
? |
CH2163
|
CABLE - T3 (ALTERNATOR TO RECTIFIER) |
1 |
|
|
|
|
? |
CH2571
|
CABLE - 75XX (ALTERNATOR - T15 TO MFSE PANEL) |
1 |
|
|
|
|
? |
CH2569
|
CABLE - 74D (ALTERNATOR - T14 TO S6 SHUNT |
1 |
|
|
|
|
? |
CH2568
|
CABLE - 71J (ALTERNATOR - T13 TO AFSE PANEL) |
1 |
|
|
|
|
? |
CH2566
|
CABLE - 71G (ALTERNATOR - T16 TO S7 SHUNT) |
1 |
|
|
|
|
? |
EC9217
|
HARNESS (GRR PANEL TO GRR CONTACTOR) |
1 |
|
|
|
|
? |
EK8657
|
HARNESS, 3 AND 7 STEP ERR |
1 |
|
|
|
|
? |
|
CABLE - 7GA1 (CONTROL CABINET TO BLOWN GRID) (1) |
1 |
|
|
|
|
? |
|
CABLE - 7J2 (P1 CONTACTOR TO BLOWN GRID) (1) |
1 |
|
|
|
|
? |
|
CABLE - 7J8 (RP1 CONTACTOR TO BLOWN GRID) (1) |
1 |
|
|
|
|
? |
|
CABLE - 7J7 (RP2 CONTACTOR TO BLOWN GRID) (1) |
1 |
|
|
|
|
? |
EC7269
|
HARNESS (SHUNT 1 AND 2 TO ISOA 3 AND 4) |
1 |
|
|
|
|
? |
CH3901
|
CABLE - 7GA2 (RECTIFIER TO P1 CONTACTOR) |
1 |
|
|
|
|
? |
CH3197
|
CABLE - 7J1 (RP2 CONTACTOR TO LOAD TEST BOX) |
1 |
|
|
|
|
? |
CH3198
|
CABLE - 7J7 (RP2 CONTACTOR TO LOAD TEXT BOX) |
1 |
|
|
|
|
? |
CH3199
|
CABLE - 7J8 (RP1 CONTACTOR TO CONTROL CABINET) |
1 |
|
|
|
|
? |
CH2156
|
CABLE - 7J1LS (CONTROL CABINET TO LOAD TEST BOX) |
1 |
|
|
|
|
? |
CH2155
|
CABLE - 7J1RS (CONTROL CABINET TO LOAD TEST BOX) |
1 |
|
|
|
|
? |
CH2164
|
CABLE - 7GA1 (RECTIFIER TO CONTROL CABINET) |
1 |
|
|
|
|
? |
EC7734
|
CABLE (RECTIFIER TO FILTER PANEL) |
1 |
|
|
|
|
? |
|
NOTE: (1) CABLES SUPPLIED BY GRID BOX VENDOR. |
-1 |
|
|