|
|
? |
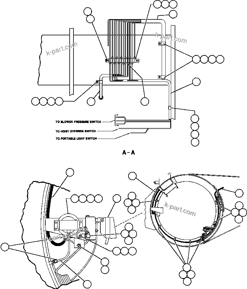
TZ0883
|
HARNESS |
1 |
|
|
|
|
? |
VN9908
|
CLAMP, VINYL - 1" I.D. |
4 |
|
|
|
|
? |
VH9969
|
STUD, WELD - 3/8" - 16NC X 3/4" |
12 |
|
|
|
|
? |
C0312
|
LOCKWASHER - 3/8" |
12 |
|
|
|
|
? |
C1521
|
NUT - 3/8" - 16NC |
12 |
|
|
|
|
? |
VN9908
|
CLAMP, VINYL - 1" I.D. |
4 |
|
|
|
|
? |
TF6924
|
CLAMP, VINYL - 1 3/4" I.D. |
2 |
|
|
|
|
? |
EM0190
|
HARNESS, FRAME RAIL - R.H. |
1 |
|
|
|
|
? |
EJ5523
|
HARNESS, REAR LIGHTS AND BACKUP HORN |
1 |
|
|
|
|
? |
VM1464
|
MACHINE SCREW - #10 - 24NC X 5/8" |
2 |
|
|
|
|
? |
DC3101
|
LOCKWASHER - #10 - 24NC X 3/8" |
2 |
|
|
|
|
? |
VS8192
|
BOARD, TERMINAL (SEE FIG 64070A) |
1 |
|
64070 |
|
|
? |
WB2885
|
STRIP, CIRCUIT I.D. |
1 |
|
|
|
|
? |
VM2951
|
SCREW, SELF-TAPPING - #6 - 32NC X 5/16" |
2 |
|
|
|
|
? |
TA0603
|
FITTING, NYLON TUBE CONNECTOR |
2 |
|
|
|
|
? |
PB4673
|
SWITCH, BLOWER PRESSURE |
1 |
|
|
|
|
? |
C3145
|
CAPSCREW - 1/4" - 20NC X 5/8" |
4 |
|
|
|
|
? |
C5774
|
LOCKWASHER - 1/4" |
4 |
|
|
|
|
? |
C5780
|
NUT - 1/4" - 20NC |
4 |
|
|
|
|
? |
EK2368
|
PORTABLE LIGHT ASSEMBLY (SEE INDEX) |
1 |
|
40052 |
|
|
? |
720462
|
CLAMP, VINYL - 5/16" I.D. |
1 |
|
|
|
|
? |
SR8325
|
SWITCH, TOGGLE (PORTABLE LIGHT) |
1 |
|
|
|
|
? |
PB3324
|
BOOT, TOGGLE SWITCH |
1 |
|
|
|
|
? |
SP6153
|
LOCKWASHER - 3/8" (INTERNAL-EXTERNAL TOOTH) |
1 |
|
|
|
|
? |
TG8745
|
SWITCH, TOGGLE (HOIST OVERRIDE) |
1 |
|
|
|
|
? |
TZ2373
|
BRACKET |
1 |
|
|
|
|
? |
EL3741
|
TUBE, NYLON |
1 |
|
|
|
|
? |
TG2562
|
CLAMP, VINYL - 1/2" I.D. |
1 |
|
|
|
|
? |
WA3367
|
NUT ASSEMBLY |
12 |
|
|