|
|
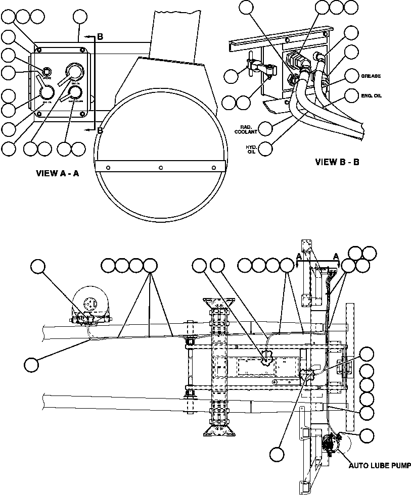
1 |
HA4015
|
HOSE (HYDRAULIC OIL) |
1 |
|
|
|
|
2 |
HA0591
|
HOSE (RADIATOR COOLANT) |
1 |
|
|
|
|
3 |
HA6850
|
HOSE (GREASE) |
1 |
|
|
|
|
4 |
HA7832
|
HOSE (ENGINE OIL) |
1 |
|
|
|
|
5 |
WB0543
|
FITTING, ELBOW - 45 DEG |
1 |
|
|
|
|
6 |
WB0292
|
FITTING, ELBOW - 45 DEG |
1 |
|
|
|
|
7 |
WB0600
|
FITTING, STRAIGHT |
1 |
|
|
|
|
8 |
WB0364
|
FITTING, STRAIGHT |
1 |
|
|
|
|
9 |
WB0369
|
FITTING, ELBOW - 45 DEG |
1 |
|
|
|
|
10 |
WB0538
|
FITTING, ELBOW - 45 DEG |
1 |
|
|
|
|
11 |
D118265
|
HOOK, RUBBER |
1 |
|
|
|
|
12 |
TR4065
|
CAPSCREW - 1/4" - 20NC X 1 3/4" |
1 |
|
|
|
|
13 |
VD4460
|
LOCKNUT, NYLON - 1/4" - 20NC |
1 |
|
|
|
|
14 |
TZ0799
|
MOUNT, UPPER |
1 |
|
|
|
|
15 |
TZ0798
|
MOUNT, LOWER |
1 |
|
|
|
|
16 |
S5716
|
CAPSCREW - 1/4" - 20NC X 7/8" |
4 |
|
|
|
|
17 |
C5774
|
LOCKWASHER - 1/4" |
4 |
|
|
|
|
18 |
C5780
|
NUT - 1/4" - 20NC |
4 |
|
|
|
|
19 |
EG7600
|
BOX |
1 |
|
|
|
|
20 |
C5771
|
PLUG, PIPE - 1/2" |
1 |
|
|
|
|
21 |
TZ0800
|
DECAL |
1 |
|
|
|
|
22 |
WB0947
|
LOCKNUT, BULKHEAD - 1 5/8" - 12NF |
1 |
|
|
|
|
23 |
PB9212
|
RECEIVER ASSEMBLY (ENGINE OIL) |
1 |
|
|
|
|
24 |
TM2379
|
DECAL |
1 |
|
|
|
|
25 |
WB0948
|
LOCKNUT, BULKHEAD - 1 7/8" - 12NF |
1 |
|
|
|
|
26 |
PB9213
|
RECEIVER ASSEMBLY (HYDRAULIC OIL) |
1 |
|
|
|
|
27 |
WB0945
|
LOCKNUT, BULKHEAD - 1 3/16" - 12NF |
1 |
|
|
|
|
28 |
PB9211
|
RECEIVER ASSEMBLY (COOLANT) |
1 |
|
|
|
|
29 |
VN9914
|
CLAMP, VINYL - 2 1/4" I.D. |
2 |
|
|
|
|
30 |
VH9969
|
STUD, WELD - 3/8" - 16NC X 3/4" |
14 |
|
|
|
|
31 |
C0312
|
LOCKWASHER - 3/8" |
14 |
|
|
|
|
32 |
C1521
|
NUT - 3/8" - 16NC |
14 |
|
|
|
|
33 |
427856R91
|
CLAMP (SPECIAL) |
4 |
|
|
|
|
34 |
VL9602
|
CLAMP, VINYL - 2" I.D. |
2 |
|
|
|
|
35 |
TR9441
|
CLAMP, VINYL - 1 1/4" I.D. |
6 |
|
|
|
|
36 |
WB0268
|
FITTING, ELBOW - 90 DEG |
1 |
|
|
|
|
37 |
WB1063
|
ADAPTER - 90 DEG (METRIC) |
1 |
|
|
|
|
38 |
WB0543
|
FITTING, ELBOW - 45 DEG |
1 |
|
|