Find books across the catalog from one place.
This page is prepared as the search workspace. The search behavior itself can be connected in the next step.
6212611203.
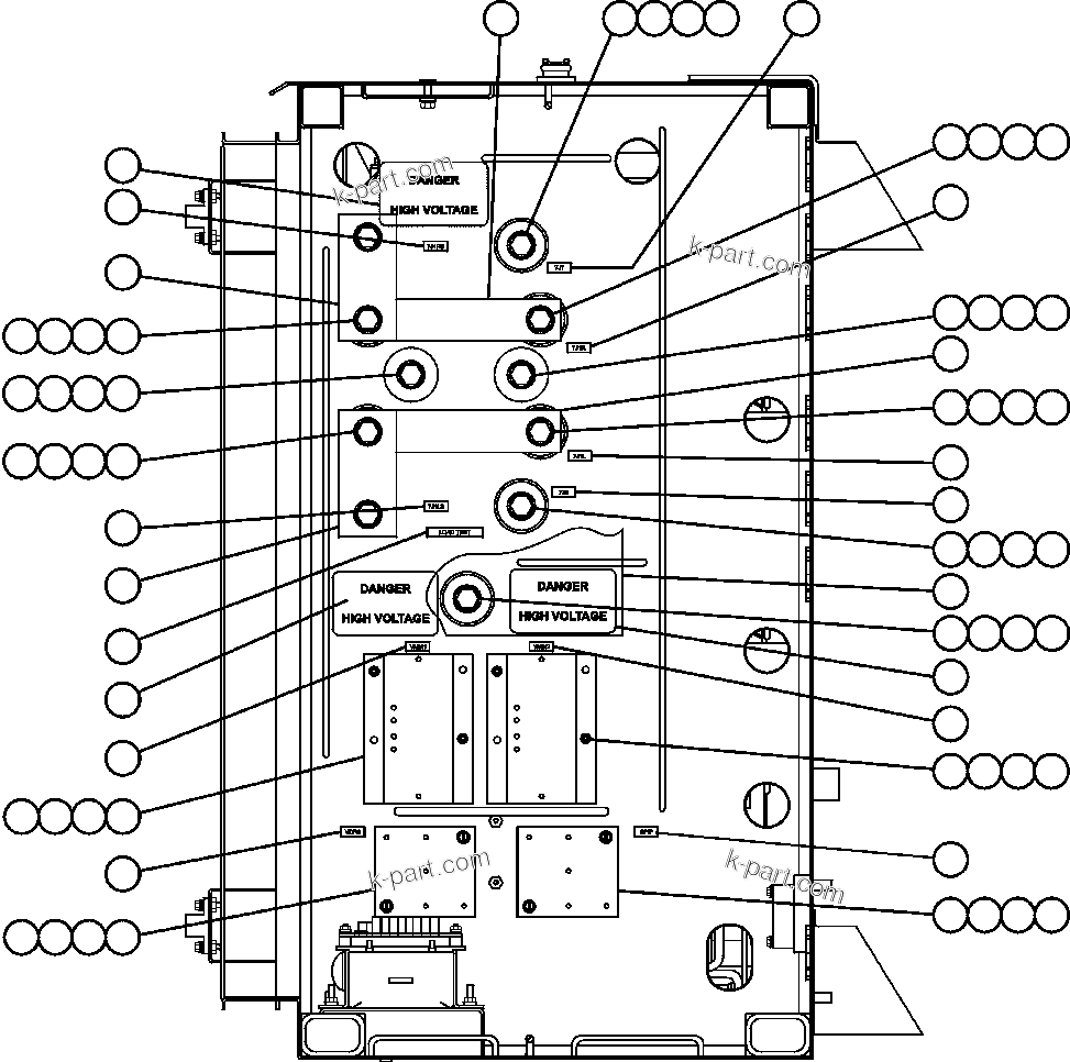
CONTROL CABINET - CENTER DOOR (LEFT SIDE WALL) (41445) in AFE50-CE 830E S/N A30811-A30814 EPSA. Diagram image and parts list.
Test text. Dear users! Access to the special equipment catalogs is paid. You can review the service usage rules and tariffs on the page!