|
|
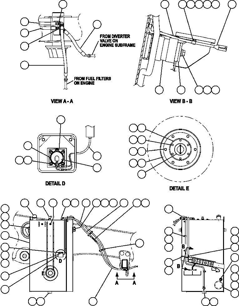
0 |
EL6459
|
FUEL TANK ASSEMBLY W/COVERS |
1 |
|
|
|
|
1 |
EL6943
|
TANK, FUEL |
1 |
|
|
|
|
2 |
WA3688
|
BUSHING, PIPE - 1 1/4" X 1/4" |
1 |
|
|
|
|
3 |
HC1851
|
DRAIN COCK |
1 |
|
|
|
|
4 |
D5576
|
CAP, PIPE |
1 |
|
|
|
|
5 |
TA1683
|
COVER |
2 |
|
|
|
|
6 |
TA1691
|
GASKET |
2 |
|
|
|
|
7 |
TD0791
|
CAPSCREW - 3/8" - 16NC X 1 1/4" |
6 |
|
|
|
|
8 |
TC1231
|
LOCKWASHER - 3/8" |
6 |
|
|
|
|
9 |
HC4691
|
PLUG, PIPE |
1 |
|
|
|
|
10 |
R2028
|
PLUG, PIPE - 3/4" |
1 |
|
|
|
|
11 |
S5315
|
SOCKET HEAD - 1/4" - 28NF X 3/4" |
4 |
|
|
|
|
12 |
SD2583
|
LOCKWASHER - 1/4" |
4 |
|
|
|
|
13 |
C1521
|
NUT - 3/8" - 16NC |
8 |
|
|
|
|
14 |
WB0274
|
FITTING, ELBOW - 90 DEG |
2 |
|
|
|
|
15 |
SD5210
|
PIPE, BUSHING - 1 1/2" X 1" |
1 |
|
|
|
|
16 |
TA1978
|
VENT ASSEMBLY |
1 |
|
|
|
|
17 |
WA4710
|
CLAMP, HYDRA-ZORB - 1 1/2" |
5 |
|
|
|
|
18 |
VN9999
|
CLAMP, TUBE - 1 1/4" O.D. |
4 |
|
|
|
|
19 |
C0312
|
LOCKWASHER - 3/8" |
10 |
|
|
|
|
20 |
C1547
|
FLAT WASHER - 3/8" |
2 |
|
|
|
|
21 |
C1540
|
LOCKWASHER - 1/2" |
5 |
|
|
|
|
22 |
VD8023
|
HOSE |
1 |
|
|
|
|
23 |
TY4907
|
CAP |
2 |
|
|
|
|
24 |
C1669
|
CAPSCREW - 1" - 8NC X 3 1/2" |
4 |
|
|
|
|
25 |
C1544
|
LOCKWASHER - 1" |
4 |
|
|
|
|
26 |
HA8067
|
HOSE |
1 |
|
|
|
|
27 |
PB9283
|
VALVE, BALL - FULL PORT |
1 |
|
|
|
|
28 |
WB0474
|
FITTING, STRAIGHT |
2 |
|
|
|
|
29 |
HA2340
|
HOSE |
1 |
|
|
|
|
30 |
WB0446
|
FITTING, ELBOW - 90 DEG |
1 |
|
|
|
|
31 |
WB0669
|
FITTING, ELBOW - 45 DEG |
1 |
|
|
|
|
32 |
EK7337
|
PLATE, ADAPTER - WIGGINS |
1 |
|
|
|
|
33 |
TA1691
|
GASKET |
1 |
|
|
|
|
34 |
C5746
|
CAPSCREW - 1/4" - 20NC X 3/4" |
6 |
|
|
|
|
35 |
DC3584
|
LOCKWASHER - 1/4" |
6 |
|
|
|
|
36 |
TA9974
|
FLANGE ASSEMBLY |
1 |
|
|
|
|
37 |
VW4748
|
GASKET |
1 |
|
|
|
|
38 |
VW6420
|
REFUELING, CAP |
1 |
|
|
|
|
39 |
C1523
|
NUT - 1/2" - 13NC |
5 |
|
|
|
|
40 |
EK6446
|
HARNESS, WIRING - FUEL TANK |
1 |
|
|
|
|
41 |
PB9513
|
GAUGE, FUEL |
1 |
|
|
|
|
42 |
VW1231
|
GASKET |
1 |
|
|
|
|
43 |
PC0371
|
TRANSMITTER, FUEL GAUGE |
1 |
|
|
|
|
44 |
VN9913
|
CLAMP, VINYL - 1 1/16" I.D. |
1 |
|
|
|
|
45 |
WB0276
|
FITTING, ELBOW - 90 DEG |
1 |
|
|
|
|
46 |
SP4885
|
BUSHING, PIPE - 1 1/2" X 1 1/4" |
1 |
|
|
|
|
47 |
EK7110
|
TUBE |
1 |
|
|
|
|
48 |
EG0594
|
FLAP |
1 |
|
|
|
|
49 |
EH1830
|
BAR |
1 |
|
|
|
|
50 |
TD0791
|
CAPSCREW - 3/8" - 16NC X 1 1/4" |
2 |
|
|
|
|
51 |
HA3114
|
HOSE |
1 |
|
|
|
|
52 |
HA2896
|
HOSE |
1 |
|
|
|
|
53 |
VL7792
|
DAMPENER, RUBBER |
4 |
|
|
|
|
54 |
VW6877
|
FLAT WASHER (SPECIAL) |
4 |
|
|
|
|
55 |
VN9179
|
CAPSCREW - 3/4" - 10NC X 6" |
4 |
|
|
|
|
56 |
WA0362
|
FLAT WASHER - 3/4" (HARDENED) |
4 |
|
|
|
|
57 |
C1542
|
LOCKWASHER - 3/4" |
4 |
|
|
|
|
58 |
VL4462
|
WIRE, GROUND |
1 |
|
|
|
|
59 |
TG2562
|
CLAMP, VINYL - 1/2" I.D. |
7 |
|
|
|
|
60 |
TG0545
|
FLAT WASHER - 3/8" (COPPER) |
2 |
|
|