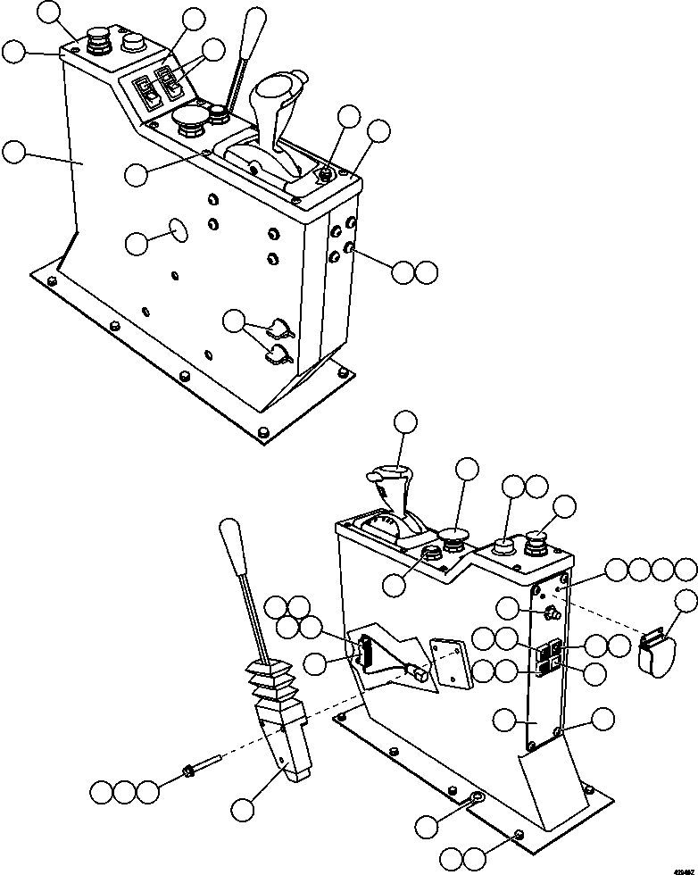
1
EM5646
CONSOLE
1
2
EL4131
COVER, MOLDED (SHIFT CONSOLE)
1
3
EM2711
DECAL, SHIFT CONSOLE - REAR
1
4
EL2723
DECAL, SHIFT CONSOLE - MIDDLE
1
5
EL2721
DECAL, SHIFT CONSOLE - FORWARD
1
6
PC0490
SWITCH, ROCKER (ELECTRIC WINDOW)
2
7
TV3555
PLUG, BUTTON - 1 3/8"
1
8
31127R1
CAPSCREW - M6 X 1.00 X 12 (UNDER MOLDED COVER)
4
9
PC1374
OUTLET, AUXILIARY POWER
2
10
SM5115
CAPSCREW - M8 X 1.25 X 20
4
11
MM0470
LOCKWASHER - M8
12
12
PC2873
LEVER, GEAR SELECTOR
1
13
PC1375
SWITCH, PUSH - PULL (ENGINE SHUTDOWN)
1
14
PB5957
KNOB
1
15
ED2863
POTENTIOMETER (RETARD SPEED CONTROL)
1
16
PC1377
BUTTON, PUSH (OVERRIDE/FAULT RESET)
1
17
PB8624
SWITCH, PUSH BUTTON (DATA STORE)
1
18
PC1376
BUTTON, PUSH-PULL (RETARD SPEED CONTROL)
1
19
HE2467
MACHINE SCREW - #6 - 32NC X 1/2"
2
20
HE5125
FLAT WASHER - #6
2
21
DF4944
LOCKWASHER - #6
2
22
DD2468
NUT - #6 - 32NC
2
23
SM0628
COVER
1
24
SM4443
FLASHER ASSEMBLY - CLEAR LENS
4
24
SP8443
LIGHT BULB
4
25
SM5073
DECAL, SERVICE ENGINE
1
26
EL4153
DECAL, VHMS SNAPSHOT IN PROGRESS
1
27
SM5104
DECAL, LINK ENERGIZED
1
28
EL4139
PLATE, DIAGNOSTIC
1
29
SM0926
SCREW - M6 X 1.00
4
30
MM0593
CAPSCREW - M8 X 1.25 X 20
8
31
TF7982
GROMMET, RUBBER
1
32
PN6893
VALVE, CONTROL
1
33
WA3597
CAPSCREW - 5/16" - 18NC X 2 1/4"
3
34
SC4174
LOCKWASHER - 5/16"
3
35
TV0177
FLAT WASHER - 5/16"
3
36
EM5648
RESISTOR
1
37
VG1621
MACHINE SCREW - 4-40 X 5/8"
2
38
VN9762
FLAT WASHER - #4
4
39
VD7129
LOCKWASHER - #4
8
40
VN9708
NUT - 4-40
2
41
WA4605
SCREW - #10 - 24NC X 1/2"
10