|
|
? |
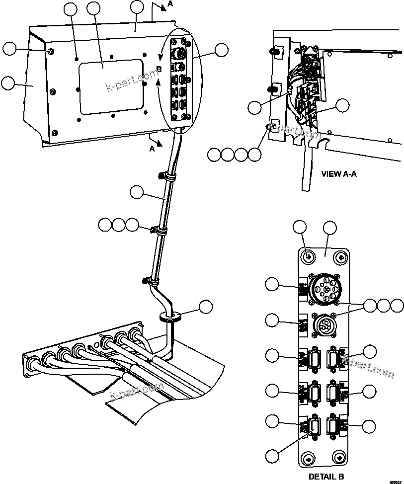
SM4274
|
PLATE, SIDE - RH |
1 |
|
|
|
|
? |
PB9829
|
SCREW - M6 X 1.00 X 16 |
10 |
|
|
|
|
? |
PB9828
|
SCREW, FLAT HEAD - #10 - 32NF X 7/8" |
8 |
|
|
|
|
? |
PC2796
|
PANEL, DIAGNOSTIC INFORMATION DISPLAY (D.I.D.) |
1 |
|
|
|
|
? |
EL4154
|
PLATE, BENT (D.I.D. PANEL MOUNTING) |
1 |
|
|
|
|
? |
SM4275
|
PLATE, SIDE - LH |
1 |
|
|
|
|
? |
WB3098
|
CLAMP, CUSHION - 3/8" |
1 |
|
|
|
|
? |
PB8334
|
CLAMP, STRAIN RELIEF |
5 |
|
|
|
|
? |
VC8762
|
CAPSCREW - 3/8" - 16NC X 1 1/2" |
6 |
|
|
|
|
? |
TR4436
|
FLAT WASHER - 3/8" |
6 |
|
|
|
|
? |
TC1231
|
LOCKWASHER - 3/8" |
6 |
|
|
|
|
? |
SM5049
|
NUT, SPRING - 3/8" - 16NC |
6 |
|
|
|
|
? |
EL2222
|
HARNESS, ENGINE/CAB DIAGNOSTIC |
1 |
|
|
|
|
? |
WB3093
|
CLAMP, CUSHION - 1" |
3 |
|
|
|
|
? |
WA4513
|
SCREW - #10 - 24NC X 1/2" |
3 |
|
|
|
|
? |
DF3445
|
FLAT WASHER - #12 |
3 |
|
|
|
|
? |
VP3271
|
GROMMET |
1 |
|
|
|
|
? |
EL4141
|
PLATE, DIAGNOSTIC |
1 |
|
|
|
|
? |
WB3114
|
NAME PLATE - ENGINE DIAG 2 |
1 |
|
|
|
|
? |
MM0331
|
MACHINE SCREW - M3 X 0.5 X 20 |
8 |
|
|
|
|
? |
MM0376
|
LOCKWASHER - M3 (EXTERNAL TOOTH) |
8 |
|
|
|
|
? |
MM0370
|
NUT - M3 |
8 |
|
|
|
|
? |
WB3116
|
NAME PLATE - DRIVE SYSTEM DIAG 1 |
1 |
|
|
|
|
? |
WB3119
|
NAME PLATE - DRIVE SYSTEM DIAG 3 |
1 |
|
|
|
|
? |
WB3314
|
NAME PLATE - GE/MM DIAG8 |
1 |
|
|
|
|
? |
PB8256
|
SCREW LOCK, FEMALE |
5 |
|
|
|
|
? |
WB3120
|
NAME PLATE - VHMS DIAG 6 |
1 |
|
|
|
|
? |
WB3117
|
NAME PLATE - INTERFACE DIAG 5 |
1 |
|
|
|
|
? |
WB3118
|
NAME PLATE - PAYLOAD DIAG 7 |
1 |
|
|
|
|
? |
WB3115
|
NAME PLATE - ENGINE DIAG 4 |
1 |
|
|
|
|
? |
|
NOTE: NS = NOT SHOWN |
-1 |
|
|
|
|
? |
VN2971
|
PLUG (ENGINE DIAG 2) |
1 |
|
|
|
|
? |
HE2264
|
PLUG (ENGINE DIAG 4) |
1 |
|
|