|
|
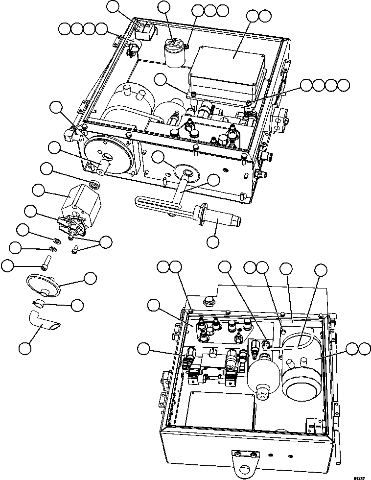
1 |
XA5681
|
MOTOR |
1 |
|
|
|
|
2 |
DC3584
|
LOCKWASHER - 1/4" |
17 |
|
|
|
|
3 |
TR4065
|
CAPSCREW -1/4" - 20NC X 1 3/4" |
4 |
|
|
|
|
4 |
XA5680
|
MANIFOLD, END HEAD |
1 |
|
|
|
|
5 |
XA5688
|
KIT, HYDRAULIC PIPE |
1 |
|
|
|
|
6 |
XA5672
|
CAPSCREW -1/4" - 20NC X 1/2" |
7 |
|
|
|
|
7 |
XA5222
|
MANIFOLD ASSEMBLY (SEE INDEX) |
1 |
|
43107 |
|
|
8 |
XA5699
|
CAPSCREW, SOCKET HEAD - 1/4" - 20NC X 4" |
2 |
|
|
|
|
9 |
XA5700
|
CAPSCREW, SOCKET HEAD - 1/4" - 20NC X 2 3/4" |
2 |
|
|
|
|
10 |
WB3093
|
CLAMP, CUSHIONED - 1" |
1 |
|
|
|
|
11 |
VC3673
|
CAPSCREW -1/4" - 20NC X 1 1/4" |
1 |
|
|
|
|
12 |
SP8417
|
FLAT WASHER - 1/4" |
3 |
|
|
|
|
13 |
VD4460
|
LOCKNUT - 1/4" - 20NC |
1 |
|
|
|
|
14 |
XA5685
|
CIRCUIT BREAKER - 10 AMP |
1 |
|
|
|
|
15 |
XA5675
|
SOLENOID |
1 |
|
|
|
|
16 |
XA5704
|
SCREW - 3/16" X 1/2" |
2 |
|
|
|
|
17 |
XA5693
|
WASHER - 3/16" |
2 |
|
|
|
|
18 |
XA5702
|
NUT - 3/16" |
2 |
|
|
|
|
19 |
XA5703
|
BOARD, BOTTOM |
1 |
|
|
|
|
20 |
XA5705
|
SCREW, ALLEN HEAD - #8 - 32NC X 5/8" |
4 |
|
|
|
|
21 |
XA5668
|
PLATE, MOUNTING (ALUMINUM) |
1 |
|
|
|
|
22 |
XA5697
|
CAPSCREW, SOCKET HEAD - M6 X 1.00 X 12 |
6 |
|
|
|
|
23 |
XA5707
|
MOUNTS, RUBBER |
4 |
|
|
|
|
24 |
XA5708
|
STUD - M6 X 21 |
4 |
|
|
|
|
25 |
XA5706
|
HEATER, OIL (1) |
1 |
|
|
|
|
26 |
XA5671
|
PIPE, RETURN |
1 |
|
|
|
|
27 |
XA5678
|
O-RING |
1 |
|
|
|
|
28 |
XA5691
|
O-RING |
1 |
|
|
|
|
29 |
XA5682
|
SPLING, COUPLING |
1 |
|
|
|
|
30 |
XA5674
|
SEAL, SHAFT |
1 |
|
|
|
|
31 |
XA5686
|
PUMP |
1 |
|
|
|
|
32 |
XA5687
|
COVER, SUCTION |
1 |
|
|
|
|
33 |
TV0177
|
FLAT WASHER - 5/16" |
1 |
|
|
|
|
34 |
SC4174
|
LOCKWASHER - 5/16" |
1 |
|
|
|
|
35 |
XA5701
|
CAPSCREW, SOCKET HEAD - 5/16" - 18NC X 1" |
1 |
|
|
|
|
36 |
XA5692
|
FILTER, SUCTION |
1 |
|
|
|
|
37 |
XA5695
|
CLAMP, HOSE |
1 |
|
|
|
|
38 |
XA5694
|
PIPE, SUCTION (RUBBER) |
1 |
|
|
|
|
NS|39 |
|
NOTE: (1) IF NOT USED, INSTALL XA5673 PLUG. |
-1 |
|
|