|
|
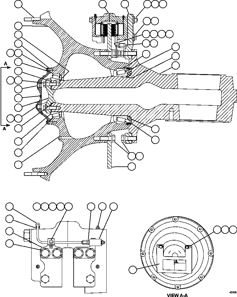
0 |
EM6801
|
SPINDLE, HUB & BRAKE ASSEMBLY |
1 |
|
|
|
|
1 |
EL0452
|
HOUSING, FRONT WHEEL |
1 |
|
|
|
|
2 |
PB7362
|
DISC BRAKE ASSEMBLY (SEE INDEX) |
3 |
|
42761 |
|
|
3 |
EM3837
|
SUPPORT, BRAKE |
1 |
|
|
|
|
4 |
WA4682
|
CAPSCREW - 1" - 14NF X 14 1/2" |
18 |
|
|
|
|
5 |
WA0364
|
FLAT WASHER - 1" |
30 |
|
|
|
|
6 |
VN7703
|
NUT - 1" - 14NF |
18 |
|
|
|
|
7 |
VM8258
|
CAPSCREW - 1" - 8NC X 3 3/4" |
18 |
|
|
|
|
8 |
PC0003
|
CUP, BEARING (1) |
1 |
|
|
|
|
9 |
PC1696
|
CONE, BEARING (1) |
1 |
|
|
|
|
10 |
EL9508
|
SPINDLE |
1 |
|
|
|
|
11 |
562-22-32290
|
PIN (1) |
2 |
|
|
|
|
12 |
EB1715
|
SPACER |
1 |
|
|
|
|
13 |
PC2487
|
SEAL ASSEMBLY (1) |
1 |
|
|
|
|
14 |
VN9143
|
CAPSCREW - 1 1/4" - 7NC X 4" |
56 |
|
|
|
|
15 |
TY2149
|
FLAT WASHER - 1 1/4" |
62 |
|
|
|
|
16 |
TX4848
|
DISC |
1 |
|
|
|
|
17 |
EM5452
|
STUD - 1" - 14UNS X 7 1/4" |
35 |
|
|
|
|
18 |
VM0315
|
PLUG, O-RING |
1 |
|
|
|
|
19 |
PC0006
|
CUP, BEARING (1) |
1 |
|
|
|
|
20 |
PC1697
|
CONE, BEARING (1) |
1 |
|
|
|
|
21 |
SD5211
|
PIPE, BUSHING |
1 |
|
|
|
|
22 |
PB7454
|
GAUGE, SIGHT |
1 |
|
|
|
|
23 |
EL9506
|
RETAINER, BEARING |
1 |
|
|
|
|
24 |
TH6916
|
VALVE, CHECK |
1 |
|
|
|
|
25 |
R2491
|
PLUG, DRAIN (MAGNETIC) |
1 |
|
|
|
|
26 |
TY2148
|
FLAT WASHER - 1" |
6 |
|
|
|
|
27 |
EL9513
|
SHIM - .005" (1) |
3 |
|
|
|
|
27 |
EL9514
|
SHIM - .007" (1) |
4 |
|
|
|
|
27 |
EL9515
|
SHIM - .020" (1) |
5 |
|
|
|
|
28 |
WA4795
|
SEAL, O-RING (1) |
1 |
|
|
|
|
29 |
C1616
|
CAPSCREW - 1/2" - 13NC X 2" |
8 |
|
|
|
|
30 |
C1540
|
LOCKWASHER - 1/2" |
8 |
|
|
|
|
31 |
EC3702
|
COVER |
1 |
|
|
|
|
32 |
WA0362
|
FLAT WASHER - 3/4" (2) |
4 |
|
|
|
|
33 |
TX0807
|
ANGLE (2) |
1 |
|
|
|
|
34 |
TH7593
|
FITTING, ELBOW - 90 DEG (2) |
1 |
|
|
|
|
35 |
TX0805
|
TUBE (2) |
1 |
|
|
|
|
36 |
VY8331
|
CLAMP |
1 |
|
|
|
|
37 |
DC7524
|
CAPSCREW - 3/8" - 16NC X 7/8" |
1 |
|
|
|
|
38 |
WA0720
|
FLAT WASHER - 3/8" |
3 |
|
|
|
|
39 |
C0312
|
LOCKWASHER - 3/8" |
3 |
|
|
|
|
40 |
C1521
|
NUT - 3/8" - 16NC |
1 |
|
|
|
|
41 |
TF5190
|
FITTING, TUBE CONNECTOR (2) |
1 |
|
|
|
|
42 |
TR6102
|
SCREW, BLEEDER |
2 |
|
|
|
|
43 |
TX0808
|
BOSS, BLEEDER REMOTE (2) |
1 |
|
|
|
|
44 |
EM6445
|
BRACKET |
1 |
|
|
|
|
45 |
VN3275
|
CAPSCREW - 1 1/4" - 7NC X 5 1/2" |
8 |
|
|
|
|
46 |
EL0628
|
SPACER |
8 |
|
|
|
|
47 |
EL0627
|
GEAR |
1 |
|
|
|
|
48 |
SL5023
|
O-RING (1) |
1 |
|
|
|
|
49 |
TC1234
|
CAPSCREW - 3/8" - 16NC X 3/4" |
2 |
|
|
|
|
50 |
XC1933
|
PLATE ASSEMBLY |
1 |
|
|
|
|
50 |
XB8490
|
PLATE |
1 |
|
|
|
|
50 |
WB3932
|
DECAL, PRESSURIZED FLUID |
1 |
|
|
|
|
NS|56 |
58E-SM-AK030
|
NOTE: (1) INCLUDED IN 58E-SM-AK030 BEARING AND SEAL KIT. |
-1 |
|
|
|
|
NS|57 |
|
(2) USED ON TOP BRAKE HEAD ONLY. |
-1 |
|
|
|
|
NS|58 |
|
(QUANTITIES SHOWN ARE FOR ONE SIDE ONLY.) |
-1 |
|
|