|
|
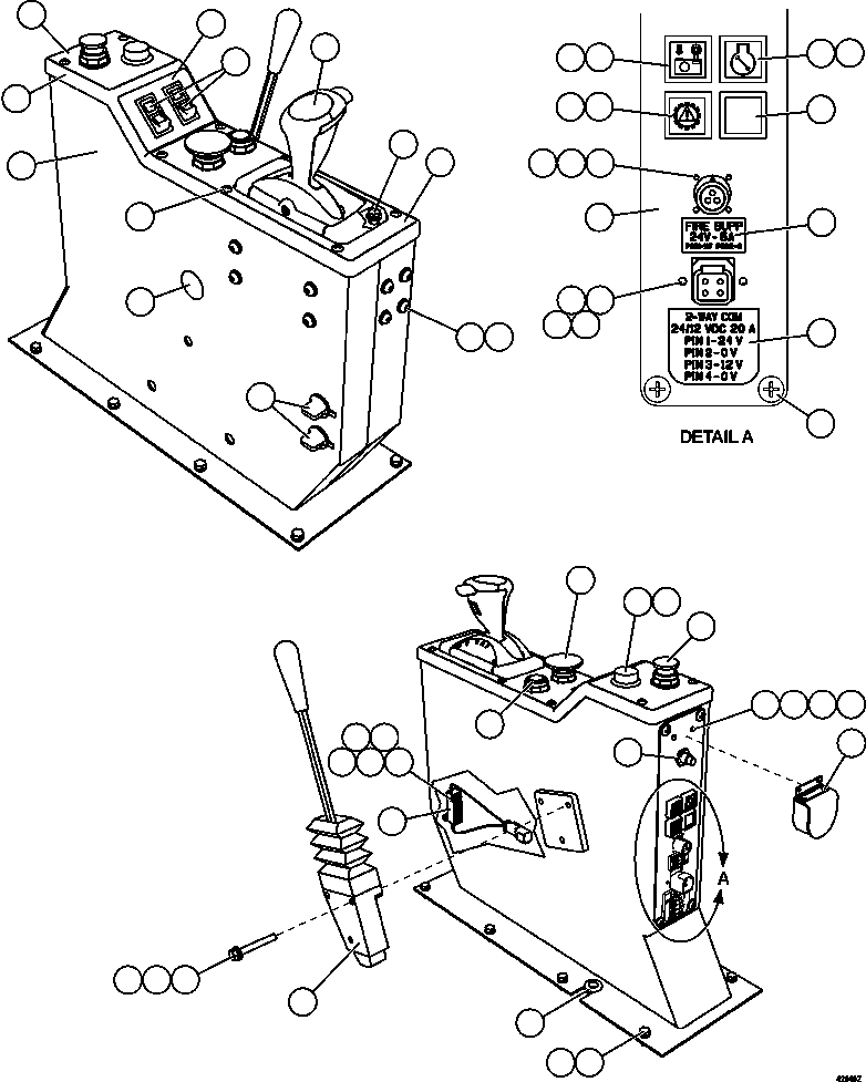
1 |
EM5646
|
CONSOLE |
1 |
|
|
|
|
2 |
EL4131
|
COVER, MOLDED (SHIFT CONSOLE) |
1 |
|
|
|
|
3 |
EL2721
|
DECAL, SHIFT CONSOLE - FORWARD |
1 |
|
|
|
|
4 |
EL2723
|
DECAL, SHIFT CONSOLE - MIDDLE |
1 |
|
|
|
|
5 |
EM2711
|
DECAL, SHIFT CONSOLE - REAR |
1 |
|
|
|
|
6 |
MM0470
|
LOCKWASHER - M8 |
12 |
|
|
|
|
7 |
PC1374
|
OUTLET, AUXILIARY POWER |
2 |
|
|
|
|
8 |
SM0628
|
COVER |
1 |
|
|
|
|
9 |
DF4944
|
LOCKWASHER - #6 |
2 |
|
|
|
|
10 |
HE2467
|
MACHINE SCREW - #6 - 32NC X 1/2" |
2 |
|
|
|
|
11 |
HE5125
|
FLAT WASHER - #6 |
2 |
|
|
|
|
12 |
DD2468
|
NUT - #6 - 32NC |
2 |
|
|
|
|
13 |
PN6893
|
VALVE, CONTROL |
1 |
|
|
|
|
14 |
SC4174
|
LOCKWASHER - 5/16" |
3 |
|
|
|
|
15 |
TV0177
|
FLAT WASHER - 5/16" |
3 |
|
|
|
|
16 |
WA3597
|
CAPSCREW - 5/16" - 18NC X 2 1/4" |
3 |
|
|
|
|
17 |
SM4443
|
FLASHER ASSEMBLY - CLEAR LENS |
4 |
|
|
|
|
17 |
SP8443
|
LIGHT BULB |
4 |
|
|
|
|
18 |
EL4153
|
DECAL, VHMS SNAPSHOT IN PROGRESS |
1 |
|
|
|
|
19 |
SM5073
|
DECAL, SERVICE ENGINE |
1 |
|
|
|
|
20 |
SM5104
|
DECAL, LINK ENERGIZED |
1 |
|
|
|
|
21 |
PB8624
|
SWITCH, PUSH BUTTON (DATA STORE) |
1 |
|
|
|
|
22 |
TF7982
|
GROMMET, RUBBER |
1 |
|
|
|
|
23 |
WA4605
|
SCREW - #10 - 24NC X 1/2" |
10 |
|
|
|
|
24 |
PC1377
|
BUTTON, PUSH (OVERRIDE/FAULT RESET) |
1 |
|
|
|
|
25 |
PC1375
|
SWITCH, PUSH - PULL (ENGINE SHUTDOWN) |
1 |
|
|
|
|
26 |
PC1817
|
LEVER, GEAR SELECTOR |
1 |
|
|
|
|
27 |
31127R1
|
CAPSCREW - M6 X 1.00 X 12 (UNDER MOLDED COVER) |
4 |
|
|
|
|
28 |
XB0514
|
PLATE, DIAGNOSTIC |
1 |
|
|
|
|
29 |
PC0490
|
SWITCH, ROCKER (ELECTRIC WINDOW) |
2 |
|
|
|
|
30 |
SM0926
|
SCREW - M6 X 1.00 |
4 |
|
|
|
|
31 |
ED2863
|
POTENTIOMETER (RETARD SPEED CONTROL) |
1 |
|
|
|
|
32 |
PB5957
|
KNOB |
1 |
|
|
|
|
33 |
MM0593
|
CAPSCREW - M8 X 1.25 X 20 |
8 |
|
|
|
|
34 |
PC1376
|
BUTTON, PUSH-PULL (RETARD SPEED CONTROL) |
1 |
|
|
|
|
35 |
EM5648
|
RESISTOR |
1 |
|
|
|
|
36 |
MM0460
|
FLAT WASHER - M8 |
8 |
|
|
|
|
37 |
VG1621
|
MACHINE SCREW - 4-40 X 5/8" |
2 |
|
|
|
|
38 |
VN9708
|
NUT - 4-40 |
2 |
|
|
|
|
39 |
VD7129
|
LOCKWASHER - #4 |
8 |
|
|
|
|
40 |
VN9762
|
FLAT WASHER - #4 |
4 |
|
|
|
|
41 |
TV3555
|
PLUG, BUTTON - 1 3/8" |
1 |
|
|
|
|
42 |
SM5115
|
CAPSCREW - M8 X 1.25 X 20 |
4 |
|
|
|
|
43 |
WB3548
|
NAME PLATE - FIRE SUPP |
1 |
|
|
|
|
44 |
WB3549
|
NAME PLATE - 2 WAY RADIO |
1 |
|
|
|
|
45 |
MM0344
|
SCREW - M4 X 0.7 |
2 |
|
|
|
|
46 |
MM0378
|
LOCKWASHER - M4 |
2 |
|
|
|
|
47 |
MM0205
|
LOCKWASHER - M4 |
2 |
|
|
|
|
48 |
MM0372
|
NUT - M4 X 0.7 |
2 |
|
|
|
|
49 |
MM0331
|
SCREW - M3 X 0.5 X 20 |
4 |
|
|
|
|
50 |
MM0376
|
LOCKWASHER - M3 |
4 |
|
|
|
|
51 |
MM0370
|
NUT - M3 X 0.5 |
4 |
|
|