|
|
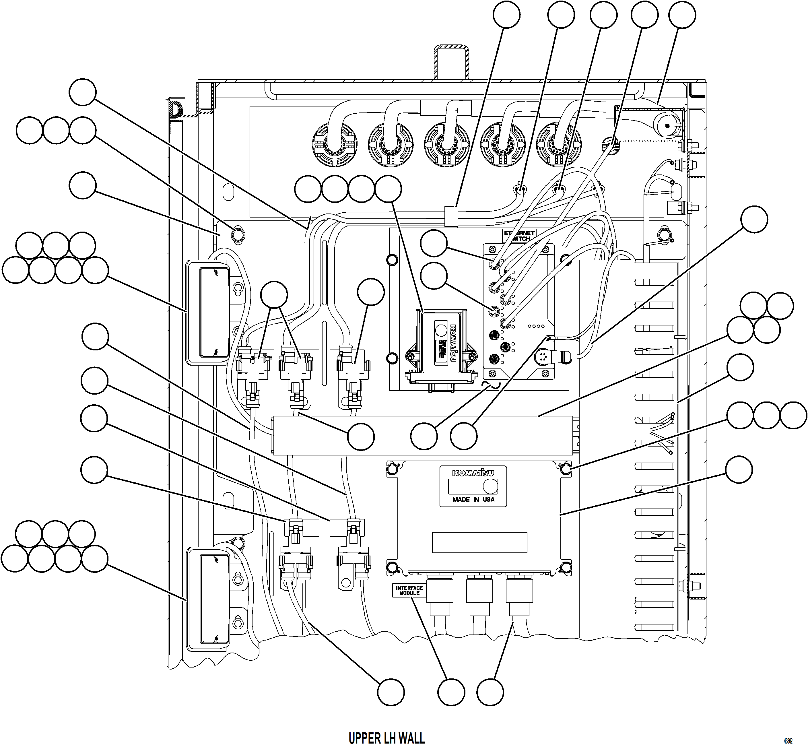
1 |
XC2504
|
BRACKET, LIGHT |
2 |
|
|
|
|
2 |
PC3010
|
LIGHT, DOME |
2 |
|
|
|
|
3 |
PC1507
|
MACHINE SCREW - #8 - 32NC X 1" |
8 |
|
|
|
|
4 |
MM0581
|
CAPSCREW - M6 X 1.00 X 16 |
8 |
|
|
|
|
5 |
SP8417
|
FLAT WASHER - 1/4" |
8 |
|
|
|
|
6 |
EC7457
|
NAME PLATE - DL5 |
1 |
|
|
|
|
7 |
WB4010
|
NAME PLATE - CAN RPC |
2 |
|
|
|
|
8 |
WB4009
|
NAME PLATE - CAN J1939 |
2 |
|
|
|
|
9 |
58E-06-10831
|
HARNESS, 1939 JUMPER (CAN J1939 JUMPER) |
1 |
|
|
|
|
10 |
58E-06-08060
|
HARNESS, WIRING |
1 |
|
|
|
|
11 |
58E-06-00541
|
HARNESS, CAN RPC |
1 |
|
|
|
|
12 |
PC0618
|
PLUG, TERMINATING |
2 |
|
|
|
|
13 |
EC7461
|
NAME PLATE - DL6 |
1 |
|
|
|
|
14 |
58E-06-00215
|
PLATE |
1 |
|
|
|
|
15 |
TG5720
|
CAPSCREW - 3/8" - 16NC X 1" |
8 |
|
|
|
|
16 |
TR4436
|
FLAT WASHER - 3/8" |
8 |
|
|
|
|
17 |
TC1231
|
LOCKWASHER - 3/8" |
8 |
|
|
|
|
18 |
58E-06-08070
|
HARNESS, WIRING |
1 |
|
|
|
|
19 |
PC0616
|
RECEPTACLE, TEE |
7 |
|
|
|
|
20 |
WB3093
|
CLAMP, CUSHIONED - 1" |
1 |
|
|
|
|
21 |
58E-06-06981
|
CABLE, CAT5E - AUXILIARY |
3 |
|
|
|
|
22 |
58E-06-10730
|
HARNESS, CAN RPC (CAN RPC/GE) |
1 |
|
|
|
|
23 |
58E-06-10720
|
HARNESS, CAN J1939 (CAN/GE) |
1 |
|
|
|
|
24 |
58E-06-06900
|
CABLE, CAT5E/GE |
1 |
|
|
|
|
25 |
58E-06-00524
|
HARNESS, GE/AUX BOX INTERFACE |
1 |
|
|
|
|
26 |
58E-06-07571
|
CABLE, ETHERNET - POWER |
1 |
|
|
|
|
27 |
58E-06-00410
|
COVER, WIRE (24-12 VDC, 60 AMP) |
1 |
|
|
|
|
28 |
58E-06-00390
|
DUCT, WIRE |
1 |
|
|
|
|
29 |
58E-06-10360
|
SCREW, FLANGE |
17 |
|
|
|
|
30 |
58E-06-10350
|
NUT, SPECIAL |
17 |
|
|
|
|
31 |
58E-06-00313
|
RETAINER, WIRE DUCT |
1 |
|
|
|
|
32 |
MM0401
|
CAPSCREW - M8 X 1.25 X 90 |
4 |
|
|
|
|
33 |
MM0460
|
FLAT WASHER - M8 |
4 |
|
|
|
|
34 |
MM0470
|
LOCKWASHER - M8 |
4 |
|
|
|
|
35 |
EJ9089
|
CONTROLLER, INTERFACE MODULE (IM) (UNPROGRAMMED) |
1 |
|
|
|
|
36 |
58E-06-00506
|
HARNESS, AUXILIARY CONTROL CABINET INTERNAL |
1 |
|
|
|
|
37 |
EK2723
|
NAME PLATE - INTERFACE MODULE |
1 |
|
|
|
|
38 |
58E-06-10821
|
HARNESS, 1939 JUMPER (CAN RPC JUMPER) |
1 |
|
|
|
|
39 |
58E-06-07531
|
HARNESS, WIRING - KWB AUXILIARY (PLM 4/IM) |
1 |
|
|
|
|
40 |
58E-06-06940
|
CABLE, CAT5E GROUND |
1 |
|
|
|
|
41 |
58E-54-19750
|
ETHERNET MOUNTING ASSEMBLY (SEE FIG 43803) |
1 |
|
43803 |
|
|
42 |
PC1516
|
NUT - #8 - 32NC |
8 |
|
|
|
|
43 |
58B-06-08000
|
POWER SUPPLY - ELECTRONIC |
1 |
|
|
|
|
44 |
MM0459
|
FLAT WASHER - M6 |
2 |
|
|
|
|
45 |
MM0469
|
LOCKWASHER - M6 |
2 |
|
|
|
|
46 |
MM0176
|
NUT - M6 X 1.00 |
2 |
|
|