|
|
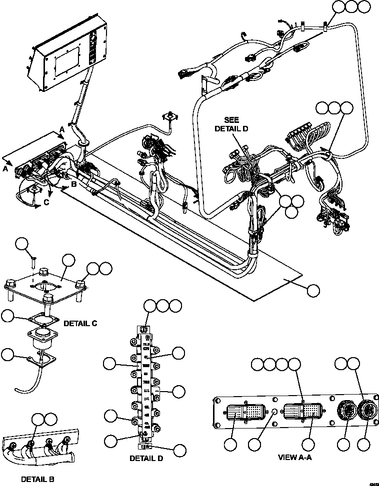
1 |
VC7674
|
CLAMP - 2 7/16" |
5 |
|
|
|
|
2 |
MM0177
|
NUT - M8 X 1.25 |
5 |
|
|
|
|
3 |
MM0460
|
FLAT WASHER - M8 |
5 |
|
|
|
|
4 |
EK4010
|
MAT, RUBBER |
1 |
|
|
|
|
5 |
58E-06-00621
|
HARNESS, CAB OVERHEAD |
1 |
|
|
|
|
5 |
58B-06-00190
|
RESISTOR - 470 OHM (R16) |
1 |
|
|
|
|
5 |
PC2834
|
DIODE - 4 AMP (D9, D10) |
3 |
|
|
|
|
6 |
58E-06-00610
|
HARNESS, CAB DASH |
1 |
|
|
|
|
6 |
PC2834
|
DIODE - 4 AMP (D4, D15, D71) |
3 |
|
|
|
|
6 |
PC1730
|
RELAY W/DIODE (P08, P09) |
2 |
|
|
|
|
6 |
PC0566
|
MODULE, WIPER TIMER DELAY (P10) |
1 |
|
|
|
|
7 |
58E-06-00591
|
HARNESS, CAB/GE SIGNAL |
1 |
|
|
|
|
7 |
58B-06-00290
|
VARISTOR (R27) |
1 |
|
|
|
|
8 |
XC2554
|
PLATE, CONNECTOR |
1 |
|
|
|
|
9 |
58E-06-00603
|
HARNESS, ENGINE/CAB DIAGNOSTIC |
1 |
|
|
|
|
10 |
PB5371
|
NUT |
2 |
|
|
|
|
11 |
PB5373
|
LOCKWASHER |
2 |
|
|
|
|
12 |
MM0027
|
CAPSCREW - M6 X 1.00 X 25 |
16 |
|
|
|
|
13 |
MM0469
|
LOCKWASHER - M6 |
16 |
|
|
|
|
14 |
MM0357
|
MACHINE SCREW - M6 X 1.00 X 12 |
4 |
|
|
|
|
15 |
MM0459
|
FLAT WASHER - M6 |
4 |
|
|
|
|
16 |
SM2117
|
PLATE, NUT |
2 |
|
|
|
|
17 |
SM0721
|
GASKET |
2 |
|
|
|
|
18 |
WA5642
|
MACHINE SCREW - #4 - 40NC X 1/2" |
4 |
|
|
|
|
19 |
SM2192
|
PLATE |
2 |
|
|
|
|
20 |
TG1929
|
MACHINE SCREW - #10 - 24NC X 1/2" |
2 |
|
|
|
|
21 |
DC3101
|
LOCKWASHER - #10 |
2 |
|
|
|
|
22 |
VC5344
|
FLAT WASHER - #10 |
2 |
|
|
|
|
23 |
WB3983
|
ID, CIRCUIT |
1 |
|
|
|
|
24 |
EB7418
|
BUS BAR |
1 |
|
|
|
|
25 |
WB0820
|
NAME PLATE - TB10 |
1 |
|
|
|
|
26 |
VM2951
|
SCREW, SELF-TAPPING - #6 - 32NC X 5/16" |
2 |
|
|
|
|
27 |
WA3367
|
NUT ASSEMBLY - #10 - 32NC |
12 |
|
|
|
|
28 |
VS8192
|
BOARD, TERMINAL (SEE INDEX) |
1 |
|
64070 |
|
|
29 |
WB3096
|
CLAMP, CUSHIONED - 1 1/4" |
2 |
|
|
|
|
30 |
PC3407
|
GASKET |
2 |
|
|
|
|
31 |
TV2179
|
NUT - #8 - 32NC |
8 |
|
|
|
|
32 |
VM9910
|
LOCKWASHER - #8 |
8 |
|
|
|
|
33 |
922714
|
MACHINE SCREW - #8 - 32NC X 3/4" |
8 |
|
|