Find books across the catalog from one place.
This page is prepared as the search workspace. The search behavior itself can be connected in the next step.
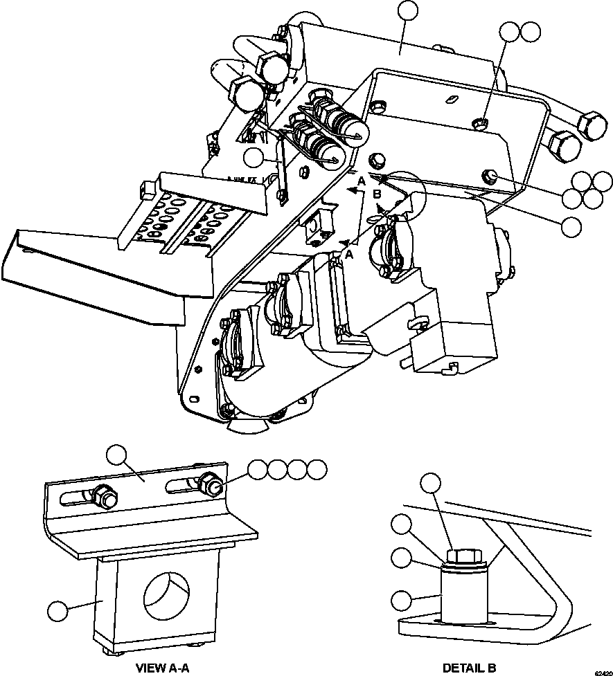
6212611203.PUMP MODULE 3/3 (62420) in AFE59-FL 930E-4 S/N A31693, A31701, A31710, A31714, A31738 & A31740 TECK - GREENHILLS / FORDING RIVER / QUINTETTE. Diagram image and parts list.
Test text. Dear users! Access to the special equipment catalogs is paid. You can review the service usage rules and tariffs on the page!