|
|
? |
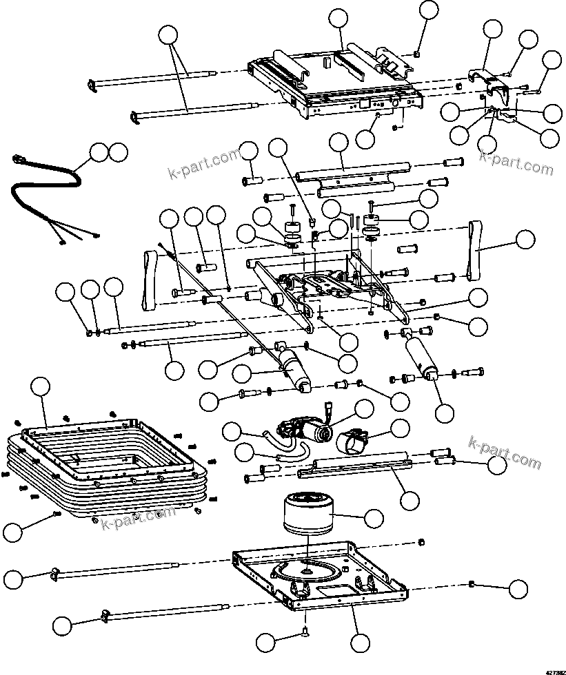
XA4923
|
SHAFT, BEARING |
4 |
|
|
|
|
? |
XA4920
|
HOUSING, UPPER |
1 |
|
|
|
|
? |
XA4962
|
NUT, CENTERLOCK - 3/8" - 16NC |
10 |
|
|
|
|
? |
XA4932
|
BRACKET, CABLE |
1 |
|
|
|
|
? |
XA4965
|
CAPSCREW - 1/4" - 20NC X 5/8" |
2 |
|
|
|
|
? |
XA4952
|
CAPSCREW - 1/4" - 20NC X 1 1/2" |
1 |
|
|
|
|
? |
XA4951
|
CAPSCREW - #6 - 32NC X 1/2" |
1 |
|
|
|
|
? |
XA4931
|
KNOB |
1 |
|
|
|
|
? |
XA4954
|
SPRING, COMPRESSION |
1 |
|
|
|
|
? |
XA4946
|
BALL, BEARING |
1 |
|
|
|
|
? |
XA4950
|
LOCKNUT - #6 - 32NC |
1 |
|
|
|
|
? |
XA4961
|
LOCKNUT - 1/4" - 20NC |
5 |
|
|
|
|
? |
XA4929
|
LINK, NARROW TOGGLE |
1 |
|
|
|
|
? |
XA4966
|
CAPSCREW - 3/8" - 16NC X 1/2" |
1 |
|
|
|
|
? |
XA4943
|
TUBE, BEARING |
12 |
|
|
|
|
? |
XA4935
|
SHOULDER BOLT |
2 |
|
|
|
|
? |
XA4957
|
LOCKWASHER |
2 |
|
|
|
|
? |
XA4963
|
FLAT WASHER |
2 |
|
|
|
|
? |
XA4930
|
RETAINER, BUMPER |
2 |
|
|
|
|
? |
XA4960
|
CAPSCREW - #8 - 32NC X 1 1/4" |
2 |
|
|
|
|
? |
XA4947
|
FITTING, 90 DEGREE ELBOW (1) |
1 |
|
|
|
|
? |
XA4939
|
BUMPER |
2 |
|
|
|
|
? |
XA4959
|
SCREW - 1/4" - 20NC X 1" |
2 |
|
|
|
|
? |
XA4925
|
TETHER, BOLT |
2 |
|
|
|
|
? |
XA4924
|
ARM, SCISSORS |
1 |
|
|
|
|
? |
XA4938
|
SHOCK ABSORBER |
1 |
|
|
|
|
? |
XA4934
|
CLAMP, COMPRESSOR |
1 |
|
|
|
|
? |
XA4928
|
LINK, WIDE TOGGLE |
1 |
|
|
|
|
? |
XA4941
|
SPRING, AIR |
1 |
|
|
|
|
? |
XA4921
|
HOUSING, LOWER |
1 |
|
|
|
|
? |
XA4958
|
SCREW - 3/8" - 16NC |
1 |
|
|
|
|
? |
XA4955
|
CLIP |
1 |
|
|
|
|
? |
XA4942
|
BOOT, SUSPENSION |
1 |
|
|
|
|
? |
XA5791
|
COMPRESSOR |
1 |
|
|
|
|
? |
XA4956
|
TUBING, NYLON - 5/32" (PRESSURE) (1)/(2) |
1 |
|
|
|
|
? |
XA4948
|
TUBING, CONVOLUTED (VENT) |
1 |
|
|
|
|
? |
XA4933
|
SHOULDER BOLT |
2 |
|
|
|
|
? |
XA4922
|
SHOCK ABSORBER, ADJUSTABLE |
1 |
|
|
|
|
? |
XA4937
|
WASHER, SPACER |
4 |
|
|
|
|
? |
XA4940
|
BEARING |
4 |
|
|
|
|
? |
XA4936
|
SHAFT, BEARING - LONG |
1 |
|
|
|
|
? |
XA4926
|
SHAFT, BEARING - SHORT |
1 |
|
|
|
|
? |
XA4964
|
FLAT WASHER |
2 |
|
|
|
|
? |
XA4927
|
HARNESS, SEAT COMPRESSOR |
1 |
|
|
|
|
? |
XA4945
|
TIE, CABLE (1) |
1 |
|
|
|
|
? |
XA5074
|
NOTE: (1) INCLUDED IN XA5074 AIR LINE SERVICE KIT. |
-1 |
|
|
|
|
? |
|
(2) NOT SERVICED SEPARATELY. ORDER XA5074. |
-1 |
|
|