|
|
? |
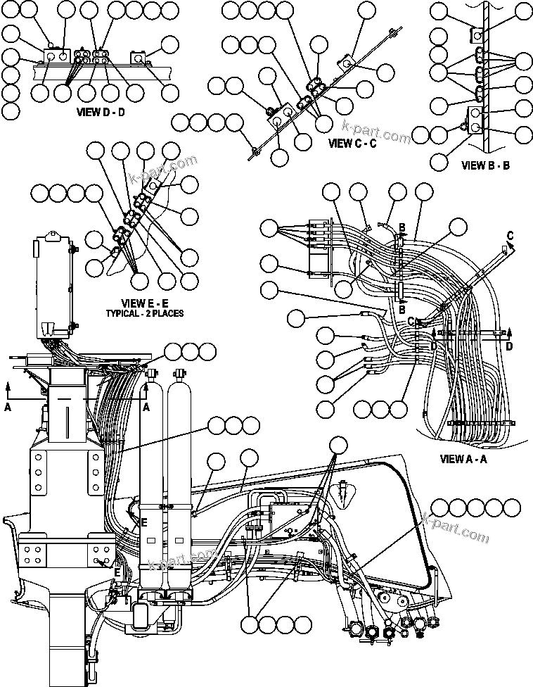
EJ3118
|
SHIELD |
1 |
|
|
|
|
? |
MM0605
|
CAPSCREW - M10 X 1.50 X 25 |
12 |
|
|
|
|
? |
MM0461
|
FLAT WASHER - M10 |
8 |
|
|
|
|
? |
EL8083
|
SHIELD |
1 |
|
|
|
|
? |
HA7923
|
HOSE (BRAKE RETURN) |
1 |
|
|
|
|
? |
HA7420
|
HOSE (REAR BRAKE RELAY VALVE PRESSURE) |
1 |
|
|
|
|
? |
HA7995
|
HOSE (REAR BRAKE ACCUMULATOR) |
1 |
|
|
|
|
? |
HA7857
|
HOSE (FRONT BRAKE ACCUMULATOR) |
1 |
|
|
|
|
? |
HA7422
|
HOSE (PARKING BRAKE) |
1 |
|
|
|
|
? |
HA7536
|
HOSE (STEERING VALVE PORTS L,P,R & T) |
4 |
|
|
|
|
? |
HA8201
|
HOSE (STEERING VALVE PORT LS) |
1 |
|
|
|
|
? |
HA7836
|
HOSE (BRAKE SUPPLY) |
1 |
|
|
|
|
? |
HA7285
|
HOSE (HOIST PILOT VALVE RETURN) |
1 |
|
|
|
|
? |
HA7421
|
HOSE (REAR BRAKE RELAY VALVE SIGNAL) |
1 |
|
|
|
|
? |
HA8432
|
HOSE (LEFT FRONT BRAKE APPLICATION) |
1 |
|
|
|
|
? |
HA8430
|
HOSE (RIGHT FRONT BRAKE APPLICATION) |
1 |
|
|
|
|
? |
HA8431
|
HOSE (HOIST PILOT POWER UP AND POWER DOWN) |
2 |
|
|
|
|
? |
HA8430
|
HOSE (HOIST PILOT VALVE SUPPLY) |
1 |
|
|
|
|
? |
EK2227
|
CLAMP ASSEMBLY |
5 |
|
|
|
|
? |
MM0713
|
FLAT WASHER - M10 (HARDENED) |
4 |
|
|
|
|
? |
MM0178
|
NUT - M10 X 1.50 |
4 |
|
|
|
|
? |
EJ5592
|
CLAMP ASSEMBLY |
7 |
|
|
|
|
? |
EJ3891
|
CLAMP ASSEMBLY |
41 |
|
|
|
|
? |
EJ1939
|
ROD, THREADED |
16 |
|
|
|
|
? |
MM0459
|
FLAT WASHER - M6 |
24 |
|
|
|
|
? |
MM0176
|
NUT, HEX - M6 X 1.00 |
24 |
|
|
|
|
? |
WB1303
|
CLAMP, CUSHIONED - 3/4" |
3 |
|
|
|
|
? |
EJ9746
|
CLAMP ASSEMBLY |
3 |
|
|
|
|
? |
EJ5589
|
BRACKET |
1 |
|
|
|
|
? |
EK2530
|
BRACKET |
1 |
|
|
|
|
? |
WB0375
|
FITTING, ELBOW - 90 DEG |
3 |
|
|