Find books across the catalog from one place.
This page is prepared as the search workspace. The search behavior itself can be connected in the next step.
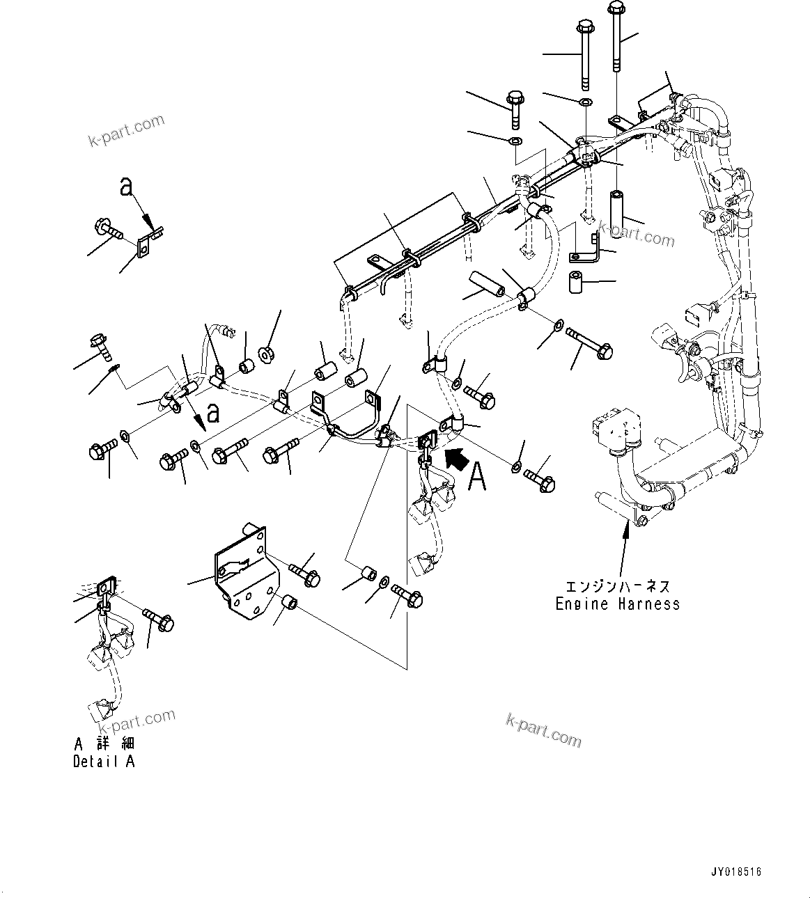
6212611203.WIRING HARNESS, (2/3) (#660776-) (A6810-001002) in SAA6D125E-5HR S/N 660776-UP (For GD755-5R). Diagram image and parts list.
Test text. Dear users! Access to the special equipment catalogs is paid. You can review the service usage rules and tariffs on the page!