|
|
? |
EL4833
|
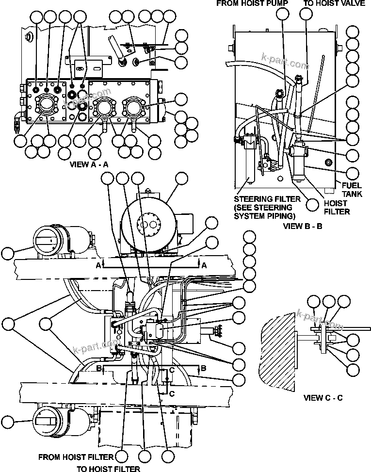
HOIST CYLINDER ASSEMBLY (SEE INDEX) |
2 |
|
55740 |
|
|
? |
EK4067
|
TANK, HYDRAULIC (SEE FIG 55621) |
1 |
|
55621 |
|
|
? |
HA2463
|
HOSE |
2 |
|
|
|
|
? |
HA7431
|
HOSE |
2 |
|
|
|
|
? |
HA7340
|
HOSE |
1 |
|
|
|
|
? |
HA7508
|
HOSE |
1 |
|
|
|
|
? |
HA5194
|
HOSE |
1 |
|
|
|
|
? |
HA7782
|
HOSE |
1 |
|
|
|
|
? |
EJ1023
|
HOIST PUMP MODULE (SEE FIG 55484 & 55517) (1) |
1 |
|
55484 |
|
|
? |
HA7339
|
HOSE |
1 |
|
|
|
|
? |
WB0508
|
FITTING, ELBOW - 90 DEG |
3 |
|
|
|
|
? |
HA7454
|
HOSE |
1 |
|
|
|
|
? |
HA7695
|
HOSE |
1 |
|
|
|
|
? |
HA4273
|
HOSE |
1 |
|
|
|
|
? |
HA6502
|
HOSE |
3 |
|
|
|
|
? |
PC0184
|
SHAFT, DRIVE (SEE FIG 55350) |
1 |
|
55350 |
|
|
? |
TG2568
|
CLAMP, VINYL |
3 |
|
|
|
|
? |
C1602
|
CAPSCREW - 3/8" - 16NC X 1" |
1 |
|
|
|
|
? |
WA0720
|
FLAT WASHER - 3/8" |
1 |
|
|
|
|
? |
C0312
|
LOCKWASHER - 3/8" |
1 |
|
|
|
|
? |
C1521
|
NUT - 3/8" - 16NC |
1 |
|
|
|
|
? |
VL9963
|
CLAMP, SPLIT |
8 |
|
|
|
|
? |
WA0237
|
O-RING |
6 |
|
|
|
|
? |
C1629
|
CAPSCREW - 5/8" - 11NC X 1 3/4" |
8 |
|
|
|
|
? |
C1541
|
LOCKWASHER - 5/8" |
19 |
|
|
|
|
? |
C1640
|
CAPSCREW - 5/8" - 11NC X 4 1/4" |
8 |
|
|
|
|
? |
WB0581
|
FITTING, STRAIGHT |
2 |
|
|
|
|
? |
WB0601
|
FITTING, STRAIGHT |
1 |
|
|
|
|
? |
EK4069
|
GUARD |
1 |
|
|
|
|
? |
MM0042
|
CAPSCREW - M10 X 1.50 X 25 |
4 |
|
|
|
|
? |
MM0461
|
FLAT WASHER - M10 |
4 |
|
|
|
|
? |
WB0470
|
FITTING, 37 DEG FLARE - STRAIGHT ADAPTER |
1 |
|
|
|
|
? |
PB2717
|
PROBE, TEMP |
1 |
|
|
|
|
? |
PB2639
|
PROBE, LEVEL |
1 |
|
|
|
|
? |
PB3019
|
REDUCER, BAFFLED |
1 |
|
|
|
|
? |
HA7768
|
HOSE |
1 |
|
|
|
|
? |
PC0171
|
VALVE, SHUT-OFF - 3" |
1 |
|
|
|
|
? |
PC0171
|
VALVE, SHUT-OFF - 3" |
1 |
|
|
|
|
? |
HA7333
|
HOSE |
1 |
|
|
|
|
? |
WB0585
|
FITTING, STRAIGHT |
1 |
|
|
|
|
? |
VM0314
|
PLUG, BOSS - 3/8" |
1 |
|
|
|
|
? |
VM0317
|
PLUG, BOSS - 3/4" |
1 |
|
|
|
|
? |
EH1236
|
FILTER ASSEMBLY |
1 |
|
|
|
|
? |
PB9715
|
FILTER, HI-PRESSURE (SEE INDEX) |
1 |
|
55504 |
|
|
? |
PB7034
|
SEAL, CABLE |
2 |
|
|
|
|
? |
PB7740
|
SLEEVE, TERMINAL |
2 |
|
|
|
|
? |
PB7743
|
CONNECTOR, FEMALE |
1 |
|
|
|
|
? |
TF3231
|
CLAMP, SPLIT |
6 |
|
|
|
|
? |
WA0187
|
O-RING |
3 |
|
|
|
|
? |
C1614
|
CAPSCREW - 1/2" - 13NC X 1 1/2" |
12 |
|
|
|
|
? |
C1540
|
LOCKWASHER - 1/2" |
16 |
|
|
|
|
? |
WB0996
|
FITTING, SPLIT SWIVEL |
1 |
|
|
|
|
? |
PB6770
|
COUPLING, QUICK DISCONNECT - MALE |
1 |
|
|
|
|
? |
162144
|
CUP, DUST |
1 |
|
|
|
|
? |
PB5862
|
COUPLING, MALE QUICK DISCONNECT |
1 |
|
|
|
|
? |
TF5194
|
O-RING |
1 |
|
|
|
|
? |
EG1215
|
PLATE |
1 |
|
|
|
|
? |
TH5601
|
CLAMP, HALF |
1 |
|
|
|
|
? |
TH5602
|
GROMMET |
1 |
|
|
|
|
? |
C7591
|
CAPSCREW - 1/4" - 20NC X 2" |
2 |
|
|
|
|
? |
C5774
|
LOCKWASHER - 1/4" |
2 |
|
|
|
|
? |
VG7000
|
MOUNT, CENTER BONDED |
3 |
|
|
|
|
? |
C1637
|
CAPSCREW - 5/8" - 11NC X 3 3/4" |
3 |
|
|
|
|
? |
WA0361
|
FLAT WASHER - 5/8" |
3 |
|
|
|
|
? |
TD5915
|
WASHER (SPECIAL) |
6 |
|
|
|
|
? |
C1525
|
NUT - 5/8" - 11NC |
3 |
|
|
|
|
? |
PC1438
|
PLUG, FLANGE |
1 |
|
|
|
|
? |
|
NOTE: (1) NOT SOLD AS AN ASSEMBLY. |
-1 |
|
|
|
|
? |
|
ORDER INDIVIDUAL COMPONENT PARTS. |
-1 |
|
|