|
|
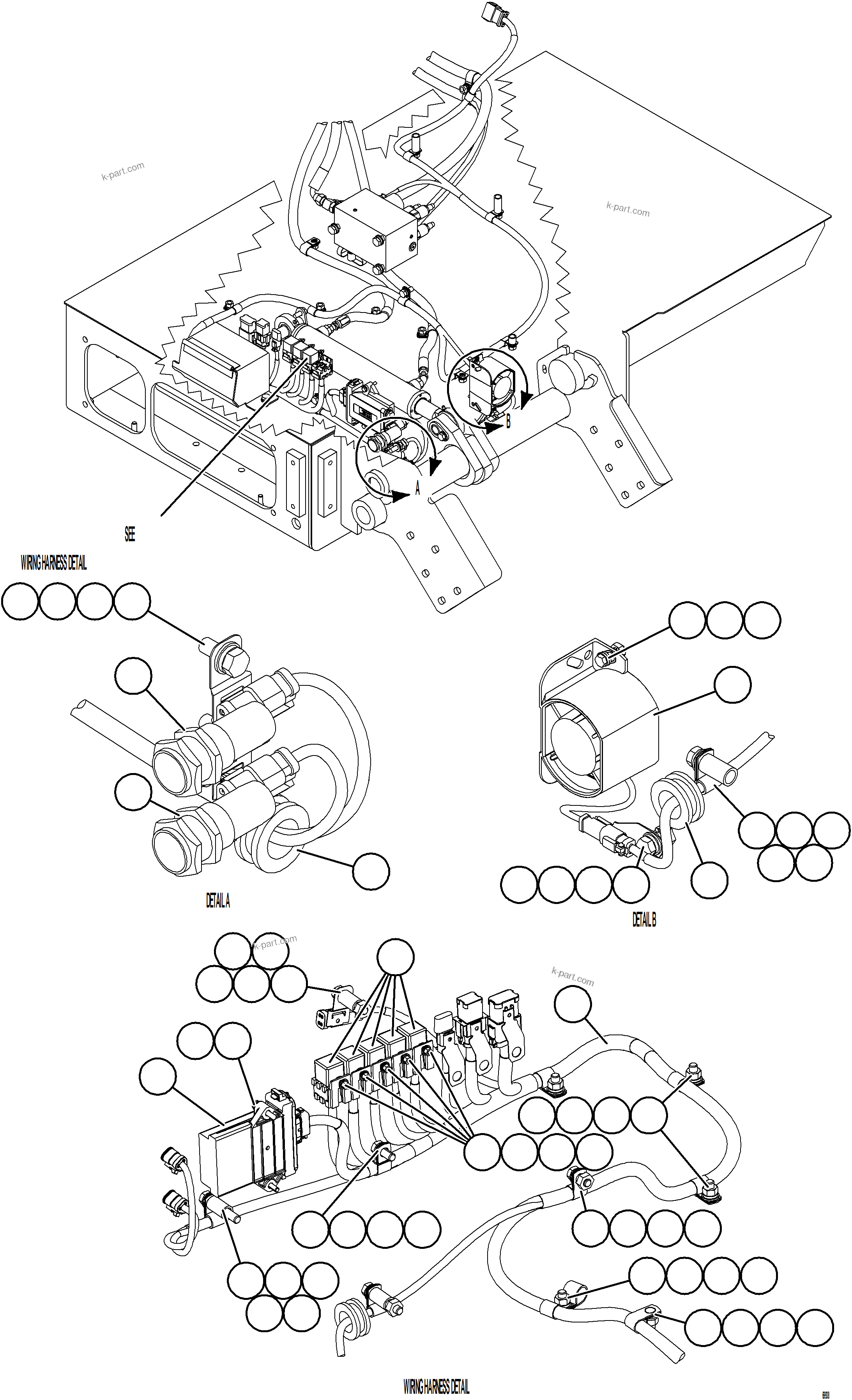
? |
58B-06-02412
|
HARNESS, WIRING - HYDRAULIC LADDER |
1 |
|
|
|
|
? |
58D-06-11101
|
CONTROLLER, HYDRAULIC LADDER |
1 |
|
|
|
|
? |
58E-06-10020
|
RELAY |
5 |
|
|
|
|
? |
58E-06-08400
|
HORN |
1 |
|
|
|
|
? |
56B-06-15610
|
SWITCH, PROXIMITY |
2 |
|
|
|
|
? |
VY0876
|
GROMMET |
2 |
|
|
|
|
? |
MM0351
|
MACHINE SCREW - M5 X 0.8 X 20 |
5 |
|
|
|
|
? |
VC5344
|
FLAT WASHER - #10 |
10 |
|
|
|
|
? |
MM0379
|
LOCKWASHER, EXTERNAL TOOTH - M5 |
5 |
|
|
|
|
? |
MM0373
|
NUT - M5 X 0.8 |
5 |
|
|
|
|
? |
MM0583
|
CAPSCREW - M6 X 1.00 X 25 |
2 |
|
|
|
|
? |
MM0585
|
CAPSCREW - M6 X 1.00 X 35 |
2 |
|
|
|
|
? |
MM0469
|
LOCKWASHER - M6 |
2 |
|
|
|
|
? |
MM0711
|
FLAT WASHER, HARDENED - M6 |
4 |
|
|
|
|
? |
MM0605
|
CAPSCREW - M10 X 1.50 X 25 |
8 |
|
|
|
|
? |
MM0611
|
CAPSCREW - M10 X 1.50 X 60 |
2 |
|
|
|
|
? |
MM0471
|
LOCKWASHER - M10 |
18 |
|
|
|
|
? |
MM0461
|
FLAT WASHER - M10 |
12 |
|
|
|
|
? |
MM0713
|
FLAT WASHER, HARDENED - M10 |
8 |
|
|
|
|
? |
MM0178
|
NUT - M10 X 1.50 |
10 |
|
|
|
|
? |
WB3098
|
CLAMP, CUSHIONED - 3/8" |
2 |
|
|
|
|
? |
WB3097
|
CLAMP, CUSHIONED - 1/2" |
1 |
|
|
|
|
? |
WB1304
|
CLAMP, CUSHIONED - 9/16" |
10 |
|
|
|
|
? |
WB1300
|
CLAMP, CUSHIONED - 5/8" |
2 |
|
|
|
|
? |
WB1303
|
CLAMP, CUSHIONED - 3/4" |
1 |
|
|
|
|
? |
08193-21012
|
CLIP |
1 |
|
|
|
|
? |
EM1398
|
SPACER |
2 |
|
|
|
|
? |
58B-06-20020
|
BRACKET |
2 |
|
|