|
|
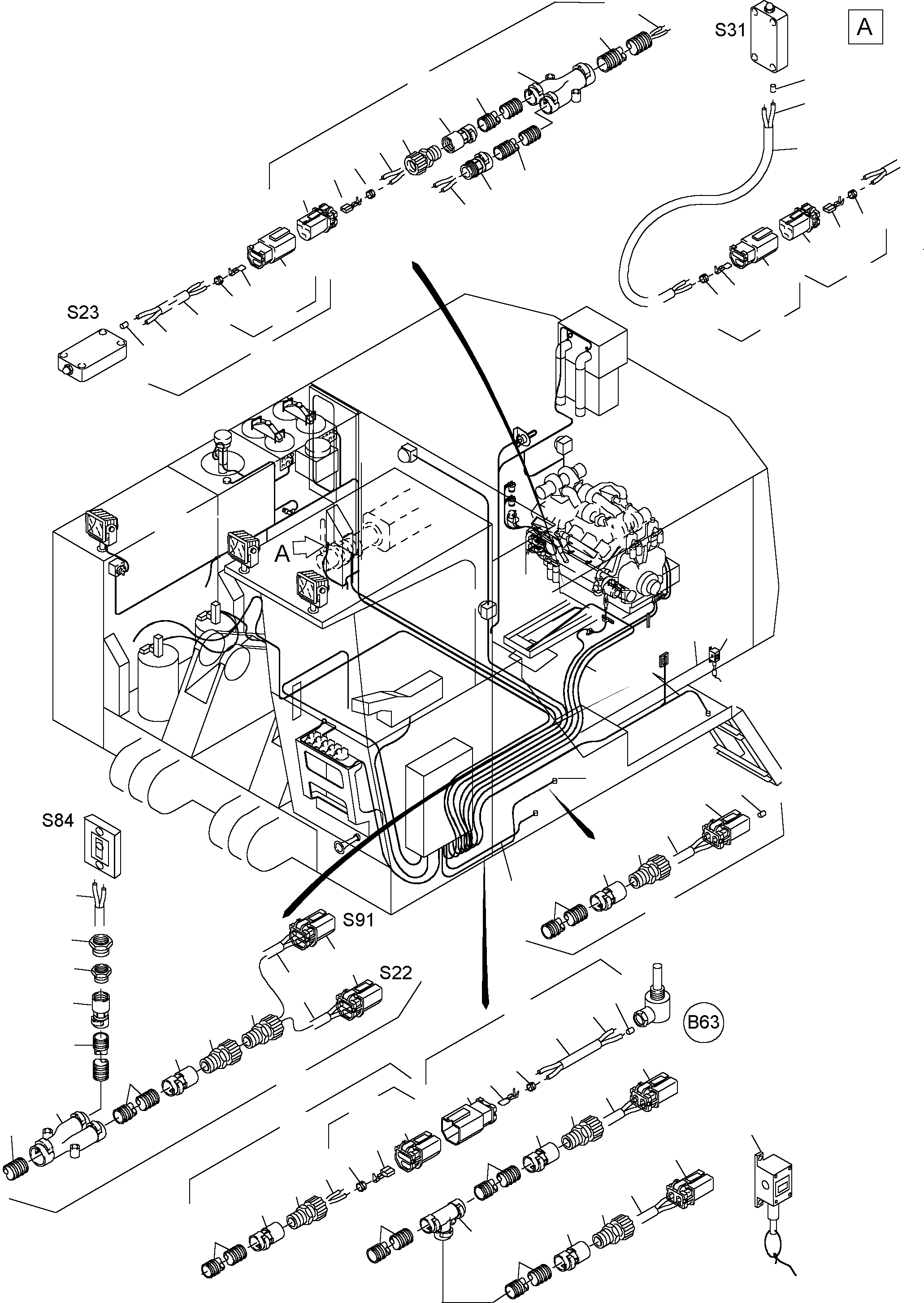
01 |
|
see page Switch cabinet |
1 |
|
|
|
|
02 |
|
see page Operation panel |
1 |
|
|
|
|
03 |
|
see page Lighting equipment |
1 |
|
|
|
|
04 |
|
see page Battery arr. |
1 |
|
|
|
|
05 |
|
see page
Electric in cab support |
1 |
|
|
|
|
06 |
|
see page
Cables - oil tank |
1 |
|
|
|
|
07 |
|
see page
Cables - control frame |
1 |
|
|
|
|
08 |
|
see page
Cables - motor |
1 |
|
|
|
|
09 |
|
see page Warning system |
1 |
|
|
|
|
10 |
899 365 40
|
Harness - engine housing assy. |
1 |
|
|
|
|
11 |
635 143 40
|
Emergency switch-off |
2 |
|
|
|
|
12 |
891 184 40
|
Harness X2 - hydraulic tank
assy. |
1 |
|
|
|
|
13 |
894 000 40
|
Harness X2 - engine front
assy. |
1 |
|
|
|
|
14 |
894 001 40
|
Harness X2 - engine rear 1
assy. |
1 |
|
|
|
|
15 |
894 002 40
|
Harness X2 - engine rear 2
assy. |
1 |
|
|
|
|
16 |
903 341 40
|
Harness X2 - control frame -
pedestal assy. |
1 |
|
|
|
|
17 |
894 006 40
|
Harness X2 - lube arr. assy. |
1 |
|
|
|
|
18 |
894 007 40
|
Harness X2 - refueling assy. |
1 |
|
|
|
|
19 |
903 342 40
|
Harness X2 - control- and
filter plate assy. |
1 |
|
|
|
|
20 |
891 052 40
|
Harness X2 - control panel
X1 assy. |
1 |
|
|
|
|
21 |
891 053 40
|
Harness X2 - pedestal 1 assy. |
1 |
|
|
|
|
22 |
891 054 40
|
Harness X2 - battery box assy. |
1 |
|
|
|
|
23 |
891 055 40
|
Harness X2 - tank sensor assy. |
1 |
|
|
|
|
24 |
899 396 40
|
Harness X2 - ladder assy. |
1 |
|
|
|
|
25 |
891 057 40
|
Harness X2 - boom assy. |
1 |
|
|
|
|
26 |
891 058 40
|
Harness X2 - stick assy. |
1 |
|
|
|
|
27 |
891 086 40
|
Harness X2 - pedestel 2 assy. |
1 |
|
|
|
|
28 |
655 628 40
|
T-Distributor DN 10 |
2 |
|
|
|
|
29 |
655 625 40
|
Connector distributor DN 12/10 |
2 |
|
|
|
|
30 |
655 622 40
|
Cable union, straight DN 12 |
1 |
|
|
|
|
31 |
655 626 40
|
Connector distributor DN 17/12 |
1 |
|
|
|
|
32 |
655 621 40
|
Cable union, straight DN 10 |
2 |
|
|
|
|
33 |
891 031 40
|
Plug with bushings assy. 2-pol. |
2 |
|
|
|
|
34 |
891 051 40
|
Plug with bushings assy. 2-pol. |
1 |
|
|
|
|
35 |
461 933 40
|
Ground strap 70 qmm x 300 |
1 |
|
|
|
|
36 |
600 790 99
|
Reducing 11-9 |
2 |
|
|
|
|
37 |
600 812 99
|
Reducing 13,5-11 |
3 |
|
|
|
|
38 |
600 813 99
|
Reducing 16-13,5 |
2 |
|
|
|
|
39 |
655 805 40
|
Fitting PG 9 |
5 |
|
|
|
|
40 |
655 798 40
|
Cable union PG 9 |
3 |
|
|
|
|
41 |
655 799 40
|
Cable union PG 9 |
2 |
|
|
|
|
42 |
655 649 40
|
Protecting hose DN 10
Bulk ware, state length
required |
-2 |
|
|
|
|
43 |
655 650 40
|
Protecting hose DN 12
Bulk ware, state length
required |
-2 |
|
|
|
|
44 |
655 651 40
|
Protecting hose DN 17
Bulk ware, state length
required |
-2 |
|
|
|
|
45 |
515 189 40
|
Cable 1 qmm2
Bulk ware, state length
required |
-2 |
|
|
|
|
46 |
515 194 40
|
Cable 2,5 qmm2
Bulk ware, state length
required |
-2 |
|
|
|
|
47 |
006 339 79
|
Plug |
2 |
|
|
|
|
48 |
006 345 79
|
Rear holder 2-poles |
2 |
|
|
|
|
49 |
006 350 79
|
Bushing |
2 |
|
|
|
|
50 |
006 352 79
|
Spout |
2 |
|
|
|
|
51 |
006 351 79
|
Bushing |
2 |
|
|
|
|
52 |
006 353 79
|
Spout |
2 |
|
|
|
|
53 |
891 082 40
|
Plug - cold-start valve |
1 |
|
|
|
|
54 |
891 079 40
|
Plug with pins assy. 2-poles |
1 |
|
|
|
|
55 |
006 338 79
|
Plug |
2 |
|
|
|
|
56 |
006 345 79
|
Rear holder 2-poles |
2 |
|
|
|
|
57 |
006 349 79
|
Pin |
2 |
|
|
|
|
58 |
006 353 79
|
Spout |
2 |
|
|
|
|
59 |
891 194 40
|
Plug for pressure switch |
2 |
|
|
|
|
60 |
651 461 40
|
Housing assy. |
1 |
|
|
|
|
61 |
635 043 40
|
Name plate |
-2 |
|
|
|
|
62 |
455 756 99
|
Insulating tube B 6x0,6
Bulk ware, state length
required |
-2 |
|
|
|
|
63 |
515 189 40
|
Cable 1 qmm2
Bulk ware, state length
required |
-2 |
|
|
|
|
64 |
891 039 40
|
Plug with pins assy. 2-poles |
2 |
|
|
|
|
65 |
006 348 79
|
Pin |
2 |
|
|
|
|
66 |
006 352 79
|
Spout |
2 |
|
|
|
|
67 |
891 032 40
|
Plug with bushings assy. 3-polig |
4 |
|
|
|
|
68 |
006 341 79
|
Plug |
1 |
|
|
|
|
69 |
006 346 79
|
Rear holder 2-poles |
1 |
|
|
|
|
70 |
891 059 40
|
Plug- limit switch |
2 |
|
|
|
|
71 |
056 070 40
|
Cable sleeve 1-1,5 |
3 |
|
|
|
|
72 |
455 757 99
|
Insulating tube B 7x0,7
Bulk ware, state length
required |
-2 |
|
|
|
|
73 |
891 040 40
|
Plug with pins assy. 2-poles |
1 |
|
|
|
|
74 |
006 340 79
|
Plug |
1 |
|
|
|
|
75 |
891 067 40
|
Plug - tank sensor B63 |
1 |
|
|
|
|
76 |
655 653 40
|
Hose DN 48
Bulk ware, state length
required |
-2 |
|
|
|
|
77 |
899 366 40
|
Harness - oil filter |
1 |
|
|
|
|
78 |
896 521 40
|
End pin |
-2 |
|
|
|
|
79 |
896 520 40
|
End pin |
-2 |
|
|
|
|
80 |
003 670 79
|
Clip |
-2 |
|
|
|
|
81 |
350 762 99
|
Washer |
-2 |
|
|
|
|
82 |
056 292 40
|
Cable strap |
-2 |
|
|
|
|
83 |
655 547 40
|
Housing |
1 |
|
|
|
|
84 |
655 548 40
|
Contact seal |
2 |
|
|
|
|
85 |
655 549 40
|
Single seal |
2 |
|
|
|
|
86 |
655 550 40
|
Rubber grommet |
1 |
|
|
|
|
87 |
899 383 40
|
Warning system assy. |
1 |
|
|
|
|
88 |
899 382 40
|
Harness - warning system |
1 |
|
|
|
|
89 |
255 680 40
|
Pull switch |
2 |
|
|
|
|
90 |
896 522 40
|
End pin |
-2 |
|
|
|
|
91 |
655 632 40
|
Pipe adapter DN 17/10 |
1 |
|
|
|
|
92 |
655 636 40
|
Fitting PG 13,5 |
1 |
|
|
|
|
93 |
655 803 40
|
Cable union PG 13,5 |
1 |
|
|
|
|
94 |
903 340 40
|
Harness - check valve assy.
for fire extinguishing equipment |
1 |
|
|
|
|
95 |
600 849 99
|
Reducing 16-11 |
1 |
|
|