Search in all models by partnumber
Search current book

Komatsu PC3000-6E S/N 06262 parts catalog PDF

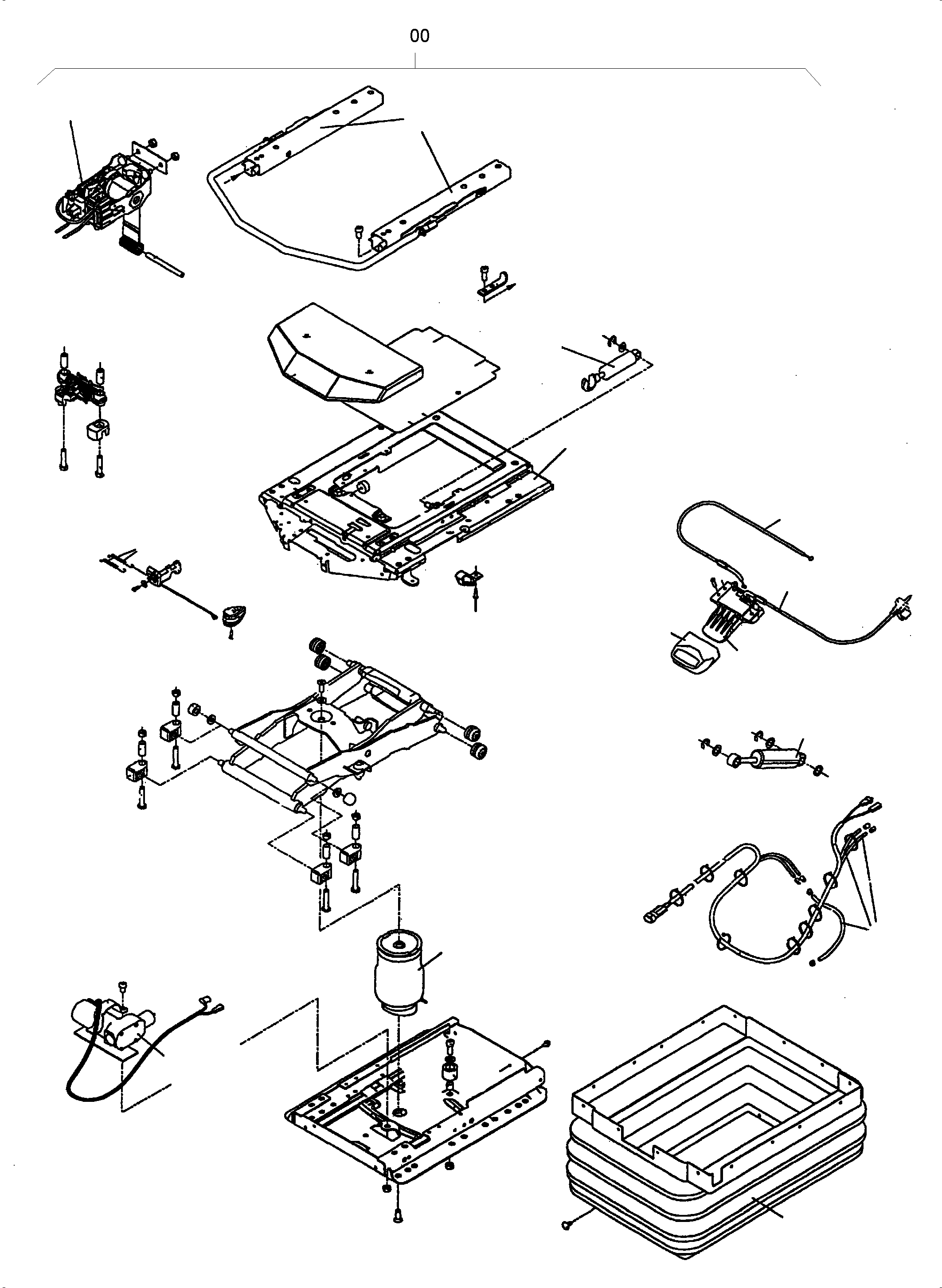
AIR SUSPENSION (991-0326) in PC3000-6E S/N 06262. Diagram image and parts list.

Model manual types and quick links