|
|
? |
794 705 73
|
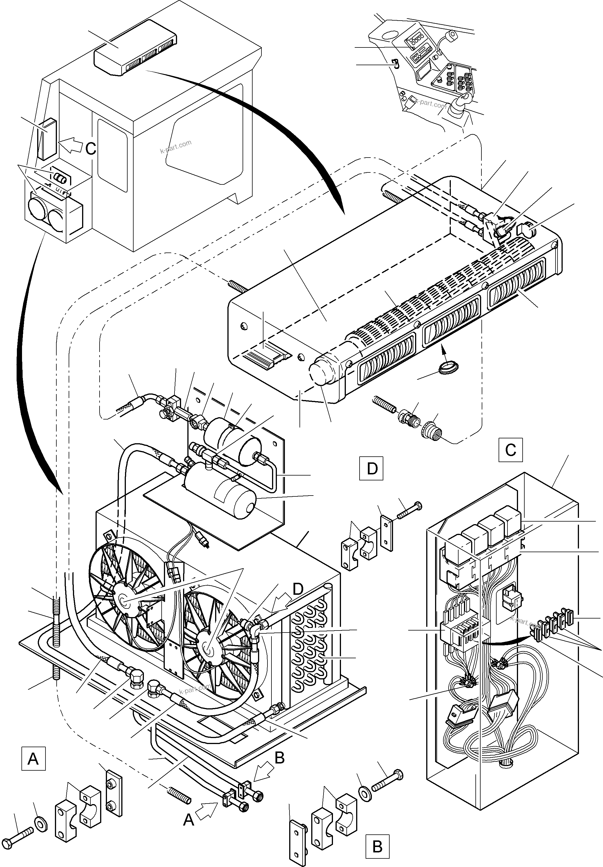
Air Conditioning Unit assy. |
1 |
InternBDB: SÑŒtrak 01.21.10.031 | InternKon: 14023450 / 1
|
|
|
|
? |
794 712 73
|
Condenser unit assy. |
1 |
InternBDB: SÑŒtrak K50-3 T 24V 06.05.05.021
|
|
|
|
? |
794 432 73
|
Element drier |
1 |
InternBDB: SÑŒtrak 24.06.01.016
|
|
|
|
? |
794 433 73
|
Collector bottle |
1 |
InternBDB: SÑŒtrak 24.05.01.036
|
|
|
|
? |
794 706 73
|
Inspection glass |
1 |
InternBDB: SÑŒtrak 24.07.12.016
|
|
|
|
? |
794 708 73
|
Check valve |
1 |
InternBDB: SÑŒtrak 22.05.15.111
|
|
|
|
? |
794 707 73
|
Double nut |
1 |
InternBDB: SÑŒtrak 17.18.01.013
|
|
|
|
? |
767 812 73
|
High pressure switch |
1 |
InternBDB: SÑŒtrak 26.03.20.251
|
|
|
|
? |
765 320 73
|
Clamp |
2 |
InternBDB: SÑŒtrak 10.37.07.024
|
|
|
|
? |
794 434 73
|
Check valve |
1 |
InternBDB: SÑŒtrak 22.05.15.100
|
|
|
|
? |
794 709 73
|
Ventilator |
2 |
InternBDB: SÑŒtrak 28.21.01.002 24V saug.
|
|
|
|
? |
794 437 73
|
Hose assy. |
1 |
InternBDB: Eko 14023450/08 L=400 GH134 | InternKon: 14023450 / 8
|
|
|
|
? |
794 438 73
|
Hose assy. |
1 |
InternBDB: Eko 14023450/09 L=1650 GH134 | InternKon: 14023450 / 9
|
|
|
|
? |
794 439 73
|
Hose assy. |
1 |
InternBDB: Eko 14023450/10 L=3440 GH134 | InternKon: 14023450 / 10
|
|
|
|
? |
794 440 73
|
Hose assy. |
1 |
InternBDB: Eko 14023450/11 L=4200 GH134 | InternKon: 14023450 / 11
|
|
|
|
? |
794 441 73
|
Pipe assy. 7/8 |
1 |
InternBDB: Eko 14023389 7/8 | InternKon: 14023450 / 20
|
|
|
|
? |
794 442 73
|
Pipe assy. 3/4 |
1 |
InternBDB: Eko 14023385 3/4 | InternKon: 14023450 / 19
|
|
|
|
? |
794 443 73
|
Elbow union |
1 |
InternBDB: Eko 14023394 | InternKon: 14023450 / 22
|
|
|
|
? |
794 444 73
|
Elbow union |
1 |
InternBDB: Eko 14023393 | InternKon: 14023450 / 21
|
|
|
|
? |
794 445 73
|
Elbow union |
1 |
InternBDB: Eko 14023395 | InternKon: 14023450 / 23
|
|
|
|
? |
502 631 98
|
Pair of clamps |
1 |
InternBDB: L-2-G-15 /3015 | InternKon: 14023450 / 26
|
|
|
|
? |
533 989 99
|
Weld on plate |
1 |
InternBDB: L-AP-K-2 /3015 | InternKon: 14023450 / 27
|
|
|
|
? |
307 737 99
|
Bolt |
2 |
InternBDB: M6x45 /933 | InternKon: 14023450 / 31
|
|
|
|
? |
340 506 99
|
Washer |
4 |
InternBDB: 6,4 /125 | InternKon: 14023450 / 32
|
|
|
|
? |
512 863 98
|
Pair of clamps |
1 |
InternBDB: L-1-G-12 /3015 | InternKon: 14023450 / 28
|
|
|
|
? |
533 986 99
|
Weld on plate |
1 |
InternBDB: L-AP-K-1 /3015 | InternKon: 14023450 / 29
|
|
|
|
? |
307 736 99
|
Bolt |
2 |
InternBDB: M6x40 /933 | InternKon: 14023450 / 30
|
|
|
|
? |
655 730 40
|
Hose DN13 |
-2 |
InternBDB: 13x3,5 Geweflex 1100 /11001320 | InternKon: 14023450 / 13
|
|
|
|
? |
374 923 99
|
Clamp |
5 |
InternBDB: Torro 12-20 /9-C7W2 /3017 | InternKon: 14023450 / 15
|
|
|
|
? |
794 759 73
|
Blower motor |
1 |
InternBDB: 54-00577-03
|
|
|
|
? |
794 760 73
|
Fan |
1 |
InternBDB: 38-00564-50
|
|
|
|
? |
794 761 73
|
Expansions valve |
1 |
InternBDB: AC101-107
|
|
|
|
? |
794 762 73
|
Low pressure switch |
1 |
InternBDB: AC201-412
|
|
|
|
? |
794 763 73
|
Air nozzle |
2 |
InternBDB: 58-62077-00
|
|
|
|
? |
769 561 73
|
Junction box |
1 |
InternBDB: 26.19.10.046 KL 1504
|
|
|
|
? |
794 764 73
|
Air nozzle |
4 |
InternBDB: 58-62042-00
|
|
|
|
? |
765 159 73
|
Base |
5 |
InternBDB: 26.01.19.001
|
|
|
|
? |
794 765 73
|
Relay |
5 |
InternBDB: 26.01.17.125
|
|
|
|
? |
794 766 73
|
Thermostat |
1 |
InternBDB: 12-00547-00
|
|
|
|
? |
765 305 73
|
Fuse box |
1 |
InternBDB: 26.05.11.041
|
|
|
|
? |
765 306 73
|
Fuse 15A |
1 |
InternBDB: 26.05.05.245
|
|
|
|
? |
769 120 73
|
Terminal |
2 |
InternBDB: 26.21.01.037
|
|
|
|
? |
765 702 73
|
Fuse 10A |
1 |
InternBDB: 26.05.05.244
|
|
|
|
? |
765 703 73
|
Fuse 20A |
3 |
InternBDB: 26.05.05.246
|
|
|
|
? |
794 767 73
|
Line |
1 |
InternBDB: 10.60.16.129
|
|
|
|
? |
794 431 73
|
Evaporator |
1 |
InternBDB: SÑŒtrak 75.01.10.150 EM 1/24V
|
|
|
|
? |
794 710 73
|
Control section |
1 |
InternBDB: SÑŒtrak BT 324a BG 78.04.01.001
|
|
|
|
? |
794 711 73
|
Temperatur sensor |
1 |
InternBDB: SÑŒtrak 26.09.03.818
|
|
|
|
? |
794 713 73
|
Condenser unit -Liquid |
1 |
InternBDB: SÑŒtrak 78.18.01.010
|
|
|
|
? |
794 920 73
|
Speed controller |
1 |
InternBDB: SÑŒtrak 26.09.10.108
|
|
|
|
? |
500 942 98
|
Pair of clamps |
1 |
InternBDB: L-3-G-22 PP
|
|
|
|
? |
511 856 98
|
Cover plate |
1 |
InternBDB: S-DP-L-3
|
|
|
|
? |
308 538 99
|
Bolt |
2 |
InternBDB: M6x50 8.8
|
|
|
|
? |
215 809 99
|
Pipe |
-2 |
InternBDB: ш14x1,5 100mm lang
|
|
|
|
? |
907 203 40
|
Union |
1 |
InternBDB: PG 21 / 46320
|
|
|
|
? |
064 172 40
|
Nut |
1 |
InternBDB: PG 21 / 46320
|
|
|
|
? |
796 318 73
|
Filter mat |
1 |
InternBDB: SÑŒtrak 38-00573-01
|
|
|
|
? |
796 579 73
|
Drain pan |
1 |
InternBDB: SÑŒtrak 58-62029-0
|
|