|
|
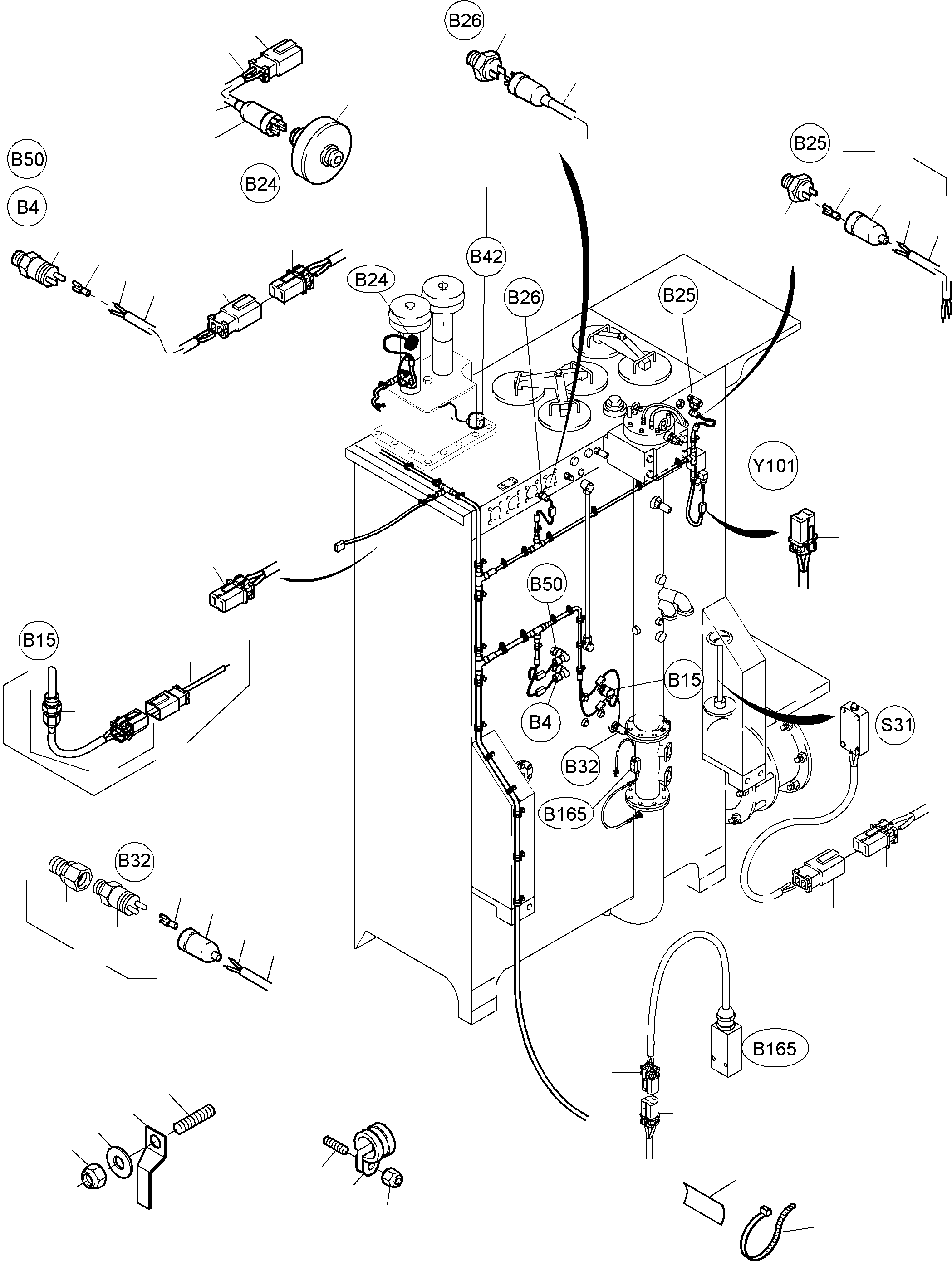
01 |
918 836 40
|
Float switch |
1 |
|
|
|
|
02 |
894 583 40
|
Sensor assy. |
1 |
|
|
|
|
03 |
896 669 40
|
Level probe |
2 |
|
|
|
|
04 |
604 732 40
|
Pressure switch |
1 |
|
|
|
|
05 |
621 338 40
|
Pressure switch |
1 |
|
|
|
|
06 |
654 652 40
|
Maintenance switch |
1 |
|
|
|
|
07 |
927 037 40
|
Temperature transmitter assy. |
1 |
|
|
|
|
08 |
923 144 40
|
Harness - hydr. tank |
1 |
|
|
|
|
09 |
003 670 79
|
Clip |
8 |
|
|
|
|
10 |
350 762 99
|
Washer |
7 |
|
|
|
|
11 |
510 210 98
|
Thread pin |
50 |
|
|
|
|
12 |
006 301 98
|
Clamp 12/15 |
14 |
|
|
|
|
13 |
006 339 98
|
Clamp 18/15 |
6 |
|
|
|
|
14 |
510 363 98
|
Clamp 29/15 |
4 |
|
|
|
|
15 |
006 306 98
|
Clamp 30/25 |
7 |
|
|
|
|
16 |
509 875 98
|
Thread pin |
7 |
|
|
|
|
17 |
006 304 98
|
Clamp 20/25 |
9 |
|
|
|
|
18 |
507 025 98
|
Nut |
50 |
|
|
|
|
19 |
334 599 99
|
Nut |
7 |
|
|
|
|
20 |
655 649 40
|
Protecting hose DN 10
Bulk ware, state length required |
-2 |
|
|
|
|
21 |
655 651 40
|
Protecting hose DN 17
Bulk ware, state length required |
-2 |
|
|
|
|
22 |
655 652 40
|
Protecting hose DN 23
Bulk ware, state length required |
-2 |
|
|
|
|
23 |
655 696 40
|
Protecting hose DN 29
Bulk ware, state length required |
-2 |
|
|
|
|
24 |
655 634 40
|
Pipe adapter DN 23/17 |
2 |
|
|
|
|
25 |
655 633 40
|
Pipe adapter DN 17/12 |
1 |
|
|
|
|
26 |
655 630 40
|
T-Distributor DN 29/23 |
2 |
|
|
|
|
27 |
655 650 40
|
Protecting hose DN 12
Bulk ware, state length required |
-2 |
|
|
|
|
28 |
655 629 40
|
T-Distributor DN 17 |
1 |
|
|
|
|
29 |
655 631 40
|
Pipe adapter DN 12/10 |
4 |
|
|
|
|
30 |
906 079 40
|
T-Distributor DN 29 |
-2 |
|
|
|
|
31 |
515 213 40
|
Cable 1 qmm
Bulk ware, state length required |
-2 |
|
|
|
|
32 |
515 214 40
|
Cable 2,5 qmm
Bulk ware, state length required |
-2 |
|
|
|
|
33 |
896 558 40
|
Pipe adapter DN 29/23 |
2 |
|
|
|
|
34 |
655 808 40
|
Fitting PG 16 |
2 |
|
|
|
|
35 |
655 805 40
|
Fitting PG 9 |
5 |
|
|
|
|
36 |
655 798 40
|
Cable union PG 9 |
5 |
|
|
|
|
37 |
655 810 40
|
Pipe adapter DN 29/12 |
1 |
|
|
|
|
38 |
655 628 40
|
T-Distributor DN 10 |
1 |
|
|
|
|
39 |
891 031 40
|
Plug with bushings assy. |
1 |
|
|
|
|
40 |
891 032 40
|
Plug with bushings assy. |
4 |
|
|
|
|
42 |
256 721 40
|
Rubber grommet |
1 |
|
|
|
|
43 |
455 757 99
|
Insulating tube B 7x0,7
Bulk ware, state length required |
-2 |
|
|
|
|
45 |
903 422 40
|
Plug assy. |
2 |
|
|
|
|
46 |
910 055 40
|
Protection cap assy. |
2 |
|
|
|
|
48 |
891 040 40
|
Plug with pins assy. |
4 |
|
|
|
|
49 |
431 168 40
|
Temperature transmitter |
1 |
|
|
|
|
50 |
906 922 40
|
Rubber grommet |
1 |
|
|
|
|
51 |
323 961 40
|
Sleve 6,3x0,8 |
2 |
|
|
|
|
52 |
455 756 99
|
Insulating tube B 6x0,6
Bulk ware, state length required |
-2 |
|
|
|
|
53 |
907 653 40
|
Insulating tube |
-2 |
|
|
|
|
54 |
510 561 98
|
Breech block |
1 |
|
|
|
|
55 |
894 576 40
|
Sensor assy.with plug |
1 |
|
|
|
|
56 |
056 070 40
|
Cable sleeve 1,0-1,5 |
38 |
|
|
|
|
57 |
056 071 40
|
Cable sleeve 2,5 |
4 |
|
|
|
|
58 |
655 635 40
|
Pipe adapter DN 29/17 |
1 |
|
|
|
|
59 |
655 803 40
|
Cable union PG 13,5 |
1 |
|
|
|
|
60 |
891 084 40
|
Plug assy. |
2 |
|
|
|
|
61 |
891 085 40
|
Plug assy. |
1 |
|
|
|
|
62 |
906 737 40
|
Cable union PG 16 |
1 |
|
|
|
|
67 |
655 804 40
|
Cable union PG 16 |
1 |
|
|
|
|
68 |
256 514 40
|
Name plate |
12 |
|
|
|
|
69 |
056 292 40
|
Cable strap |
12 |
|
|
|
|
70 |
906 420 40
|
T-Distributor |
2 |
|
|
|
|
71 |
651 461 40
|
Housing assy. |
1 |
|
|
|
|
72 |
655 547 40
|
Housing |
1 |
|
|
|
|
73 |
655 548 40
|
Contact seal |
2 |
|
|
|
|
74 |
655 549 40
|
Single seal |
2 |
|
|
|
|
75 |
655 550 40
|
Rubber grommet |
1 |
|
|
|
|
76 |
907 651 40
|
Sensor |
1 |
|
|
|
|
77 |
635 677 40
|
Cable 4x1
Bulk ware, state length required |
-2 |
|
|
|
|
78 |
655 621 40
|
Cable union DN 10 |
1 |
|
|
|
|
79 |
896 520 40
|
End pin |
12 |
|
|
|
|
80 |
896 521 40
|
End pin |
1 |
|
|
|
|
81 |
923 174 40
|
Harness - butterfly valve |
1 |
|
|
|
|
82 |
655 636 40
|
Fitting PG 13,5 |
1 |
|
|
|
|
83 |
055 140 40
|
Cable shoe |
4 |
|
|
|
|
84 |
907 536 40
|
Seal |
1 |
|
|
|
|
85 |
907 538 40
|
Seal |
1 |
|
|