|
|
? |
886 268 40
|
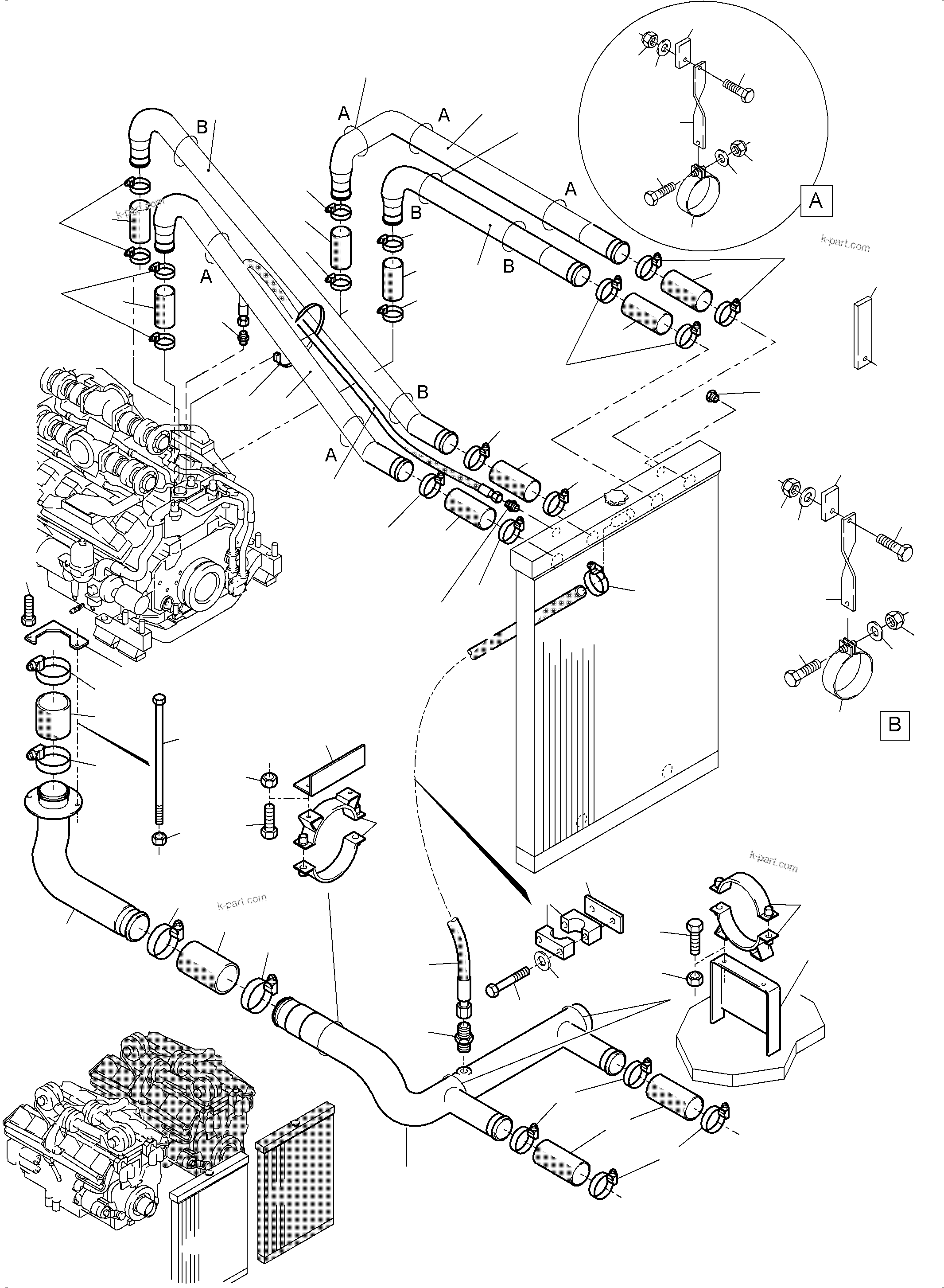
Water pipe |
1 |
InternKon: 904 754 40 / 1
|
|
|
|
? |
886 269 40
|
Water pipe |
1 |
InternKon: 904 754 40 / 2
|
|
|
|
? |
886 270 40
|
Water pipe |
1 |
InternKon: 904 754 40 / 3
|
|
|
|
? |
886 271 40
|
Water pipe |
1 |
InternKon: 904 754 40 / 4
|
|
|
|
? |
904 763 40
|
Water pipe |
1 |
InternKon: 904 754 40 / 5
|
|
|
|
? |
904 766 40
|
Water pipe |
1 |
InternKon: 904 754 40 / 6
|
|
|
|
? |
904 768 40
|
Water pipe |
1 |
InternKon: 904 754 40 / 7
|
|
|
|
? |
904 770 40
|
Water pipe |
1 |
InternKon: 904 754 40 / 8
|
|
|
|
? |
886 274 40
|
Water pipe |
1 |
InternKon: 904 754 40 / 9
|
|
|
|
? |
886 275 40
|
Header |
1 |
InternKon: 904 754 40 / 10
|
|
|
|
? |
886 276 40
|
Water pipe bottom |
2 |
InternKon: 904 754 40 / 11
|
|
|
|
? |
650 357 40
|
Retainer |
4 |
InternKon: 904 754 40 / 12
|
|
|
|
? |
650 381 40
|
Angle |
2 |
InternKon: 904 754 40 / 13
|
|
|
|
? |
608 197 40
|
Clamp |
8 |
InternKon: 904 754 40 / 14
|
|
|
|
? |
891 725 40
|
Clamp |
10 |
InternKon: 904 754 40 / 15
|
|
|
|
? |
908 031 40
|
Retainer |
18 |
InternKon: 904 754 40 / 16
|
|
|
|
? |
904 782 40
|
Retainer
320 mm lg |
18 |
InternKon: 904 754 40 / 17
|
|
|
|
? |
498 985 40
|
Retainer plate |
2 |
InternKon: 904 754 40 / 18
|
|
|
|
? |
907 579 40
|
Radiator hose 275 mm lg
Bulk ware, state length
required |
-2 |
InternBDB: EPDM 306-125 Interhydraulik | InternKon: 904 754 40 / 19
|
|
|
|
? |
907 578 40
|
Radiator hose 210 mm lg
Bulk ware, state length
required |
-2 |
InternBDB: EPDM 306-75 Interhydraulik | InternKon: 904 754 40 / 20
|
|
|
|
? |
255 604 40
|
Radiator hose NW 55 x6
Bulk ware, state length
required |
-2 |
InternBDB: DBL 6254/11 Manke | InternKon: 904 754 40 / 21
|
|
|
|
? |
907 090 40
|
Hose clamp |
8 |
InternBDB: C1-1-144x25 W2-2 / DIN 3017 | InternKon: 904 754 40 / 22
|
|
|
|
? |
907 310 40
|
Hose clamp |
24 |
InternBDB: C1-2- 88/25 W2-2 DIN 3017 | InternKon: 904 754 40 / 23
|
|
|
|
? |
907 580 40
|
Hose clamp |
16 |
InternBDB: C1-2- 66x20 W2-2 DIN 3017 | InternKon: 904 754 40 / 24
|
|
|
|
? |
516 676 98
|
Hose 2700 mm lg |
2 |
InternBDB: 3TE 32x2700 DOL 35 45 | InternKon: 904 754 40 / 25
|
|
|
|
? |
374 422 99
|
Socket |
2 |
InternBDB: L 35 E-M / 3901 | InternKon: 904 754 40 / 26
|
|
|
|
? |
517 585 98
|
Hose clamp |
2 |
InternBDB: C1-2- 42x18W2-2 DIN 3017 | InternKon: 904 754 40 / 27
|
|
|
|
? |
516 785 98
|
Hose 8x1600 |
2 |
InternBDB: SHL350 DN 8x1600/ Dol10/Dol 10 | InternKon: 904 754 40 / 29
|
|
|
|
? |
372 472 99
|
Union |
4 |
InternBDB: GE 10 PL 1/4 NPT 7 WN01088099 | InternKon: 904 754 40 / 30
|
|
|
|
? |
269 742 40
|
Plug |
2 |
InternBDB: G 1/4" NPT | InternKon: 904 754 40 / 31
|
|
|
|
? |
371 474 99
|
Union |
2 |
InternBDB: GE 10- Pl 3/8 NPT / WN 01088099 | InternKon: 904 754 40 / 32
|
|
|
|
? |
490 020 40
|
Clamp |
6 |
InternBDB: 181 6025 133 m. Konsole 2TLGD=133 | InternKon: 904 754 40 / 33
|
|
|
|
? |
307 752 99
|
Bolt |
12 |
InternBDB: M 8x20 8.8 / 933 | InternKon: 904 754 40 / 34
|
|
|
|
? |
334 599 99
|
Nut |
12 |
InternBDB: M 8 / 985 | InternKon: 904 754 40 / 35
|
|
|
|
? |
006 267 98
|
Bolt |
6 |
InternBDB: 3/8 - 16 UNCX 1 3/4 / 01050099 | InternKon: 904 754 40 / 36
|
|
|
|
? |
506 701 98
|
Bolt |
4 |
InternBDB: M12 x 230 / 931 | InternKon: 904 754 40 / 37
|
|
|
|
? |
334 600 99
|
Nut |
4 |
InternBDB: M12 / 985 | InternKon: 904 754 40 / 38
|
|
|
|
? |
307 780 99
|
Bolt |
36 |
InternBDB: M10 x 35 / 933 | InternKon: 904 754 40 / 39
|
|
|
|
? |
507 037 99
|
Nut |
36 |
InternBDB: M10 / 985 | InternKon: 904 754 40 / 40
|
|
|
|
? |
340 465 99
|
Washer |
36 |
InternBDB: 10,5 / 125 | InternKon: 904 754 40 / 41
|
|
|
|
? |
506 308 98
|
Half clamp |
8 |
InternBDB: L-5-G-42 / 3015 | InternKon: 904 754 40 / 42
|
|
|
|
? |
534 020 99
|
Plate |
4 |
InternBDB: L-AP-K-5 | InternKon: 904 754 40 / 43
|
|
|
|
? |
319 136 99
|
Bolt |
8 |
InternBDB: M 6 x 50 8.8 / 912 | InternKon: 904 754 40 / 44
|
|
|
|
? |
340 405 99
|
Washer |
8 |
InternBDB: 6,4 / 433 | InternKon: 904 754 40 / 45
|
|
|
|
? |
170 427 40
|
Cable band |
12 |
InternBDB: TY 27 M | InternKon: 904 754 40 / 46
|
|
|
|
? |
907 579 40
|
Radiator Hose 170 mm lg
Bulk ware, state length
required |
-2 |
InternBDB: EPDM 306-125 Interhydraulik | InternKon: 904 754 40 / 48
|
|
|
|
? |
886 278 40
|
Retainer 180 mm lg |
4 |
InternKon: 904 754 40 / 61
|
|