|
|
? |
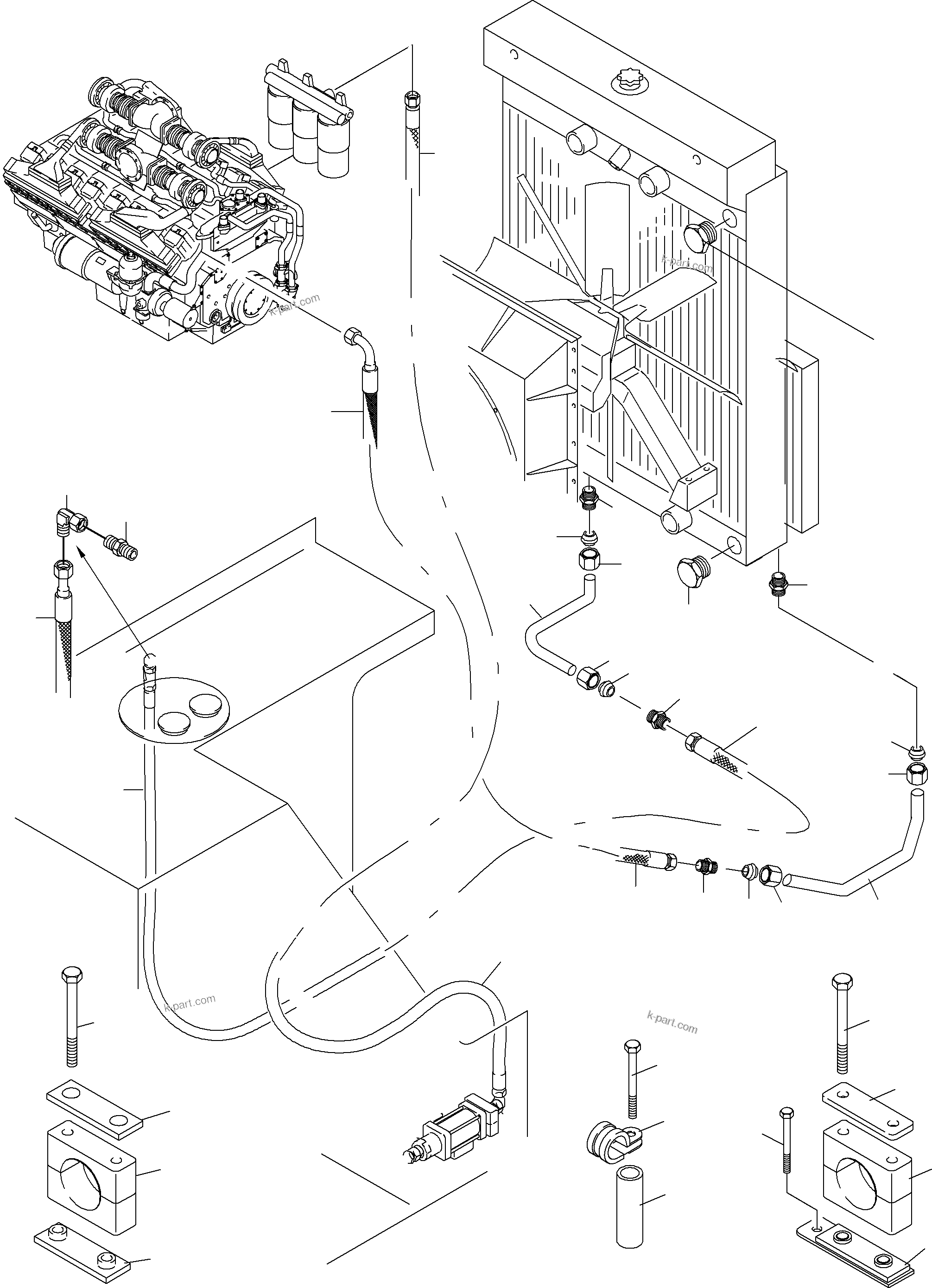
518 193 98
|
Hose assy. DN 32x2900 |
1 |
InternBDB: DOL 35 /DOL 35-90 | InternKon: 930 941 40 / 1
|
|
|
|
? |
518 192 98
|
Hose assy. DN 35x5700 |
1 |
InternBDB: DOL 35 /DOL 35 | InternKon: 930 941 40 / 3
|
|
|
|
? |
374 422 99
|
Union |
2 |
InternBDB: SDS L 35 M42x2 Typ E 08434 | InternKon: 930 941 40 / 4
|
|
|
|
? |
516 189 98
|
Union |
1 |
InternBDB: SWSDS-L28xM33x2 - Type E ISO 8334-4 St-NBR | InternKon: 930 941 40 / 9
|
|
|
|
? |
516 161 98
|
Union |
2 |
InternBDB: SWE L 28 ISO08434-4 | InternKon: 930 941 40 / 10
|
|
|
|
? |
374 439 99
|
Union |
2 |
InternBDB: SDS-L28xG1 A-Type E ISO08434 | InternKon: 930 941 40 / 11
|
|
|
|
? |
905 092 40
|
Angle |
1 |
InternKon: 930 941 40 / 12
|
|
|
|
? |
505 440 98
|
Clamp set |
1 |
InternBDB: S-4-R-65 DIN03015 | InternKon: 930 941 40 / 13
|
|
|
|
? |
534 008 99
|
Cover plate |
7 |
InternBDB: S-DP-A-4 DIN03015 | InternKon: 930 941 40 / 14
|
|
|
|
? |
308 612 99
|
Bolt |
14 |
InternBDB: M12x100 DIN00931 | InternKon: 930 941 40 / 15
|
|
|
|
? |
518 194 98
|
Hose assy. DN 25x5600 |
1 |
InternBDB: DOL 28 ORS 17/16-12 | InternKon: 930 941 40 / 16
|
|
|
|
? |
449 186 40
|
2/2-Way co-axial valve |
1 |
InternBDB: TL | InternKon: 930 941 40 / 17
|
|
|
|
? |
506 371 98
|
Clamp set |
6 |
InternBDB: S-4-G DIN03015 | InternKon: 930 941 40 / 20
|
|
|
|
? |
534 020 99
|
Weld on plate |
1 |
InternBDB: L-AP-K-5 DIN03015 | InternKon: 930 941 40 / 26
|
|
|
|
? |
938 566 40
|
Retainer |
1 |
InternKon: 930 941 40 / 27
|
|
|
|
? |
512 053 98
|
Elastomeric part |
6 |
InternBDB: S-4-48 | InternKon: 930 941 40 / 28
|
|
|
|
? |
502 201 98
|
Clamp set |
1 |
InternBDB: L-5-R-35 DIN03015 | InternKon: 930 941 40 / 30
|
|
|
|
? |
511 858 98
|
Cover plate |
1 |
InternBDB: L5 / W1 DIN03015 | InternKon: 930 941 40 / 31
|
|
|
|
? |
308 541 99
|
Screw |
4 |
InternBDB: M6x65 DIN00912 | InternKon: 930 941 40 / 32
|
|
|
|
? |
930 939 40
|
Pipe |
1 |
InternBDB: 35x2 | InternKon: 930 941 40 / 33
|
|
|
|
? |
371 246 99
|
Olive |
4 |
InternBDB: L 35 | InternKon: 930 941 40 / 34
|
|
|
|
? |
371 279 99
|
Union Nut |
4 |
InternBDB: N-L 35 | InternKon: 930 941 40 / 35
|
|
|
|
? |
372 406 99
|
Union |
2 |
InternBDB: E L 35 / 2353 | InternKon: 930 941 40 / 36
|
|
|
|
? |
931 408 40
|
Pipe |
1 |
InternBDB: 35x2 | InternKon: 930 941 40 / 37
|
|
|
|
? |
305 991 99
|
Ball cock |
1 |
InternBDB: G1 / MSNI / WN 34196040 | InternKon: 930 941 40 / 38
|
|
|
|
? |
516 187 98
|
Union |
1 |
InternBDB: SWSDS-L28xG1 A-Type E / St-NBR / ISO 8434-4 | InternKon: 930 941 40 / 39
|
|
|
|
? |
500 486 98
|
Clamp |
1 |
InternBDB: RSGU1100 51/25 / St Gal Zn / WN 01166099 | InternKon: 930 941 40 / 40
|
|
|
|
? |
431 745 40
|
Pipe DN12x1,5x100 |
1 |
InternKon: 930 941 40 / 41
|
|
|
|
? |
308 570 99
|
Bolt |
1 |
InternBDB: M8x120 8.8 DIN00931 | InternKon: 930 941 40 / 42
|
|
|
|
? |
374 422 99
|
Socket |
1 |
InternBDB: SDS-L35XM42x2 - TYPE E ST A3C ISO 08434 | InternKon: 930 941 40 / 43
|
|
|
|
? |
907 753 40
|
Hose protection 3300 mm lg |
-2 |
|
|
|
|
? |
168 474 40
|
Plug |
2 |
InternBDB: M42x2 VSTI , OED WN 34191340 | InternKon: 942 290 40 / 117
|
|
|
|
? |
516 162 98
|
Socket |
1 |
InternBDB: SWE-L 35 ST-NBR ISO 08434-4 | InternKon: 930 941 40 / 44
|
|