|
|
|$$1 |
|
Graphic 1 |
-1 |
|
|
|
|
01 |
461 208 40
|
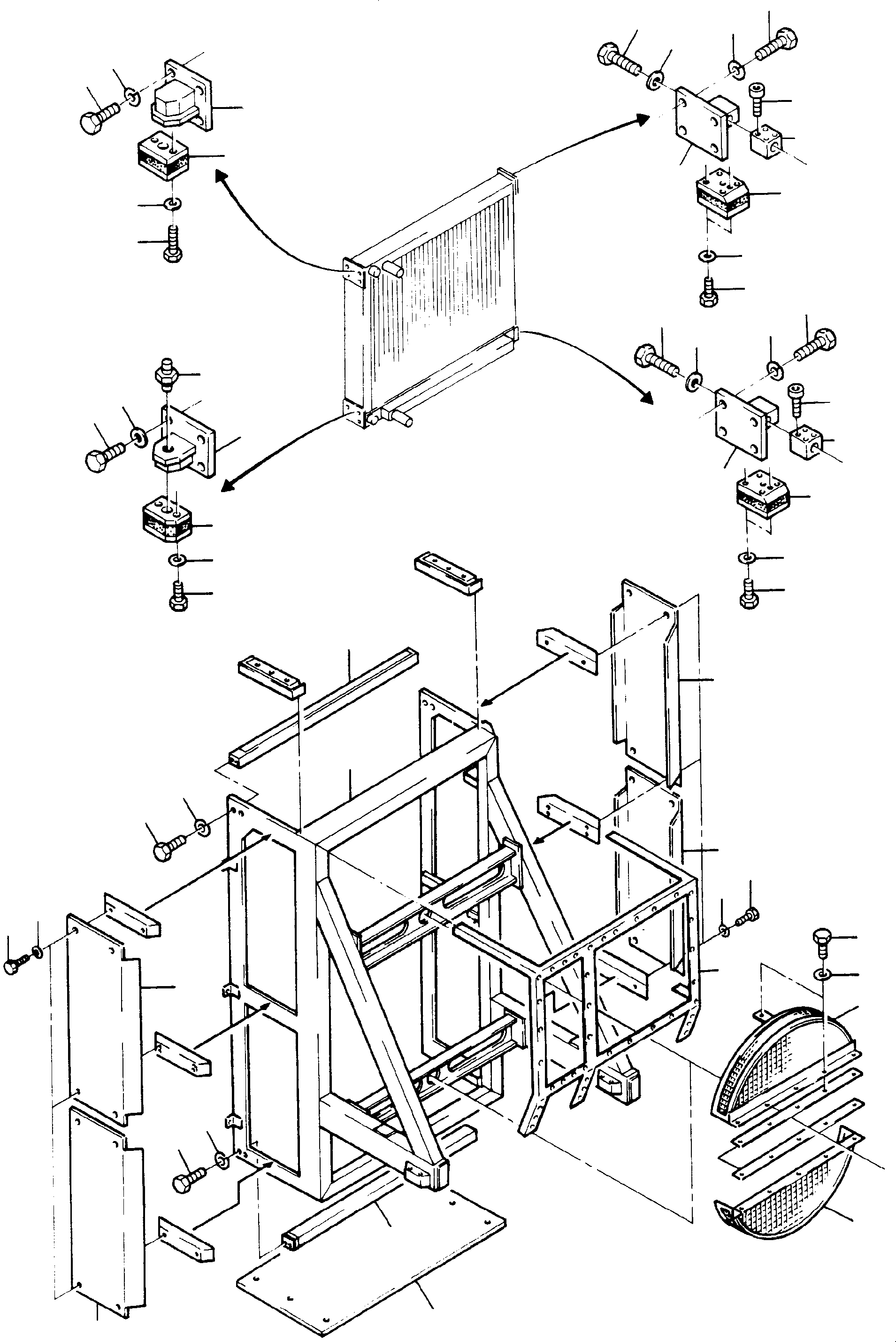
Oil cooler |
2 |
InternBDB: AKG 0.571.323.0000 /bis Index O AT-Nr. 669 484 73 | InternKon: 385 940 40 / 4
|
|
|
|
02 |
385 934 40
|
Fan cowl |
2 |
InternKon: 385 940 40 / 5
|
|
|
|
03 |
385 937 40
|
Handle |
2 |
InternKon: 385 940 40 / 23
|
|
|
|
04 |
307 805 99
|
Bolt |
4 |
InternBDB: M12x35 /933 | InternKon: 385 940 40 / 52
|
|
|
|
05 |
343 112 99
|
Lock washer |
4 |
InternBDB: 12 /128 | InternKon: 385 940 40 / 61
|
|
|
|
06 |
332 334 99
|
Nut |
4 |
InternBDB: M 12 /934 | InternKon: 385 940 40 / 53
|
|
|
|
07 |
166 575 40
|
Profiled joint 1500 lg.
Bulk ware, state length
required |
4 |
InternBDB: Happich GHE 461 0048 | InternKon: 385 940 40 / 72
|
|
|
|
08 |
385 877 40
|
Angle strip |
6 |
InternBDB: 20/20/20 | InternKon: 385 940 40 / 70
|
|
|
|
09 |
385 878 40
|
Angle strip |
2 |
InternBDB: 20/40/20 | InternKon: 385 940 40 / 69
|
|
|
|
10 |
158 853 40
|
Rivet |
50 |
InternBDB: 3,2 | InternKon: 385 940 40 / 71
|
|
|
|
12 |
307 750 99
|
Bolt |
12 |
InternBDB: M8x15 /933 | InternKon: 385 940 40 / 58
|
|
|
|
13 |
346 510 99
|
Lock washer |
12 |
InternBDB: 8 /128 | InternKon: 385 940 40 / 59
|
|
|
|
14 |
385 923 40
|
Sound hood with insulating plate |
1 |
InternKon: 385 940 40 / 2
|
|
|
|
15 |
166 575 40
|
Insulating plate 180x1800
Bulk ware, state length
required |
20 |
InternBDB: Happich GHE 461 0048 | InternKon: 385 923 40 / 2
|
|
|
|
|$$16 |
256 952 40
|
Adhesive |
-2 |
InternBDB: Terokal 2444 | InternKon: 385 923 40 / 4
|
|
|
|
16 |
159 992 40
|
Hinge |
3 |
InternKon: 385 940 40 / 10
|
|
|
|
17 |
385 926 40
|
Plate |
3 |
InternKon: 385 940 40 / 54
|
|
|
|
18 |
343 116 99
|
Lock washer |
3 |
InternBDB: 16 /128 | InternKon: 385 940 40 / 57
|
|
|
|
19 |
307 823 99
|
Bolt |
3 |
InternBDB: M16x35 /933 | InternKon: 385 940 40 / 56
|
|
|
|
20 |
332 336 99
|
Nut |
3 |
InternBDB: M 16 /934 | InternKon: 385 940 40 / 55
|
|
|
|
21 |
449 115 40
|
Cover plate |
1 |
InternKon: 449 120 40 / 2
|
|
|
|
22 |
449 119 40
|
Cover plate |
1 |
InternKon: 449 120 40 / 3
|
|
|
|
23 |
385 917 40
|
Cover plate |
1 |
|
|
|
|
24 |
307 752 99
|
Bolt |
40 |
InternBDB: M8x20 /933 | InternKon: 449 120 40 / 7
|
|
|
|
25 |
340 464 99
|
Washer |
40 |
InternBDB: 8,4 /125 | InternKon: 449 120 40 / 9
|
|
|
|
|$$27 |
|
Graphic 2 |
-1 |
|
|
|
|
30 |
399 138 40
|
Retainer |
2 |
InternKon: 385 940 40 / 17
|
|
|
|
31 |
399 139 40
|
Retainer |
2 |
InternKon: 385 940 40 / 18
|
|
|
|
32 |
332 066 40
|
Retainer |
4 |
InternKon: 385 940 40 / 8
|
|
|
|
33 |
385 901 40
|
Rubber strip |
4 |
InternKon: 385 940 40 / 12
|
|
|
|
34 |
319 431 99
|
Screw |
16 |
InternBDB: M10x60 /912 | InternKon: 385 940 40 / 60
|
|
|
|
35 |
308 407 99
|
Bolt |
4 |
InternBDB: M24x100 /931 10.9 | InternKon: 385 940 40 / 14
|
|
|
|
36 |
|
Washer |
4 |
InternBDB: 26 /125
|
|
|
|
37 |
343 112 99
|
Lock washer |
32 |
InternBDB: 12 /128 | InternKon: 385 940 40 / 20
|
|
|
|
38 |
307 804 99
|
Bolt |
32 |
InternBDB: M12x30 /933 | InternKon: 385 940 40 / 19
|
|
|
|
39 |
346 500 99
|
Lock washer |
48 |
InternBDB: 10 /128 | InternKon: 385 940 40 / 21
|
|
|
|
40 |
307 777 99
|
Bolt |
32 |
InternBDB: M10x25 /933 | InternKon: 385 940 40 / 22
|
|
|
|
41 |
399 140 40
|
Retainer |
2 |
InternKon: 385 940 40 / 16
|
|
|
|
42 |
399 141 40
|
Retainer |
2 |
InternKon: 385 940 40 / 15
|
|
|
|
43 |
332 095 40
|
Spacer |
2 |
InternKon: 385 940 40 / 9
|
|
|
|
44 |
385 902 40
|
Rubber strip |
4 |
InternKon: 385 940 40 / 13
|
|
|
|
45 |
385 920 40
|
Radiator mounting |
1 |
InternKon: 385 940 40 / 1
|
|
|
|
46 |
385 915 40
|
Cross bar |
1 |
InternKon: 385 920 40 / 9
|
|
|
|
47 |
343 116 99
|
Lock washer |
8 |
InternBDB: 16 /128 | InternKon: 385 920 40 / 14
|
|
|
|
48 |
307 365 99
|
Bolt |
8 |
InternBDB: M16x45 /933 | InternKon: 385 920 40 / 13
|
|
|
|
49 |
385 914 40
|
Cross bar |
1 |
InternKon: 385 920 40 / 7
|
|
|
|
50 |
385 921 40
|
Side plate |
1 |
InternKon: 385 920 40 / 10
|
|
|
|
54 |
346 510 99
|
Lock washer |
20 |
InternBDB: 8 /128
|
|
|
|
55 |
307 750 99
|
Bolt |
20 |
InternBDB: M8x15 /933
|
|
|
|
56 |
385 917 40
|
Cover plate |
1 |
InternKon: 385 920 40 / 8
|
|
|
|
60 |
385 879 40
|
Fan covering |
4 |
InternKon: 385 940 40 / 73
|
|
|
|
61 |
385 886 40
|
Threaded rail |
4 |
InternKon: 385 879 40 / 7
|
|
|
|
62 |
307 777 99
|
Bolt |
30 |
InternBDB: M10x20 /933
|
|
|
|
63 |
444 910 40
|
Frame |
1 |
InternKon: 449 120 40 / 1
|
|