Find books across the catalog from one place.
This page is prepared as the search workspace. The search behavior itself can be connected in the next step.
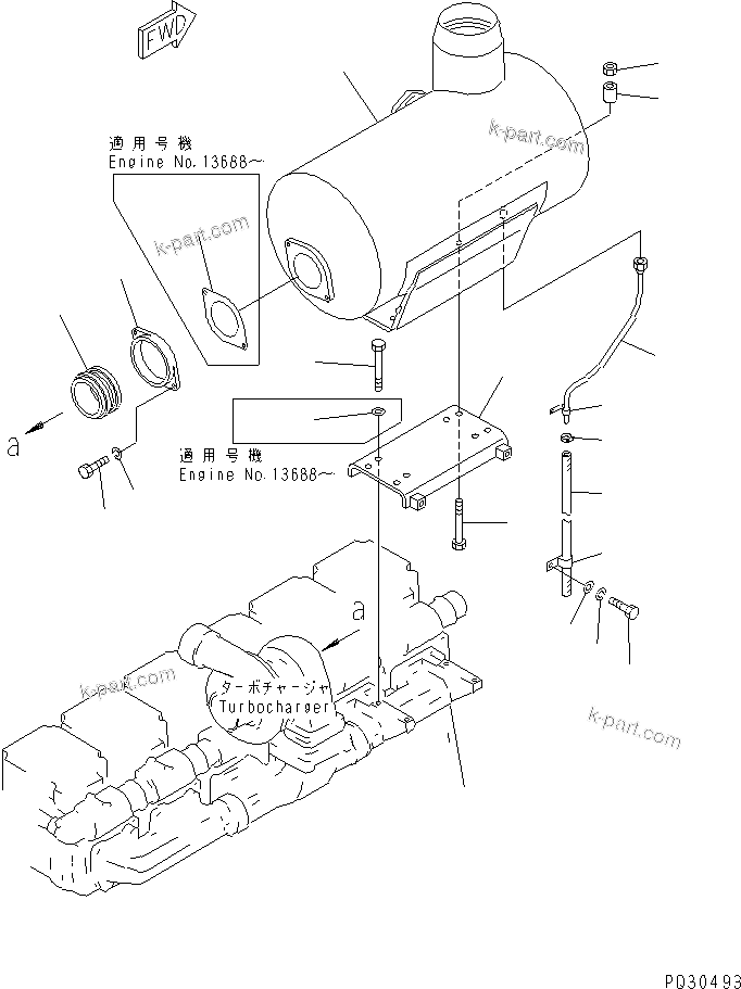
6212611203.MUFFLER AND MOUNTING(#13005-) (0161A) in S6D170-1D-R S/N 10490-UP (-50cent. Spec.). Diagram image and parts list.
Test text. Dear users! Access to the special equipment catalogs is paid. You can review the service usage rules and tariffs on the page!