Find books across the catalog from one place.
This page is prepared as the search workspace. The search behavior itself can be connected in the next step.
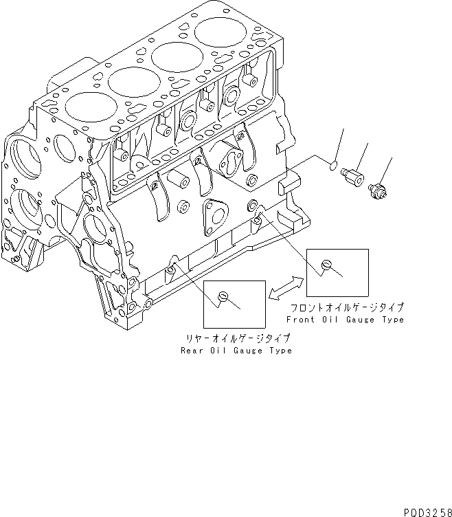
6212611203.OIL PRESSURE SWITCH(#26218033-) (A2010-01B2A) in S4D102E-1E-23 S/N 26200163-UP. Diagram image and parts list.
Test text. Dear users! Access to the special equipment catalogs is paid. You can review the service usage rules and tariffs on the page!