|
|
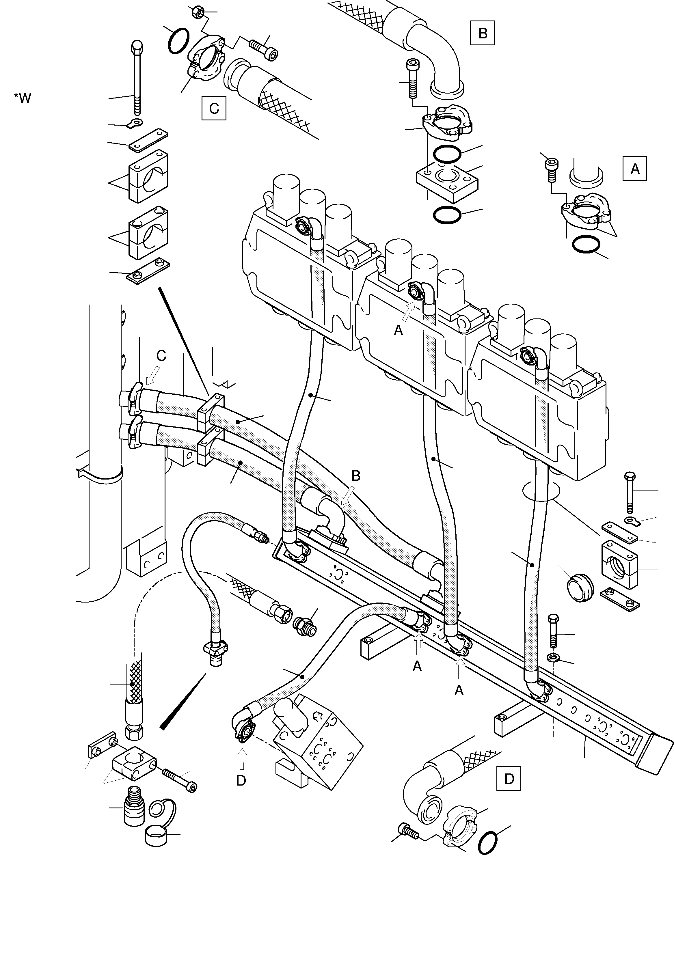
01 |
513 376 98
|
Hose assy. DN 50 x 990 |
3 |
InternBDB: FL 2-45 / FL 2-90 | InternKon: 574 555 40 / 36
|
|
|
|
02 |
385 243 40
|
Flange seal |
7 |
InternBDB: 2 NBR 90 | InternKon: 574 555 40 / 24
|
|
|
|
03 |
145 823 40
|
Half flange |
14 |
InternBDB: 50 /210 | InternKon: 574 555 40 / 30
|
|
|
|
04 |
319 272 99
|
Bolt |
32 |
InternBDB: M12x30 /912 10.9 | InternKon: 574 555 40 / 31
|
|
|
|
05 |
081 495 40
|
Quick disconnect coupling |
1 |
InternBDB: 61-6511-620-022 | InternKon: 647 801 40 / 98
|
|
|
|
06 |
081 496 40
|
Protection cap |
1 |
InternBDB: 63-6591-620-051 | InternKon: 647 801 40 / 99
|
|
|
|
07 |
340 086 99
|
Seal ring |
1 |
InternBDB: A30x38 /7603 | InternKon: 647 801 40 / 42
|
|
|
|
08 |
513 396 98
|
Hose assy. DN 50 x 740 |
1 |
InternBDB: FL 2 / Fl 2 1/2-90 | InternKon: 637 573 40 / 36
|
|
|
|
09 |
513 612 98
|
Hose assy. DN 70 x 1360 |
1 |
InternBDB: FL 3 / FL 3-90 | InternKon: 647 801 40 / 16
|
|
|
|
10 |
513 613 98
|
Hose assy. DN 70 x 2070 |
1 |
InternBDB: FL 3 / FL 3-90 | InternKon: 647 801 40 / 17
|
|
|
|
11 |
501 543 98
|
O-ring |
6 |
InternBDB: 85,32x3,53 B NB 80 | InternKon: 647 801 40 / 32
|
|
|
|
12 |
678 267
|
Half flange |
8 |
InternBDB: 75 /210
|
|
|
|
13 |
308 422 99
|
Bolt |
8 |
InternBDB: M16x150 /933 8.8
|
|
|
|
14 |
307 826 99
|
Bolt |
8 |
InternBDB: M16x50 /933 8.8 | InternKon: 647 801 40 / 35
|
|
|
|
15 |
334 601 99
|
Nut |
8 |
InternBDB: M 16 /985 8 | InternKon: 647 801 40 / 36
|
|
|
|
16 |
145 824 40
|
Half flange |
2 |
InternBDB: 63 / 210
|
|
|
|
17 |
007 697 98
|
O-ring |
1 |
InternBDB: 69.4 x 3,53
|
|
|
|
20 |
890 048 40
|
Manifold |
1 |
InternKon: 574 555 40 / 3
|
|
|
|
21 |
502 538 98
|
Bolt |
4 |
InternBDB: M20x150 / 10.9 | InternKon: 653 660 40 / 44
|
|
|
|
22 |
316 621 99
|
Washer |
4 |
InternBDB: Ш 21
|
|
|
|
23 |
513 867 98
|
Hose assy. DN 20x1800 |
1 |
InternBDB: DOL 22 / DOL 22 | InternKon: 647 801 40 / 96
|
|
|
|
24 |
374 409 99
|
Union |
1 |
InternBDB: L22 B-M / 390197
|
|
|
|
25 |
674 990 40
|
plate |
2 |
|
|
|
|
31 |
509 064 98
|
Half clamp |
8 |
InternBDB: S-5-E | InternKon: 647 801 40 / 63
|
|
|
|
32 |
500 398 98
|
Plate |
4 |
InternBDB: S-DP-A-5 | InternKon: 647 801 40 / 64
|
|
|
|
33 |
505 212 98
|
Insert |
4 |
InternBDB: S-5-68 | InternKon: 647 801 40 / 65
|
|
|
|
34 |
500 399 98
|
Weld on plate |
4 |
InternBDB: S-DP-A-5 | InternKon: 647 801 40 / 66
|
|
|
|
35 |
343 008 99
|
Washer |
8 |
InternBDB: 17 /93 | InternKon: 647 801 40 / 68
|
|
|
|
36 |
308 641 99
|
Bolt |
8 |
InternBDB: M16x130 /931 8.8 | InternKon: 647 801 40 / 67
|
|
|
|
40 |
511 718 98
|
Half clamp |
8 |
InternBDB: S-6-E | InternKon: 647 801 40 / 81
|
|
|
|
41 |
511 196 98
|
Plate |
4 |
InternBDB: S-DP-A-6 | InternKon: 647 801 40 / 82
|
|
|
|
42 |
511 194 98
|
Weld on plate |
4 |
InternBDB: S-DP-A-5 | InternKon: 647 801 40 / 83
|
|
|
|
43 |
343 010 99
|
Washer |
8 |
InternBDB: Ш 21 /93 | InternKon: 647 801 40 / 85
|
|
|
|
44 |
308 679 99
|
Bolt |
8 |
InternBDB: M20x190 /931 8.8 | InternKon: 647 801 40 / 84
|
|
|
|
45 |
509 058 98
|
Half clamp |
8 |
InternBDB: L-3-G-23 | InternKon: 647 801 40 / 77
|
|
|
|
46 |
533 992 98
|
Weld on plate |
4 |
InternBDB: L-AP-K3 | InternKon: 647 801 40 / 79
|
|
|
|
47 |
319 133 99
|
Bolt |
4 |
InternBDB: M6x30 /912 8.8 | InternKon: 647 801 40 / 80
|
|