|
|
? |
343 873 40
|
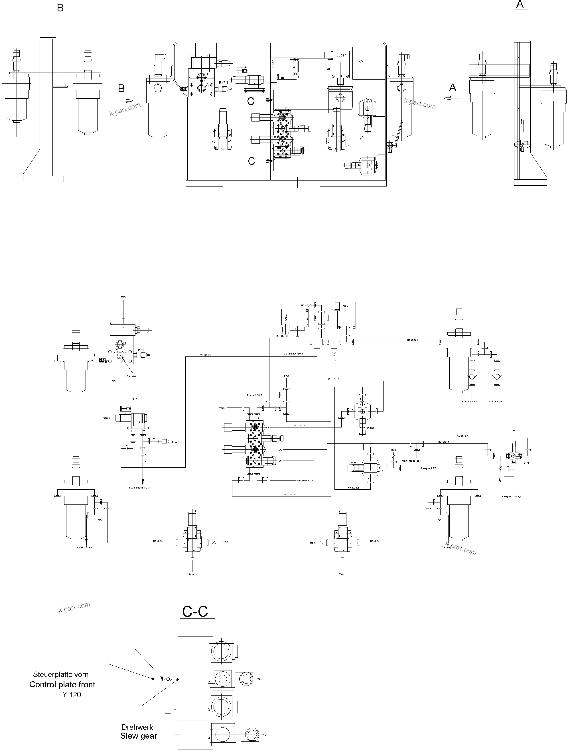
Shuttle valve |
1 |
InternBDB: Voss 12-L 690 997 | InternKon: 898 639 40 / 1
|
|
|
|
? |
256 425 40
|
4/2-Directional spool valve |
1 |
InternBDB: 4 WE 06 C 50 AG 24 NZ 4 | InternKon: 898 639 40 / 2
|
|
|
|
? |
180 325 40
|
Base plate |
1 |
InternBDB: G 342/1 3/8" | InternKon: 898 639 40 / 3
|
|
|
|
? |
896 473 40
|
Toggle switch |
1 |
InternBDB: Kissling 08.1.2.10 F | InternKon: 898 639 40 / 4
|
|
|
|
? |
896 546 40
|
Time lag relay |
1 |
InternBDB: Finder 87.61.0.240 | InternKon: 898 639 40 / 5
|
|
|
|
? |
322 378 40
|
Diode gate |
1 |
InternBDB: DGE-12 -1A 1600V / 710802 | InternKon: 898 639 40 / 6
|
|
|
|
? |
319 174 99
|
Screw |
4 |
InternBDB: M5x50 /912 10.9 | InternKon: 898 639 40 / 7
|
|
|
|
? |
872 242 40
|
Valve retainer |
1 |
InternBDB: 73x104 | InternKon: 898 639 40 / 8
|
|
|
|
? |
307 732 99
|
Screw |
2 |
InternBDB: M6x25 / 933 | InternKon: 898 639 40 / 9
|
|
|
|
? |
507 025 98
|
Nut |
2 |
InternBDB: M6 / 985 | InternKon: 898 639 40 / 10
|
|
|
|
? |
340 506 99
|
Washer |
1 |
InternBDB: Ш 6,4 | InternKon: 898 639 40 / 11
|
|
|
|
? |
371 954 99
|
Union |
1 |
InternBDB: FFL 15 / 2353 | InternKon: 898 639 40 / 12
|
|
|
|
? |
513 545 98
|
Union |
2 |
InternBDB: RED 15/ 12PL ST A3C | InternKon: 898 639 40 / 13
|
|
|
|
? |
255 694 40
|
Plug |
1 |
InternBDB: VSTI R 3/8 ED | InternKon: 898 639 40 / 14
|
|
|
|
? |
374 436 99
|
Socket with o-ring |
1 |
InternBDB: L 15-E-G 1/2 / 3901 | InternKon: 898 639 40 / 15
|
|
|
|
? |
371 459 99
|
Socket with o-ring |
1 |
InternBDB: L 12-E-G 3/8 /3901 | InternKon: 898 639 40 / 16
|
|
|
|
? |
372 172 99
|
Union |
3 |
InternBDB: DD L12 / 2353 | InternKon: 898 639 40 / 17
|
|
|
|
? |
371 953 99
|
Union |
1 |
InternBDB: FF L12 / 2353 | InternKon: 898 639 40 / 18
|
|
|
|
? |
502 752 98
|
Test union |
1 |
InternBDB: 12 L / 341 985 40 | InternKon: 898 639 40 / 19
|
|
|
|
? |
502 059 98
|
Socket |
1 |
InternBDB: EVGE 12-PLR-ED | InternKon: 898 639 40 / 20
|
|
|
|
? |
512 671 98
|
Hose |
1 |
InternBDB: SHL 240 10x5900 DOL 12 DOL 12 | InternKon: 898 639 40 / 21
|
|
|
|
? |
647 859 40
|
Hose |
1 |
InternBDB: SHL 240 10x1500 DOL 10 DOL 10
|
|
|
|
? |
215 424 99
|
Pipe Ш 12
Bulk ware, state length
required |
-2 |
InternBDB: 12x1,5x1000 | InternKon: 898 639 40 / 22
|
|
|
|
? |
372 173 99
|
Union |
1 |
InternBDB: DD L15 / 2353 | InternKon: 898 639 40 / 23
|
|
|
|
? |
372 108 99
|
Union |
1 |
InternBDB: EE L 12 | InternKon: 898 639 40 / 24
|
|