|
|
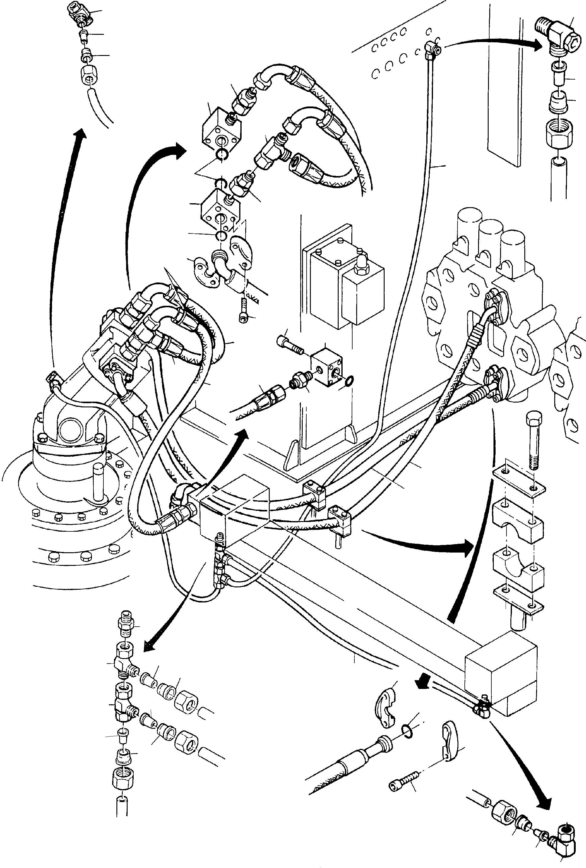
01 |
414 638 40
|
Hose NW 25x2200 mm |
1 |
InternBDB: Typ GH506 SFL-6-45-1Z/ SFL-6-90-1 1/4Z | InternKon: 420 170 40 / 8
|
|
|
|
02 |
414 639 40
|
Hose NW 25x1860 mm NW 25x1860 mm |
1 |
InternBDB: Typ GH506 SFL-6-1Z/SFL-6 90-1 1/4 | InternKon: 420 170 40 / 9
|
|
|
|
03 |
006 637 98
|
Half flange |
4 |
InternBDB: 25 /420 | InternKon: 420 170 40 / 153
|
|
|
|
04 |
006 720 98
|
O-ring |
4 |
InternBDB: 33x3,5 | InternKon: 420 170 40 / 154
|
|
|
|
05 |
319 274 99
|
Bolt |
8 |
InternBDB: M12x40 /912 | InternKon: 420 170 40 / 155
|
|
|
|
06 |
006 916 98
|
Union |
3 |
InternBDB: Voss 15-LM | InternKon: 420 170 40 / 74
|
|
|
|
08 |
371 954 99
|
Union |
1 |
InternBDB: FFL 15 /2353 | InternKon: 420 170 40 / 151
|
|
|
|
09 |
372 614 99
|
Union |
1 |
InternBDB: QL 15 /2353 | InternKon: 420 170 40 / 150
|
|
|
|
10 |
371 783 99
|
Socket |
1 |
InternBDB: EVGE-15-LM-ED | InternKon: 420 170 40 / 152
|
|
|
|
11 |
211 245 99
|
Plastic pipe Ш 15
Bulk ware, state length
required |
-2 |
InternBDB: 15x2,5 / 16982
|
|
|
|
12 |
007 578 98
|
Plug-in sleeve |
6 |
InternBDB: E 1215/10 | InternKon: 420 170 40 / 147
|
|
|
|
13 |
180 054 40
|
Clamping ring |
6 |
InternBDB: 22095 Voss | InternKon: 420 170 40 / 148
|
|
|
|
14 |
445 788 40
|
Intermediate plate |
2 |
InternBDB: 1 1/4-6 | InternKon: 420 170 40 / 156
|
|
|
|
15 |
006 725 98
|
O-ring |
2 |
InternBDB: 37,7x3,53 | InternKon: 420 170 40 / 157
|
|
|
|
16 |
320 229 99
|
Bolt |
8 |
InternBDB: M14x90 /912 | InternKon: 420 170 40 / 158
|
|
|
|
17 |
500 734 98
|
Non-return valve |
2 |
InternBDB: RHZ-25-SM-ed | InternKon: 420 170 40 / 159
|
|
|
|
18 |
448 261 40
|
Intermediate plate |
1 |
InternBDB: 1 1/2-3 | InternKon: 420 170 40 / 160
|
|
|
|
19 |
006 729 98
|
O-ring |
1 |
InternBDB: 47,22x3,53 | InternKon: 420 170 40 / 161
|
|
|
|
20 |
319 162 99
|
Bolt |
4 |
InternBDB: M12x80 /912 | InternKon: 420 170 40 / 162
|
|
|
|
21 |
372 627 99
|
Union |
1 |
InternBDB: QS 25 /2353 | InternKon: 420 170 40 / 163
|
|
|
|
22 |
374 414 99
|
Socket |
1 |
InternBDB: S 25 B /3901 | InternKon: 420 170 40 / 164
|
|
|
|
23 |
256 583 40
|
Hose NW 20
Bulk ware, state length
required |
-2 |
InternBDB: Aeroquip 2651-16 | InternKon: 420 170 40 / 167
|
|
|
|
24 |
270 083 40
|
Nipple |
2 |
InternBDB: 11.155-25-16 | InternKon: 420 170 40 / 165
|
|
|
|
25 |
270 082 40
|
Socket |
2 |
InternBDB: 1212-16 | InternKon: 420 170 40 / 166
|
|
|
|
26 |
324 660 40
|
Hose fittings |
2 |
InternBDB: 07.157-25-16
|
|