|
|
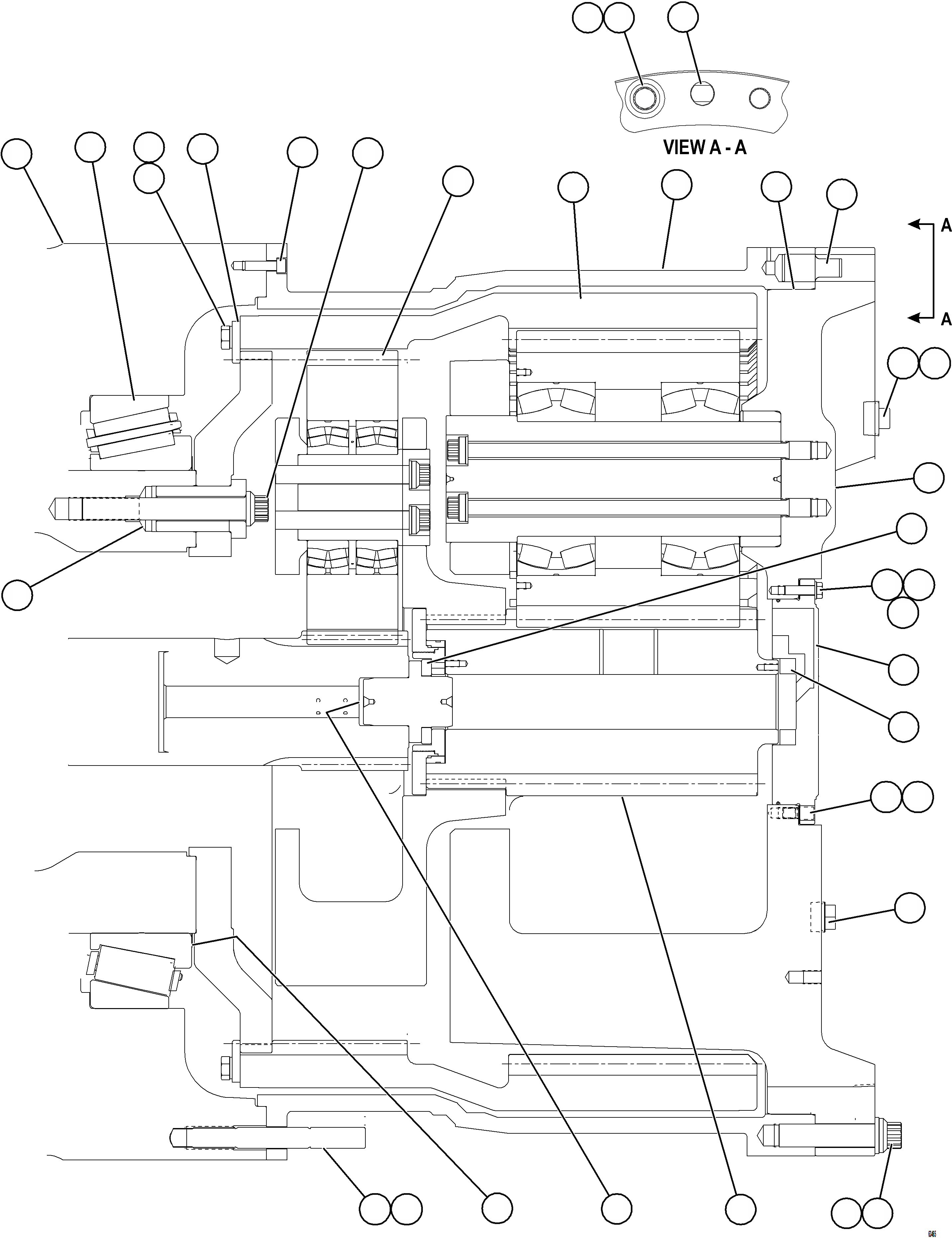
0 |
58B-30-00320
|
ELECTRIC WHEEL TRANSMISSION |
1 |
|
|
|
|
1 |
58F-14-00260
|
HUB, WHEEL |
1 |
|
|
|
|
2 |
GE0896
|
BUSHING |
19 |
|
|
|
|
2 |
GE0448
|
LUBRICANT, BONDED |
-1 |
|
|
|
|
3 |
GE1429
|
BEARING, ROLLER (3) |
1 |
|
|
|
|
4 |
GE0069
|
CAPSCREW, SOCKET HEAD - 1/2" - 13NC X 1 3/4" |
29 |
|
|
|
|
5 |
TD7882
|
CAPSCREW - 3/4" - 10NC X 1 3/4" |
16 |
|
|
|
|
6 |
BF4617
|
FLAT WASHER - 3/4" |
16 |
|
|
|
|
7 |
GE0895
|
PLATE, CLAMP |
8 |
|
|
|
|
8 |
58B-98-10700
|
CAPSCREW, 12 PT - 1 1/4" - 12NF X 9" (2) |
19 |
|
|
|
|
9 |
58F-14-00180
|
CARRIER ASSEMBLY - HIGH SPEED (SEE FIG 64160) |
1 |
|
64160 |
|
|
10 |
58F-14-00300
|
GEAR, RING |
1 |
|
|
|
|
11 |
58F-14-00270
|
TUBE, TORQUE |
1 |
|
|
|
|
12 |
VJ9656
|
ADHESIVE, RTV |
-1 |
|
|
|
|
13 |
GE0067
|
PIN, LOCATING |
1 |
|
|
|
|
14 |
58F-14-00240
|
CARRIER ASSEMBLY - LOW SPEED (SEE FIG 64161) |
1 |
|
64161 |
|
|
15 |
GE1764
|
WASHER, THRUST (2) |
1 |
|
|
|
|
16 |
GE1353
|
PIN, ALIGNMENT |
1 |
|
|
|
|
17 |
58F-14-00110
|
O-RING (2) |
1 |
|
|
|
|
18 |
58F-14-00310
|
COVER, LOW SPEED CARRIER |
1 |
|
|
|
|
19 |
GE1489
|
WASHER, THRUST (2) |
2 |
|
|
|
|
20 |
58F-14-00120
|
SHIM SET (2) |
1 |
|
|
|
|
20 |
GE0898
|
SHIM - .015" |
12 |
|
|
|
|
20 |
GE0899
|
SHIM - .030" |
6 |
|
|
|
|
21 |
VE5185
|
FLAT WASHER - 1/2" |
11 |
|
|
|
|
22 |
TV1918
|
CAPSCREW - 1/2" - 13NC X 1 3/4" |
11 |
|
|
|
|
23 |
GE0086
|
PLUG, PIPE |
8 |
|
|
|
|
24 |
GE0089
|
FLAT WASHER - 1 1/4" |
35 |
|
|
|
|
25 |
GE0068
|
CAPSCREW, 12 PT - 1 1/4" - 12NF X 5 1/2" |
43 |
|
|
|
|
26 |
58F-14-00160
|
PINION SUN - LOW SPEED |
1 |
|
|
|
|
27 |
GE1436
|
SHIM SET (2) |
1 |
|
|
|
|
27 |
GE1437
|
SHIM - .005" |
5 |
|
|
|
|
27 |
GE1438
|
SHIM - .007" |
4 |
|
|
|
|
27 |
GE1439
|
SHIM - .229" |
4 |
|
|
|
|
28 |
EM5451
|
STUD, WHEEL |
58 |
|
|
|
|
29 |
GE0089
|
FLAT WASHER - 1 1/4" (1) |
9 |
|
|
|
|
29 |
GE0536
|
NUT - 1 1/4" - 7NC (1) |
9 |
|
|
|
|
29 |
GE0535
|
BLOCK (1) |
9 |
|
|
|
|
30 |
58F-14-00230
|
PLUG, LONG |
1 |
|
|
|
|
31 |
58F-14-00340
|
PLUG, DRAIN |
4 |
|
|
|
|
32 |
VS8999
|
CEMENT |
-1 |
|
|
|
|
NS|42 |
|
NOTE: NS = NOT SHOWN |
-1 |
|
|
|
|
NS|43 |
58F-14-00350
|
SEALANT |
1 |
|
|
|
|
NS|44 |
58F-14-00360
|
SEALANT, HIGH TEMPERATURE |
1 |
|
|
|
|
NS|45 |
|
NOTE: (1) USED FOR SHIPPING ASSEMBLY ONLY OR DURING |
-1 |
|
|
|
|
NS|46 |
|
OVERHAUL AND STORAGE OF WHEEL MOTOR. |
-1 |
|
|
|
|
NS|47 |
58B-WM-AK010
|
(2) INCLUDED IN 58B-WM-AK010 TRANSMISSION KIT. |
-1 |
|
|
|
|
NS|48 |
58B-WM-AK020
|
(3) INCLUDED IN 58B-WM-AK020 TRANSMISSION BEARING KIT. |
-1 |
|
|