Search in all models by partnumber
Search current book

Buy PDF Shop Manual

Purchase the Komatsu shop manual in PDF format for this model. Includes service and repair procedures for diagnostics and maintenance work.

Buy Komatsu shop manual PDF, Komatsu repair manual PDF, and service manual PDF for this machine. Model: AFE78-CB 930E-5 S/N A40282 - A40283 BOLIDEN.

Back to Diagram

SEO pages: Komatsu parts catalog PDF, parts book PDF, shop manual PDF, repair manual PDF, operation manual PDF, operators manual PDF for this machine.

Buy PDF Shop Manual for AFE78-CB 930E-5 S/N A40282 - A40283 BOLIDEN

This page is focused on Buy PDF Shop Manual purchase for AFE78-CB 930E-5 S/N A40282 - A40283 BOLIDEN. If needed, you can also open Parts and Shop variants using links below.

  • Model-specific PDF manual delivery.
  • Coverage checks by machine/serial title before purchase.
  • Fast access to diagram, parts list, and tree navigation from the same page.
What manual types are available for this model?

Partsbook PDF, Shop/Repair PDF, and Operation/Operators PDF are available via dedicated tabs and links.

Is this page model-specific?

Yes, the offer is linked to the current model card and its catalog structure shown on this page.

Komatsu AFE78-CB 930E-5 S/N A40282 - A40283 BOLIDEN parts catalog PDF

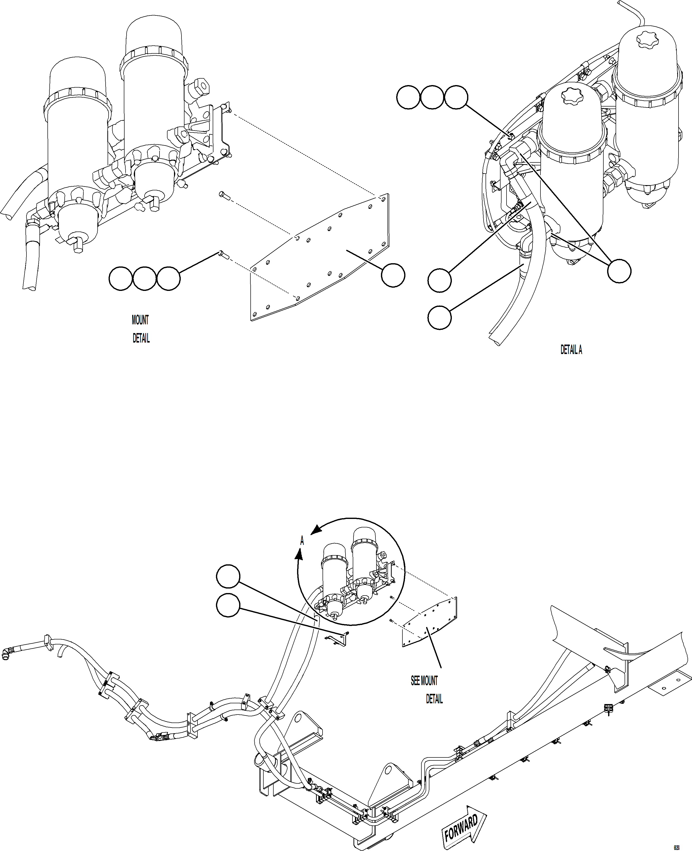
FUEL SYSTEM PIPING 4/4 (68293) in AFE78-CB 930E-5 S/N A40282 - A40283 BOLIDEN. Diagram image and parts list.

Model manual types and quick links