Search in all models by partnumber
Search current book

Komatsu AFE92-D 980E-5SE S/N A60019 KMMP parts catalog PDF

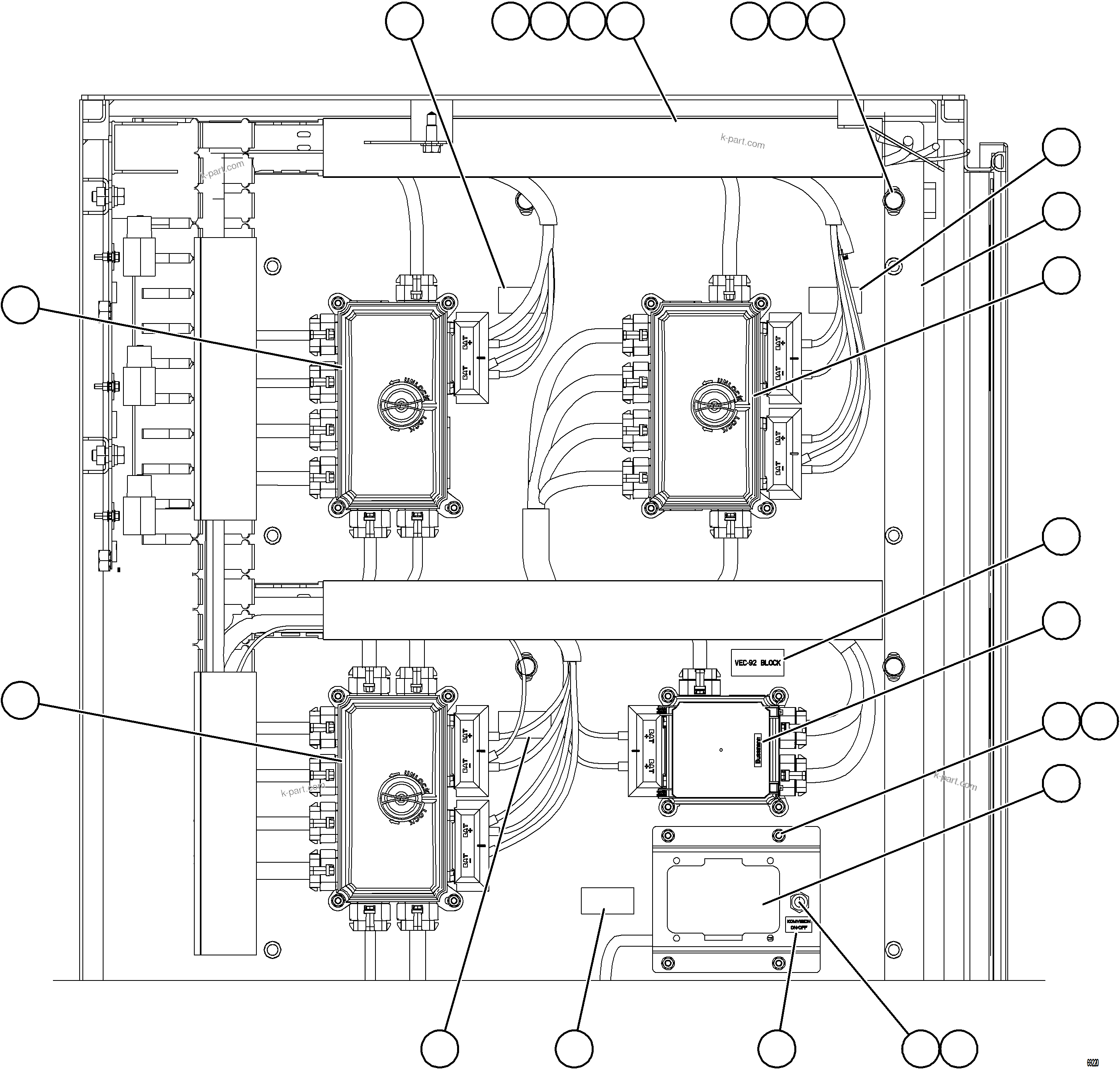
AUXILIARY CONTROL CABINET - RH WALL 1/2 (69220) in AFE92-D 980E-5SE S/N A60019 KMMP. Diagram image and parts list.

Model manual types and quick links