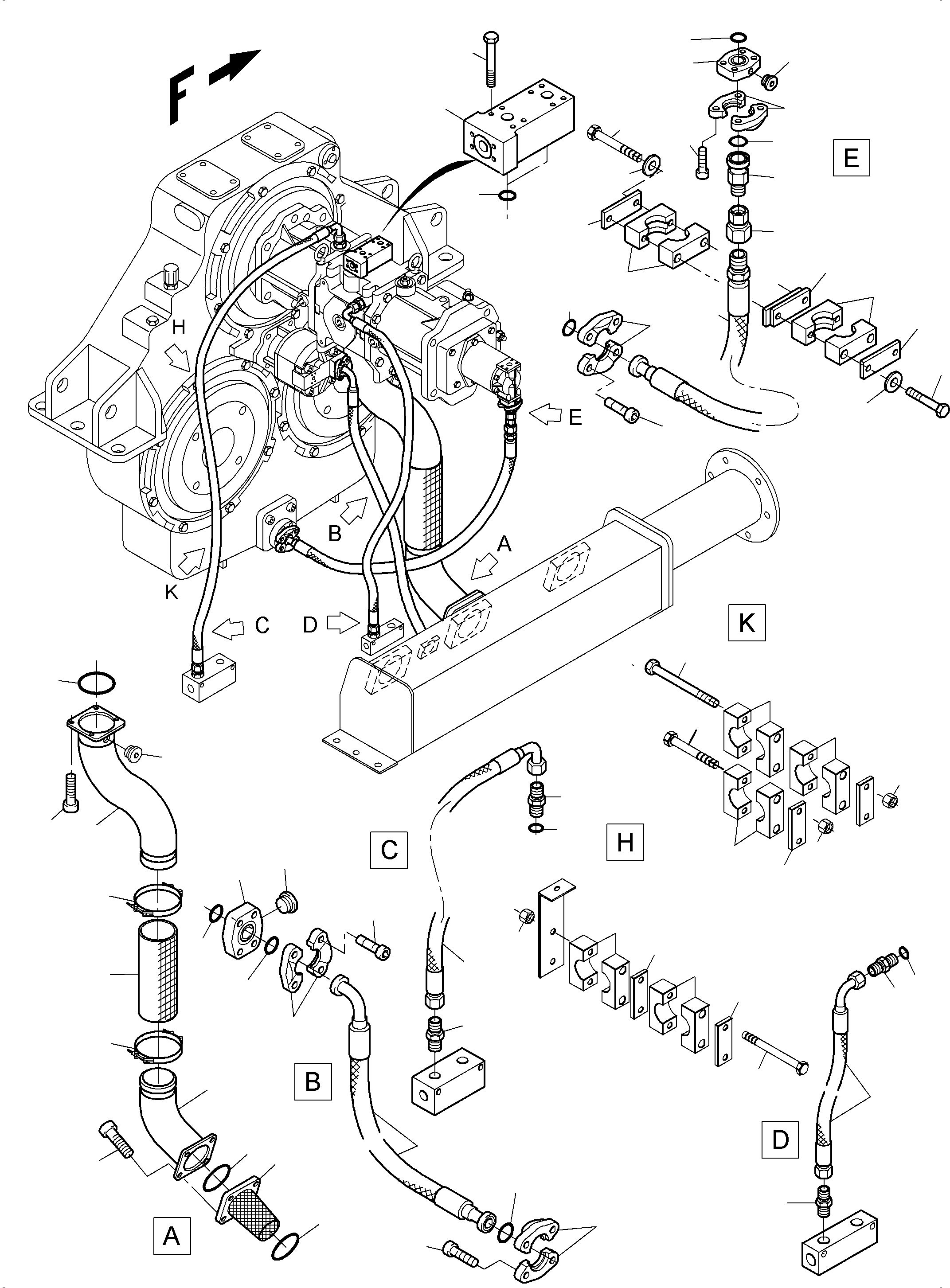
01
926 983 40
Bridge
3
InternBDB: 1 1/2"-S /2"-S 140x340 | InternKon: 926 984 40 / 6
02
926 982 40
Socket
3
InternBDB: L 35 /M42x1,5 | InternKon: 926 984 40 / 7
03
928 831 40
Block
1
InternBDB: 95x241 | InternKon: 926 984 40 / 8
04
940 895 40
Filter
3
InternBDB: NW 120 03016902 Hydac | InternKon: 926 984 40 / 10
05
941 101 40
Filter
1
InternBDB: NW 80 03365553 Hydac | InternKon: 926 984 40 / 11
06
340 652 99
Washer
8
InternBDB: B 13,0 | InternKon: 926 984 40 / 15
07
517 568 98
Bolt
24
InternBDB: M14x140 / DIN 931 | InternKon: 926 984 40 / 16
08
308 615 99
Bolt
2
InternBDB: M12x130 / DIN 931 | InternKon: 926 984 40 / 17
09
907 675 40
Flange adapter
1
InternBDB: GFS 35/35 L A3C X | InternKon: 926 984 40 / 18
10
654 502 40
Intermediate flange
1
InternBDB: SAE 1 1/4" 3000 PSI | InternKon: 926 984 40 / 19
11
356 209 40
Flange seal
6
InternBDB: 1 1/2 NBR 90 WN 341 986 40 Busak + Shamb. | InternKon: 926 984 40 / 20
12
356 210 40
Flange seal
2
InternBDB: 1 1/4 NBR 90 | InternKon: 926 984 40 / 21
13
006 633 98
Half flange
2
InternBDB: 32 /210 | InternKon: 926 984 40 / 22
14
319 430 99
Screw
4
InternBDB: ZYLSHR M10 X 50 8.8 DIN 00912 | InternKon: 926 984 40 / 23
15
180 113 40
Plug
5
InternBDB: Vsti R 1/4 ED | InternKon: 926 984 40 / 24
16
635 933 40
Intermediate flange
1
InternBDB: SAE 2" 3000 PSI | InternKon: 926 984 40 / 25
17
006 635 98
Half flange
6
InternBDB: 50 /210 | InternKon: 926 984 40 / 26
18
385 243 40
Flange seal
4
InternBDB: 2 NBR 90 | InternKon: 926 984 40 / 27
19
319 437 99
Bolt
4
InternBDB: ZYLSHR M12 X 55 8.8 DIN 00912 | InternKon: 926 984 40 / 28
20
319 156 99
Bolt
8
InternBDB: ZYLSHR M12 X 30 8.8 DIN 00912 | InternKon: 926 984 40 / 29
21
374 415 99
Union
1
InternBDB: SDS-L42XM48x2 | InternKon: 926 984 40 / 33
22
374 422 99
Union
2
InternBDB: SDS-L35XM42x2 | InternKon: 926 984 40 / 34
23
007 136 98
Union
1
InternBDB: Voss 35-LM | InternKon: 926 984 40 / 35
24
516 283 98
Hose assy. DN32x2100
1
InternBDB: 025 DOL 35 /DOL 35-45 | InternKon: 926 984 40 / 36
25
517 654 98
Hose assy. DN32x2100
1
InternBDB: 025 DOL 35 /DOL 35-90 | InternKon: 926 984 40 / 37
26
517 391 98
Hose assy. DN32x1300
1
InternBDB: 025 DOL 35 /DOL 35-90 | InternKon: 926 984 40 / 38
27
517 655 98
Hose assy. DN50x1300
1
InternBDB: 025 FL2 /FL2-90 | InternKon: 926 984 40 / 39
28
517 656 98
Hose assy. DN50x1700
1
InternBDB: 025 FL2 /CEL 42 | InternKon: 926 984 40 / 40
29
517 170 98
Socket
1
InternBDB: GZR 42/35-PL | InternKon: 926 984 40 / 41
30
907 683 40
Elbow
2
InternBDB: Interhydraulik Pumpe 1+2 | InternKon: 926 984 40 / 42
31
907 684 40
Socket
2
InternBDB: Pumpe 1+2 | InternKon: 926 984 40 / 43
32
907 685 40
Elbow
1
InternBDB: Pumpe 3 oben | InternKon: 926 984 40 / 44
33
907 686 40
Elbow
1
InternBDB: Pumpe 3 unten | InternKon: 926 984 40 / 45
34
932 885 40
Suction hose
1
InternBDB: Interhydraulik 304-140x385 | InternKon: 926 984 40 / 46
35
907 687 40
Elbow
1
InternBDB: LÑŒfterpumpe unten | InternKon: 926 984 40 / 47
36
907 688 40
Elbow
1
InternBDB: LÑŒfterpumpe oben | InternKon: 926 984 40 / 48
37
907 508 40
Suction hose
-2
InternBDB: 0,250 m 304-75 | InternKon: 926 984 40 / 49
38
517 582 98
O-ring
9
InternBDB: 136,12x3,53B NB 90 | InternKon: 926 984 40 / 50
39
508 105 98
O-ring
2
InternBDB: 98,02x3,53B NB 90 | InternKon: 926 984 40 / 51
40
517 583 98
O-ring
1
InternBDB: 85,32x3,53B NB 90 | InternKon: 926 984 40 / 52
41
517 558 98
O-ring
3
InternBDB: 38,70x3,40B NB 90 | InternKon: 926 984 40 / 53
42
319 442 99
Bolt
16
InternBDB: ZYLSHR M16 X 40 8.8 DIN 00912 | InternKon: 926 984 40 / 54
43
319 157 99
Bolt
4
InternBDB: ZYLSHR M12 X 35 8.8 DIN 00912 | InternKon: 926 984 40 / 55
44
907 681 40
Clamp
6
InternBDB: Interhydraulik GBS NW 140 | InternKon: 926 984 40 / 56
45
907 752 40
Clamp
2
InternBDB: Interhydraulik GBS 89/25 M8 | InternKon: 926 984 40 / 57
46
928 811 40
Socket
3
InternBDB: L 15 /M24x1,5 | InternKon: 926 984 40 / 58
47
928 298 40
Block
1
InternBDB: 65x145 | InternKon: 926 984 40 / 59
48
512 938 98
Hose assy. DN12x1200
1
InternBDB: 240 DOL 15 /DOL 15-90 | InternKon: 926 984 40 / 61
49
627 121 40
Hose assy. DN12x1700
1
InternBDB: 240 DOL 15 /DOL 15-90 | InternKon: 926 984 40 / 62
50
514 034 98
O-ring
3
InternBDB: 20,70x3,40B NB 90 | InternKon: 926 984 40 / 64
51
374 407 99
Union
3
InternBDB: SDS-L15XM18x1,5 | InternKon: 926 984 40 / 66
52
517 791 98
Bolt
2
InternBDB: 6KTSHR M12X 65 8.8 DIN 00931 | InternKon: 926 984 40 / 67
53
334 600 99
Nut
8
InternBDB: M 12 / DIN 985 | InternKon: 926 984 40 / 68
54
906 983 40
Union
1
InternBDB: 15 LM /OMD | InternKon: 926 984 40 / 69
55
319 188 99
Bolt
12
InternBDB: ZYLSHR M16 X 50 8.8 DIN 00912 | InternKon: 926 984 40 / 76
56
517 771 98
Hose assy. DN12x850
1
InternBDB: 240 DOL 15 / DOL 15-90 | InternKon: 926 984 40 / 63
57
932 886 40
Suction hose
2
InternBDB: Interhydraulik 304-140x480
60
928 841 40
Retainer
1
InternKon: 943 506 40 / 10
70
930 615 40
Retainer
1
InternBDB: 30x8x100 | InternKon: 926 984 40 / 70
71
506 371 98
Clamp set
7
InternBDB: KLEMMHPAAR S-4-E PA DIN 03015 | InternKon: 926 984 40 / 71
72
517 118 98
Lock washer
4
InternBDB: SG-SHB 12 STZN WN 65593840 | InternKon: 926 984 40 / 72
73
0443452110
Clip
3
InternBDB: SCHELLE D=21,5 BLZ=10 77 KES 04434 | InternKon: 926 984 40 / 73
74
340 465 99
Washer
1
InternBDB: SHB B 10,5 140HV DIN 00125 | InternKon: 926 984 40 / 74
75
507 037 98
Nut
2
InternBDB: 6KTMU M10 8 DIN 00985 | InternKon: 926 984 40 / 75
77
307 842 99
Bolt
1
InternBDB: 6KTSHR M20 X 35 8.8 DIN 00933 | InternKon: 926 984 40 / 77
78
307 777 99
Bolt
2
InternBDB: 6KTSHR M10 X 25 8.8 DIN 00933 | InternKon: 926 984 40 / 78
79
308 599 99
Bolt
2
InternBDB: 6KTSHR M12X 105 8.8 DIN 00931 | InternKon: 926 984 40 / 79
80
517 124 98
Lock washer
1
InternBDB: SG-SHB 20 STZN WN 65593840 | InternKon: 926 984 40 / 80
81
930 618 40
Half clamp retainer
1
InternBDB: SCHELLENHALTERUNG PC 3000- 6 | InternKon: 926 984 40 / 81
82
308 613 99
Bolt
4
InternBDB: 6KTSHR M12X 110 8.8 DIN 00931 | InternKon: 926 984 40 / 82
84
511 246 98
Grommet
5
InternBDB: ELASTOMEREINS S-4-43 GUMMI DIN 03015 | InternKon: 926 984 40 / 84
85
534 008 99
Cover plate
6
InternBDB: D-PLATTE S-DP-A-4 W1 DIN 03015 | InternKon: 926 984 40 / 85
86
506 701 98
Bolt
2
InternBDB: 6KTSHR M12X 230 8.8 DIN 00931 | InternKon: 926 984 40 / 86
87
506 291 98
Bolt
2
InternBDB: 6KTSHR M12X 220 8.8 DIN 00931 | InternKon: 926 984 40 / 87
88
502 626 98
Grommet
2
InternBDB: ELASTOMEREINS S-4-56,4 GUMMI DIN 03015 | InternKon: 926 984 40 / 88