|
|
? |
655 564 40
|
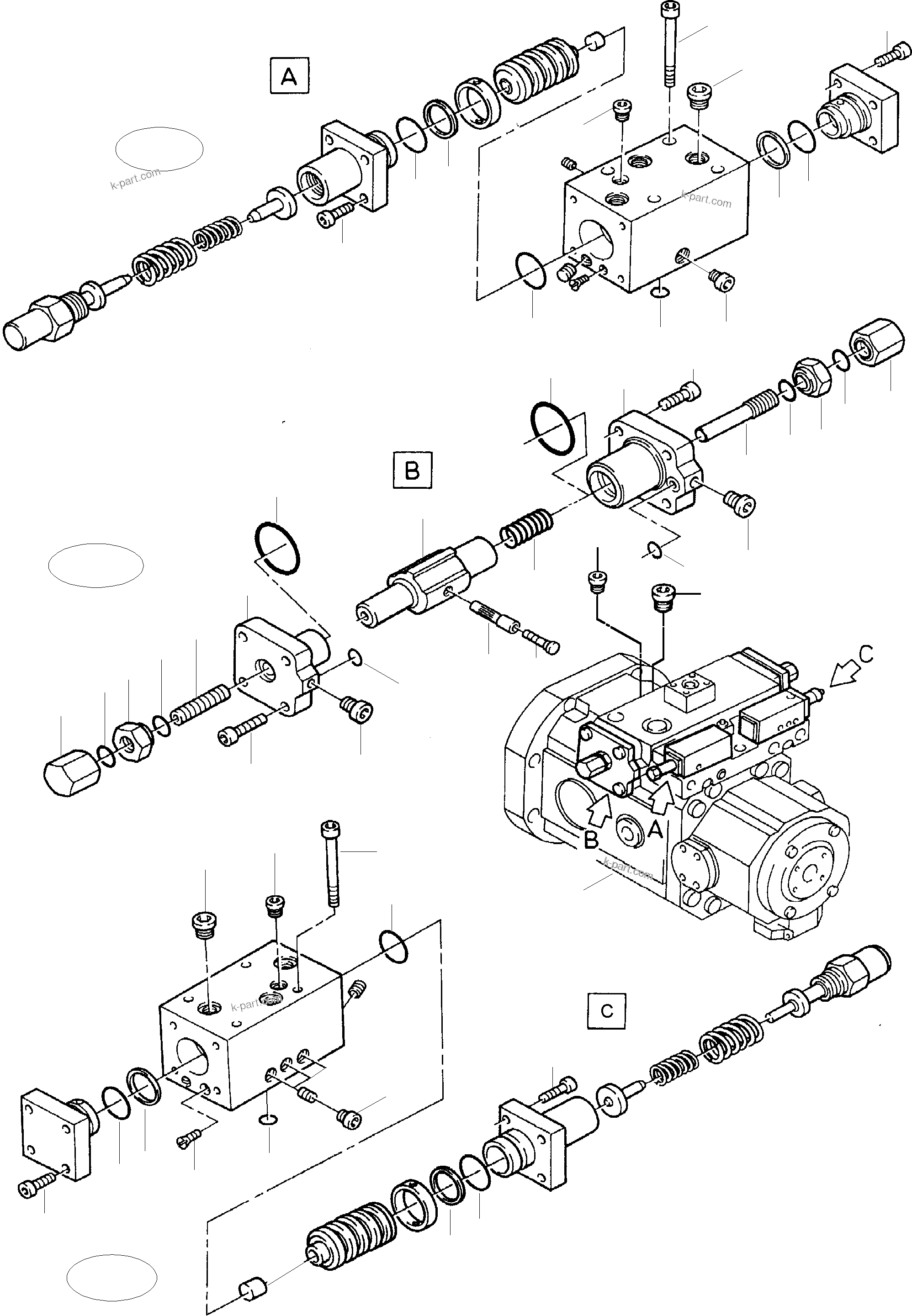
Hydro pump |
1 |
InternBDB: H-A4VSO 500 LR3DN/30L VZH 25 K00/985 167 AT-Nr. 710 958 73
|
|
|
|
? |
763 522 73
|
Pilot valve assy |
1 |
InternBDB: LR2H - 949 999 | InternKon: H 455 / 3
|
|
|
|
? |
319 540 99
|
Bolt |
16 |
InternBDB: M8x16 / 10.9 /912
|
|
|
|
? |
767 054 73
|
O-ring |
2 |
InternBDB: 25,12x1,78 / 587 206 V90 | InternKon: 949 999 / 21
|
|
|
|
? |
767 055 73
|
Support ring |
2 |
InternBDB: SG 25,1x28x1,4 / 925 020 | InternKon: 949 999 / 26
|
|
|
|
? |
964 770
|
Plug |
3 |
InternBDB: M5 WN1067 / 575 143 | InternKon: 949 999 / 16
|
|
|
|
? |
767 039 73
|
Plug |
4 |
InternBDB: M14x1,5 / 532 347 | InternKon: 949 999 / 11
|
|
|
|
? |
767 056 73
|
Plug |
2 |
InternBDB: M10x1 / 647 101 | InternKon: 949 999 / 13
|
|
|
|
? |
319 248 99
|
Bolt |
8 |
InternBDB: M8x70 / 10.9 /912 | InternKon: 985 168 / 5
|
|
|
|
? |
767 058 73
|
Plug |
8 |
InternBDB: M8x1 / 788 317 | InternKon: 985 168 / 15
|
|
|
|
? |
511 561 98
|
O-ring |
10 |
InternBDB: 12x2 / 080 543 V80 | InternKon: 985 168 / 14
|
|
|
|
? |
767 065 73
|
Support ring |
2 |
InternBDB: SG 27,1x30x1,4 / 921 451 | InternKon: 985 168 / 27
|
|
|
|
? |
767 066 73
|
O-ring |
2 |
InternBDB: 28,3x1,78 / 916 166 V90 | InternKon: 985 168 / 17
|
|
|
|
? |
767 067 73
|
O-ring |
6 |
InternBDB: 26,7x1,78 / 902 854 V90 | InternKon: 985 168 / 12
|
|
|
|
? |
763 523 73
|
Pilot valve assy |
1 |
InternBDB: HDD/LRD-V 928 163
|
|
|
|
? |
767 075 73
|
Nut |
2 |
InternBDB: M22x1,5 / 912 240 | InternKon: 985 171 / 14
|
|
|
|
? |
767 076 73
|
O-ring |
4 |
InternBDB: 26,64x2,62 / 531 243 V70 | InternKon: 985 171 / 13
|
|
|
|
? |
767 077 73
|
Nut |
2 |
InternBDB: M22x1,5 / 912 241 | InternKon: 985 171 / 8
|
|
|
|
? |
767 078 73
|
Treaded pin |
1 |
InternBDB: M22x1,5x98 / 912 237 | InternKon: 985 171 / 11
|
|
|
|
? |
320 153 99
|
Bolt |
8 |
InternBDB: M20x55 / 10.9/912/ 119 148 | InternKon: 985 171 / 12
|
|
|
|
? |
767 079 73
|
Piston housing |
1 |
InternBDB: 961 951 | InternKon: 985 171 / 2
|
|
|
|
? |
767 080 73
|
O-ring |
2 |
InternBDB: 15,60x1,78 / 525 618 V90 | InternKon: 985 171 / 9
|
|
|
|
? |
767 081 73
|
O-ring |
2 |
InternBDB: 104,37x3,53 / 919 988 V70 | InternKon: 985 171 / 10
|
|
|
|
? |
767 083 73
|
Set piston |
1 |
InternBDB: 961 972
|
|
|
|
? |
766 693 73
|
Bushing |
1 |
InternBDB: 984 915
|
|
|
|
? |
767 085 73
|
Guide shoe |
1 |
InternBDB: 803 604
|
|
|
|
? |
767 086 73
|
Spring |
1 |
InternBDB: 914 783 | InternKon: 985 171 / 4
|
|
|
|
? |
767 087 73
|
Threaded pin |
1 |
InternBDB: M22x1,5x175 / 917 407 | InternKon: 985 171 / 7
|
|
|
|
? |
767 088 73
|
Piston housing |
1 |
InternBDB: 912 243 | InternKon: 985 171 / 1
|
|
|
|
? |
767 127 73
|
Bolt |
2 |
InternBDB: M18x1,5 / 647 152 | InternKon: 985 171 / 19
|
|
|
|
? |
767 089 73
|
Bolt |
1 |
InternBDB: M27x2 / 647 209 | InternKon: 985 171 / 20
|
|
|
|
? |
766 694 73
|
Valve assy. |
1 |
InternBDB: LR3DH(GN) / 985 170 | InternKon: 985 168 / 2
|
|
|
|
? |
766 695 73
|
Valve housing |
1 |
InternBDB: 985 062 | InternKon: 985 170 / 1
|
|
|
|
? |
767 039 73
|
Plug |
3 |
InternBDB: M14x1,5 / 532 347 | InternKon: 985 170 / 19
|
|
|
|
? |
767 127 73
|
Plug |
2 |
InternBDB: M18x1,5 / 647 152 | InternKon: 985 170 / 20
|
|
|
|
? |
767 092 73
|
O-ring |
4 |
InternBDB: 15,54x2,62 / 302 139 V90 | InternKon: 985 170 / 28
|
|
|
|
? |
767 093 73
|
O-ring |
1 |
InternBDB: 117,07x3,53 / 919 986 V70 | InternKon: 985 170 / 29
|
|
|
|
? |
509 812 98
|
Bolt |
2 |
InternBDB: M10x100 8.8 /912 | InternKon: 985 170 / 24
|
|
|
|
? |
769 128 73
|
Breaking plug |
3 |
InternBDB: M12 / 995 176 | InternKon: 985 170 / 36
|
|
|
|
? |
999 046
|
Breaking plug |
3 |
InternBDB: M6 / 977 663 | InternKon: 985 170 / 34
|
|
|
|
? |
767 095 73
|
Breaking plug |
2 |
InternBDB: M10 / 584 991 | InternKon: 985 170 / 35
|
|
|
|
? |
319 150 99
|
Bolt |
2 |
InternBDB: M10x40 8.8 /912 | InternKon: 985 170 / 23
|
|
|
|
? |
766 696 73
|
Non return valve |
1 |
InternBDB: A4VS 500 LR N/H 966 945 | InternKon: 985 170 / 14
|
|
|
|
? |
345 040 99
|
Dowel sleeve |
1 |
InternBDB: 6x12 /1481
|
|
|
|
? |
766 697 73
|
Non return valve |
1 |
InternBDB: 979 807 | InternKon: 985 170 / 15
|
|
|
|
? |
767 106 73
|
O-ring |
1 |
InternBDB: 12,37x2,62 / 518 336 V90 | InternKon: 985 170 / 27
|
|
|
|
? |
509 633 98
|
Threaded pin |
1 |
InternBDB: M8x20 10.9 / 915 | InternKon: 985 170 / 33
|
|
|
|
? |
363 539 99
|
Ball |
1 |
InternBDB: Ш 6,5mm / 5401 | InternKon: 985 170 / 31
|
|
|
|
? |
363 424 99
|
Ball |
2 |
InternBDB: Ш 8mm / 5401 | InternKon: 985 170 / 32
|
|
|
|
? |
767 098 73
|
Eccentric stud |
1 |
InternBDB: 917 017 | InternKon: 985 170 / 2
|
|
|
|
? |
756 820 73
|
Needle cage |
2 |
InternBDB: 909 603 | InternKon: 985 170 / 13
|
|
|
|
? |
767 099 73
|
Lever |
1 |
InternBDB: 917 051 | InternKon: 985 170 / 3
|
|
|
|
? |
767 100 73
|
Parallel pin |
1 |
InternBDB: 917 119 | InternKon: 985 170 / 4
|
|
|
|
? |
767 101 73
|
Sleeve |
1 |
InternBDB: 917 120 | InternKon: 985 170 / 5
|
|
|
|
? |
767 102 73
|
Bolt |
1 |
InternBDB: M4x5 / 945 463 | InternKon: 985 170 / 17
|
|
|
|
? |
767 103 73
|
Union |
2 |
InternBDB: 8 SM WD V 914 163 | InternKon: 985 169 / 1
|
|
|
|
? |
215 390 99
|
Pipe Ш 8
Bulk ware, state length
required |
-2 |
InternBDB: 997 196 | InternKon: 985 169 / 2
|
|
|
|
? |
767 104 73
|
Union |
1 |
InternBDB: ETVD 8 S V 930 631 | InternKon: 985 169 / 3
|
|
|
|
? |
767 105 73
|
Plug |
1 |
InternBDB: VS 8 L/S 723 126 | InternKon: 985 169 / 4
|
|
|
|
? |
766 698 73
|
Indicator assy |
1 |
InternBDB: 978 423 | InternKon: 984 095 / 5
|
|
|
|
? |
350 902 99
|
Grove drive stud |
2 |
InternBDB: 2x6 /1476 | InternKon: 978 423 / 10
|
|
|
|
? |
319 417 99
|
Bolt |
1 |
InternBDB: M6 x 35 / 8.8 / 912 | InternKon: 978 423 / 9
|
|
|
|
? |
766 699 73
|
Pointer |
1 |
InternBDB: 978 475 | InternKon: 978 423 / 4
|
|
|
|
? |
766 700 73
|
Seal |
1 |
InternBDB: 978 425 | InternKon: 978 423 / 8
|
|
|
|
? |
767 118 73
|
Scale |
1 |
InternBDB: 911 347 | InternKon: 978 423 / 5
|
|
|
|
? |
766 701 73
|
Threaded pin |
1 |
InternBDB: 978 436 | InternKon: 978 423 / 1
|
|
|
|
? |
767 120 73
|
O-ring |
1 |
InternBDB: 60,05 x 1,78 V70 919 864 | InternKon: 978 423 / 6
|
|
|
|
? |
767 121 73
|
Quad-ring |
1 |
InternBDB: 34,52x3,53 / 4220-V7002 945 823 | InternKon: 978 423 / 7
|
|
|
|
? |
766 706 73
|
Pivot |
1 |
InternBDB: 978 435 | InternKon: 978 423 / 2
|
|
|
|
? |
767 124 73
|
Joint part |
1 |
InternBDB: 911 344 | InternKon: 978 423 / 3
|
|
|
|
? |
345 370 99
|
Dowel sleeve |
1 |
InternBDB: 4x12 /1481 | InternKon: 978 423 / 12
|
|
|
|
? |
767 125 73
|
Pilot valve |
1 |
InternBDB: 948 868 | InternKon: 985 168 / 7
|
|
|
|
? |
768 659 73
|
Pump housing |
1 |
InternBDB: 975 871 | InternKon: 984 095 / 2
|
|
|
|
? |
767 127 73
|
Plug |
3 |
InternBDB: M18x1,5 647 152 | InternKon: 984 095 / 13
|
|
|
|
? |
767 128 73
|
Plug |
3 |
InternBDB: M48x2 / 942 230 | InternKon: 984 095 / 11
|
|
|
|
? |
767 129 73
|
Thread pin |
1 |
InternBDB: 919 862 | InternKon: 984 095 / 6
|
|
|
|
? |
767 130 73
|
O-ring |
1 |
InternBDB: 305x4 V 80 / 919 863 | InternKon: 984 095 / 14
|
|
|
|
? |
768 685 73
|
Power unit |
1 |
InternBDB: 984 096 | InternKon: 984 095 / 1
|
|
|
|
? |
763 177 73
|
O-ring |
1 |
InternBDB: 9,19x2,51 / 933 840 | InternKon: 984 095 / 15
|
|
|
|
? |
763 178 73
|
O-ring |
2 |
InternBDB: 15,54x2,51 / 923 835 | InternKon: 984 095 / 16
|
|
|
|
? |
767 056 73
|
Plug |
3 |
InternBDB: M10x1 / 647101 | InternKon: 984 095 / 12
|
|
|
|
? |
767 397 73
|
Dummy flange |
1 |
InternBDB: 2" 600PSI / 966 758 | InternKon: 984 095 / 8
|
|
|
|
? |
767 133 73
|
Housing |
1 |
InternBDB: 949 972 | InternKon: 984 095 / 4
|
|
|
|
? |
319 310 99
|
Bolt |
8 |
InternBDB: M20x50 10.9 /912 | InternKon: 984 095 / 10
|
|
|
|
? |
767 094 73
|
Plug |
2 |
InternBDB: M12 / 938 084 | InternKon: 984 095 / 19
|
|
|
|
? |
767 135 73
|
O-ring |
1 |
InternBDB: 102 x 3 V 80 / 397 962 | InternKon: 984 095 / 27
|
|
|
|
? |
767 136 73
|
Cover |
1 |
InternBDB: 949 974 | InternKon: 984 095 / 7
|
|
|
|
? |
319 156 99
|
Bolt |
2 |
InternBDB: M12x30 8.8 /912 | InternKon: 984 095 / 28
|
|
|
|
? |
340 467 99
|
Washer |
2 |
InternBDB: B13 /125 /186 732 | InternKon: 984 095 / 29
|
|
|
|
? |
768 660 73
|
Throttle Srew |
1 |
InternBDB: M12x35/5,0 / 979 838 | InternKon: 984 095 / 20
|
|
|
|
? |
768 661 73
|
Throttle Srew |
1 |
InternBDB: M8x12/1,0 / 978 402 | InternKon: 984 095 / 21
|
|
|
|
? |
767 901 73
|
Throttle Srew |
1 |
InternBDB: M8x12/1,0 / 969 260 | InternKon: 984 095 / 22
|
|
|
|
? |
768 662 73
|
Throttle Srew |
1 |
InternBDB: M8x12/0,6 / 978 403 | InternKon: 984 095 / 23
|
|
|
|
? |
964 736
|
Plug |
1 |
InternBDB: M8 / 977 645 | InternKon: 984 095 / 18
|
|
|
|
? |
342 586 99
|
Ring |
1 |
InternBDB: 180x4 /472
|
|
|
|
? |
768 666 73
|
Sealing flange |
1 |
InternBDB: 992 070 | InternKon: 984 096 / 13
|
|
|
|
? |
514 914 98
|
Ring |
1 |
InternBDB: BAB SL 0,8 100x120x7.5 75V 934 889 | InternKon: 984 096 / 30
|
|
|
|
? |
516 067 98
|
O-ring |
1 |
InternBDB: 180x4 V 80 / 707 503 | InternKon: 984 096 / 32
|
|
|
|
? |
767 140 73
|
Drive shaft |
1 |
InternBDB: 925 283 | InternKon: 984 096 / 5
|
|
|
|
? |
769 130 73
|
Bearing |
1 |
InternBDB: 978 421 NUP 85x150x42
|
|
|
|
? |
342 566 99
|
Ring |
1 |
InternBDB: 85x3 /471 | InternKon: 984 096 / 33
|
|
|
|
? |
767 927 73
|
Bolt |
2 |
InternBDB: 969 259 | InternKon: 984 096 / 22
|
|
|
|
? |
768 671 73
|
Sealing bush |
1 |
InternBDB: 966 744 | InternKon: 984 096 / 19
|
|
|
|
? |
767 144 73
|
Sliding block |
1 |
InternBDB: 910 926 | InternKon: 984 096 / 8
|
|
|
|
? |
767 145 73
|
Pivot |
1 |
InternBDB: 910 927 | InternKon: 984 096 / 7
|
|
|
|
? |
342 528 99
|
Ring |
1 |
InternBDB: 28x1,5 / 471 | InternKon: 984 096 / 32
|
|
|
|
? |
767 146 73
|
Slider |
1 |
InternBDB: 910 914 | InternKon: 984 096 / 15
|
|
|
|
? |
767 147 73
|
Balancer |
1 |
InternBDB: 910 908 | InternKon: 984 096 / 6
|
|
|
|
? |
767 148 73
|
Segment |
4 |
InternBDB: 910 925 | InternKon: 984 096 / 12
|
|
|
|
? |
769 131 73
|
Piston / guide shoe |
9 |
InternBDB: 974 934 | InternKon: 984 096 / 1
|
|
|
|
? |
769 132 73
|
Plate |
1 |
InternBDB: 971 076 | InternKon: 984 096 / 9
|
|
|
|
? |
767 151 73
|
Spacer block |
4 |
InternBDB: 965 066 | InternKon: 984 096 / 11
|
|
|
|
? |
319 422 99
|
Bolt |
8 |
InternBDB: M8x45 8.8 /912 | InternKon: 984 096 / 37
|
|
|
|
? |
768 665 73
|
Ball |
1 |
InternBDB: 975 577 | InternKon: 984 096 / 10
|
|
|
|
? |
768 673 73
|
Spring package |
1 |
InternBDB: 964 900 | InternKon: 984 096 / 28
|
|
|
|
? |
768 668 73
|
Washer |
1 |
InternBDB: 973 965 | InternKon: 984 096 / 17
|
|
|
|
? |
768 672 73
|
|
1 |
InternBDB: 978 401 | InternKon: 984 096 / 20
|
|
|
|
? |
768 674 73
|
Washer |
1 |
InternBDB: 991 047 | InternKon: 984 096 / 29
|
|
|
|
? |
768 667 73
|
Washer |
1 |
InternBDB: 973 964 | InternKon: 984 096 / 16
|
|
|
|
? |
768 663 73
|
Cylinder with bushing |
1 |
InternBDB: 988 752 | InternKon: 984 096 / 3
|
|
|
|
? |
769 134 73
|
Distribution plate |
1 |
InternBDB: 984 072 | InternKon: 984 096 / 4
|
|
|
|
? |
319 140 99
|
Screw |
6 |
InternBDB: M8x20 /912 | InternKon: 984 096 / 41
|
|
|
|
? |
769 135 73
|
Bearing |
1 |
InternBDB: 978 422 RNU 57,13x90x34 | InternKon: 984 096 / 25
|
|
|
|
? |
767 159 73
|
Bushing |
2 |
InternBDB: 946 530 | InternKon: 984 096 / 14
|
|
|
|
? |
767 410 73
|
O-ring |
1 |
InternBDB: 56.47 x 3.4 V 90 967 060 | InternKon: 933 351 / 3
|
|
|
|
? |
769 136 73
|
Adjustment assy. |
1 |
InternBDB: LR2N-V / 985 171 | InternKon: 998 511 / 1
|
|
|
|
? |
512 978 98
|
Bolt |
4 |
InternBDB: M 20 x 45 8.8 912 | InternKon: 933 351 / 2
|
|
|
|
? |
767 409 73
|
O-ring |
1 |
InternBDB: 60.05 x 1.78 V70 919 864
|
|
|
|
? |
516 066 98
|
O-ring |
1 |
InternBDB: 83x2 / V 80 / 470 503 | InternKon: 984 096 / 31
|
|
|
|
? |
768 676 73
|
Seal kit pump without valves
concist. of fig no.33,39,40
104,107,108,125,127,128,134
153,182 |
1 |
InternBDB: E-ST
|
|
|
|
? |
767 160 73
|
Seal kit, pilot valve
fig. no. 120 |
1 |
InternBDB: E-ST
|
|
|
|
? |
767 164 73
|
Seal kit adjustment assy.
fig. no. 183 |
1 |
InternBDB: E-ST
|
|
|
|
? |
767 311 73
|
Seal kit, pilot valve
concist. of fig no 06,07,09
10,13,14,20,21,22 |
1 |
InternBDB: E-ST
|
|
|
|
? |
767 312 73
|
Seal kit valve
concist. of fig no. 52,53,54
55,,65,20,21 |
1 |
InternBDB: E-ST
|
|